anti theft light

2007 CHRYSLER ASPEN
130,000 MILES • 3.2L • V8 • AWD • AUTOMATIC
Avatar
CINDER4062
  • MEMBER
  • 36 POSTS
The anti theft light on top of the dash does not work, what can I do to find out why and the replace what needs to be replaced. This is a great deterrent and I need to get it fixed
Feb 20, 2017 at 12:38 PM
Advertisement
Avatar
JDL
  • CERTIFIED EXPERT
  • 16,098 POSTS
So this is just a dummy light to make people think it is part of security system? Is there a timer inside the light assembly? If so, check voltage and ground or replace lamp assembly. Does the lamp assembly have a manufacturer name on it, maybe you can email them. I really do not know how that system works? It is interesting.
Feb 20, 2017 at 12:47 PM
Avatar
CINDER4062
  • MEMBER
  • 36 POSTS
if your asking it does not appear to be a dummy light. if your telling me that it is, it does no have any type of manufacturer's name or numbers.
Feb 20, 2017 at 2:16 PM
Advertisement
Avatar
JDL
  • CERTIFIED EXPERT
  • 16,098 POSTS
I brought up the dummy light because I believe they sell such a lamp for that purpose. If the vehicle does not have a security system, the light will make people think there is a security system.
I will check my wiring diagrams to see if I can find that lamp?
Feb 21, 2017 at 7:41 AM
Avatar
CINDER4062
  • MEMBER
  • 36 POSTS
Okay, please let me know what you find. It will be greatly appreciated.
Feb 21, 2017 at 12:31 PM
Avatar
STRAILER
  • CERTIFIED EXPERT
  • 53,854 POSTS
Hey CINDER4062,

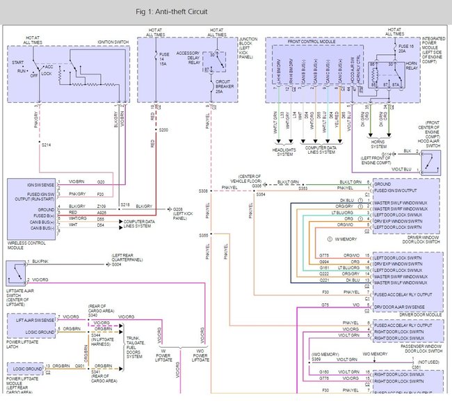
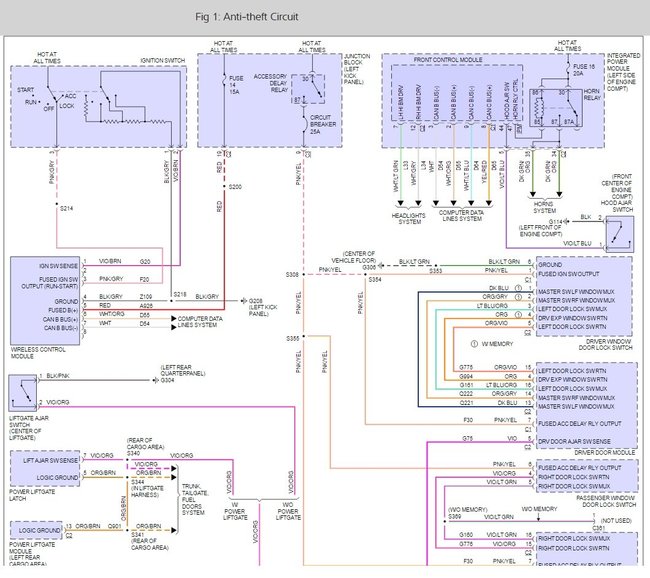
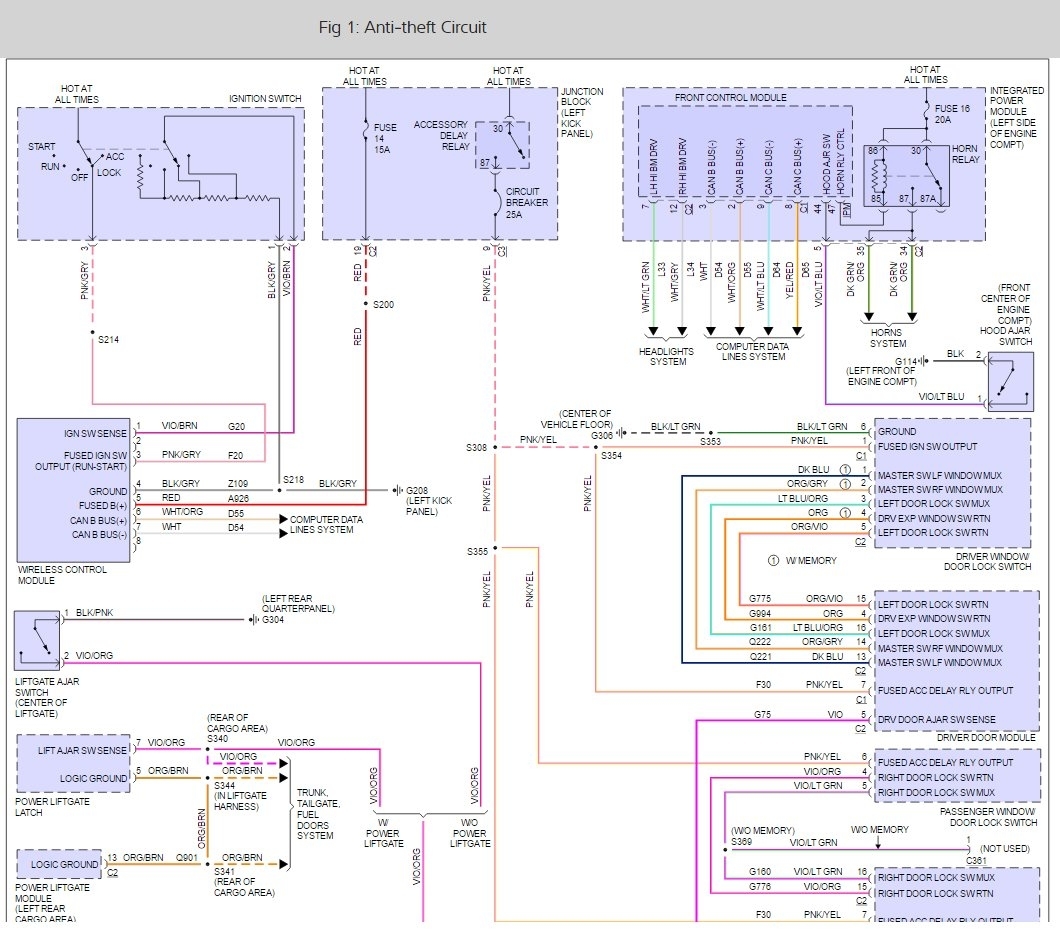
Here is a wiring diagram for the alarm system but I don't see a light anywhere, can you remove the bulb socket and test for power with a test light please. Also check all fuses and the relay.

https://www.2carpros.com/articles/how-to-use-a-test-light-circuit-tester

and

https://www.2carpros.com/articles/how-to-check-a-car-fuse

Please run some tests and get back to us so we can continue helping you.

Best, Ken
Feb 23, 2017 at 3:53 PM
Avatar
CINDER4062
  • MEMBER
  • 36 POSTS
okay after carefully checking the owners manual I found out that it's referred too as a security light. I then checked all of the fuse locations and didn't see it listed anywhere. Other than taking the whole dash apart I can't seem to find a way to even access the light or any wires that may be attached to it.
Feb 27, 2017 at 12:00 PM