Where is the starter relay and the fuse that controls the relay located?

2017 VOLKSWAGEN PASSAT
87,000 MILES
Avatar
MALLESO
  • MEMBER
  • 1 POST
Need exact location of starter relay and the fuse that controls the relay no diagrams on the car.
Jul 22, 2022 at 6:00 AM
Advertisement
Avatar
JACOBANDNICKOLAS
  • CERTIFIED EXPERT
  • 110,175 POSTS
Hi,

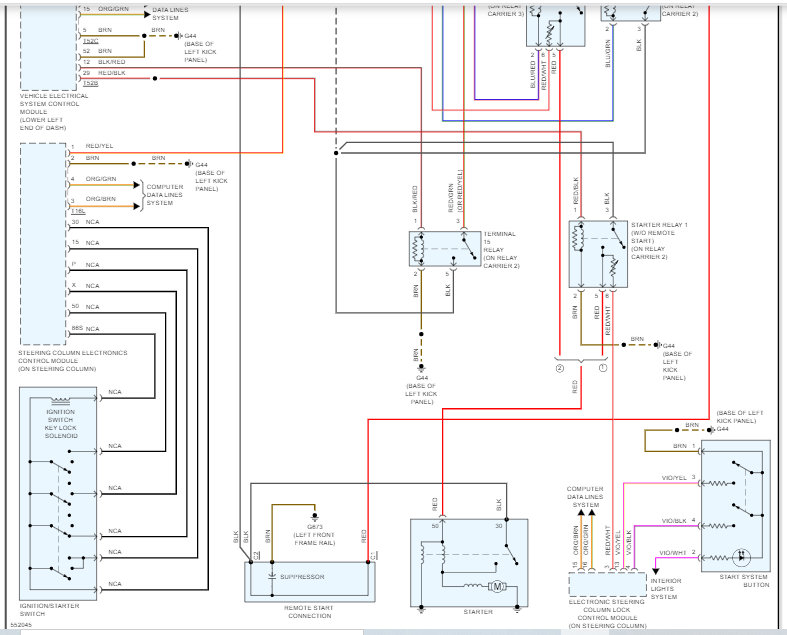
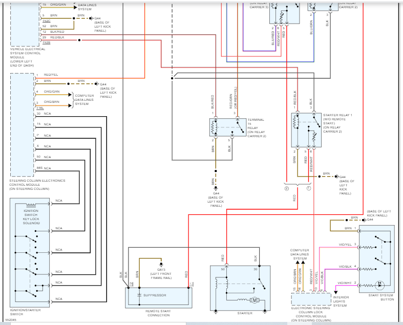
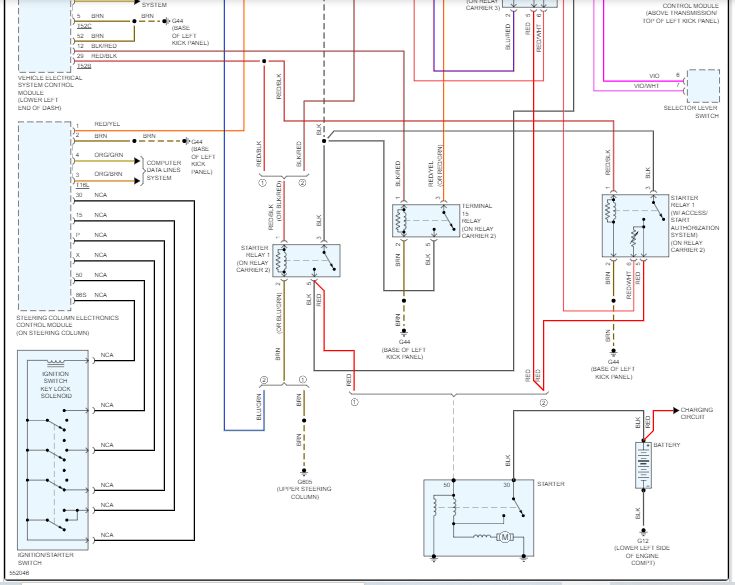
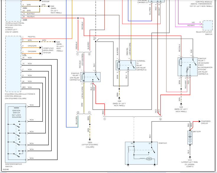
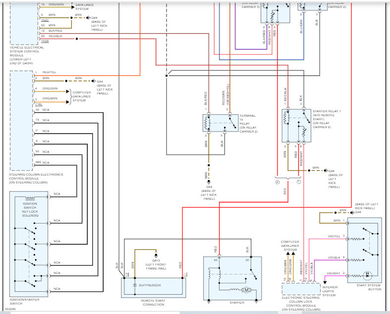
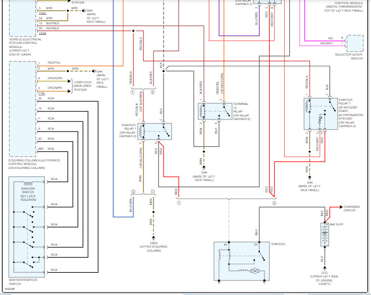
I'm not sure if you have the 4 or 6 cylinders. I attached the starter circuit schematic below for both. The first two pics are for the 4 cylinder and the second is the v6.

If you look through the schematic, it indicates the location s of fuses and relays.

Let me know if this helps or if you have other questions.

Take care,

Joe

See pics below.
Jul 22, 2022 at 8:46 PM