I need wire diagram for the fuse box under the hood for the vehicle listed above or a diagram with color code for each relay and fuse.
May 18, 2025 at 9:52 PM
Advertisement
STEVE W.
CERTIFIED EXPERT
15,113 POSTS
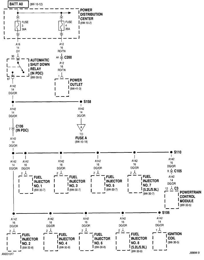
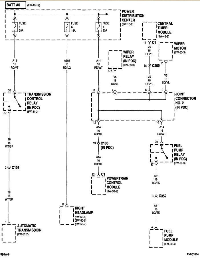
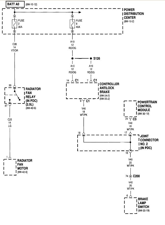
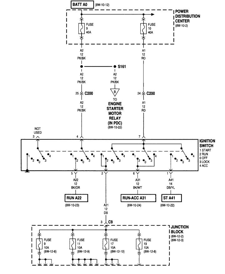
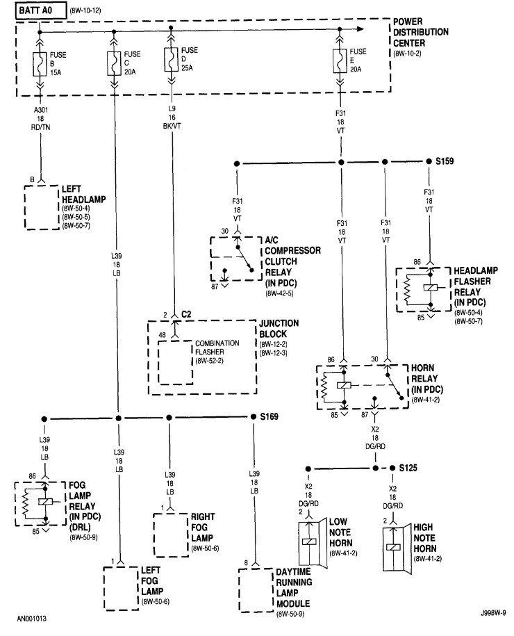
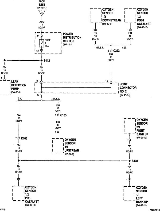
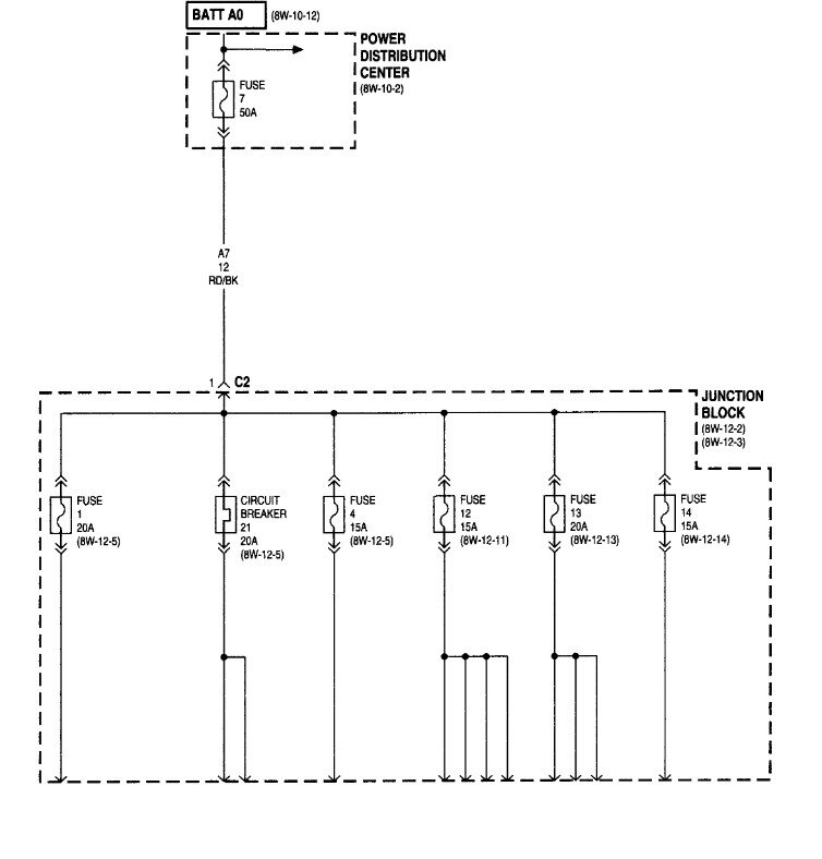
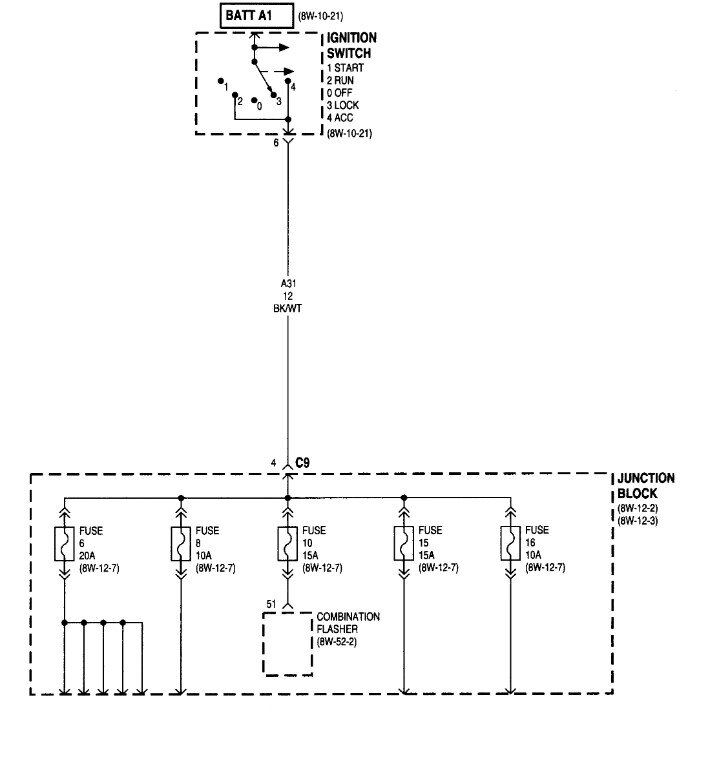
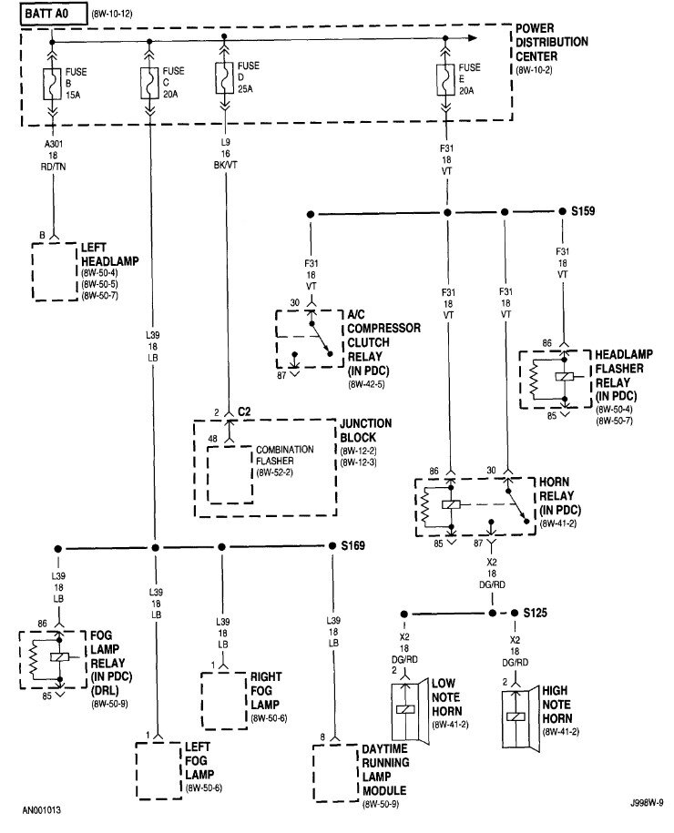
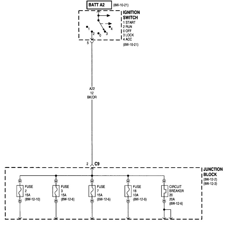
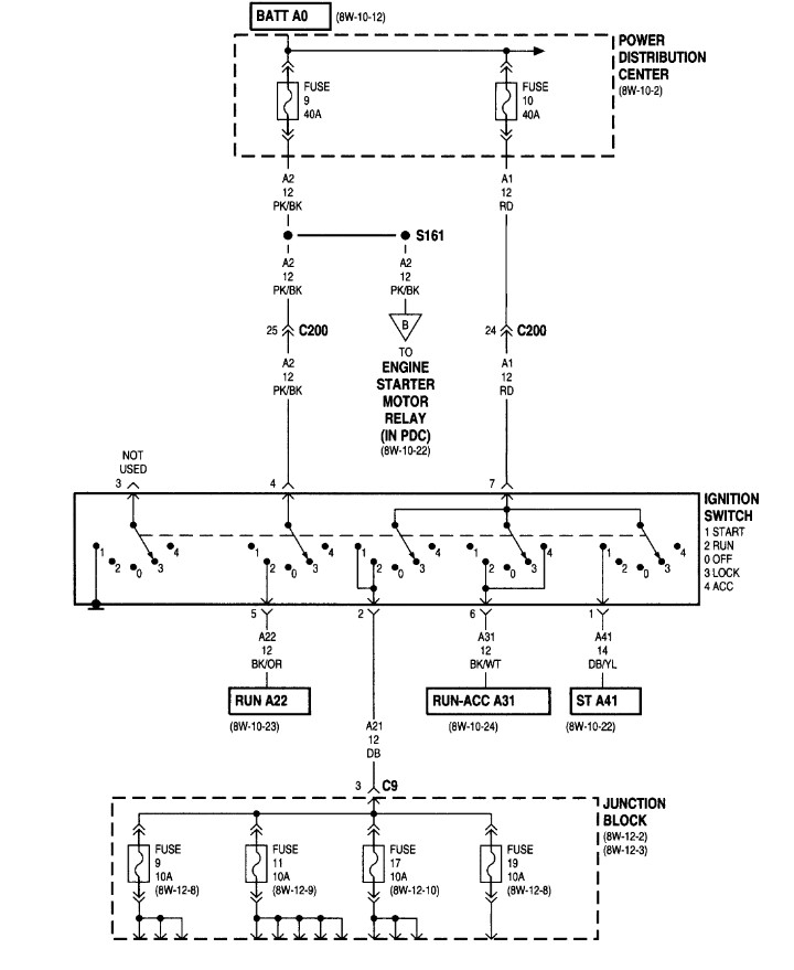
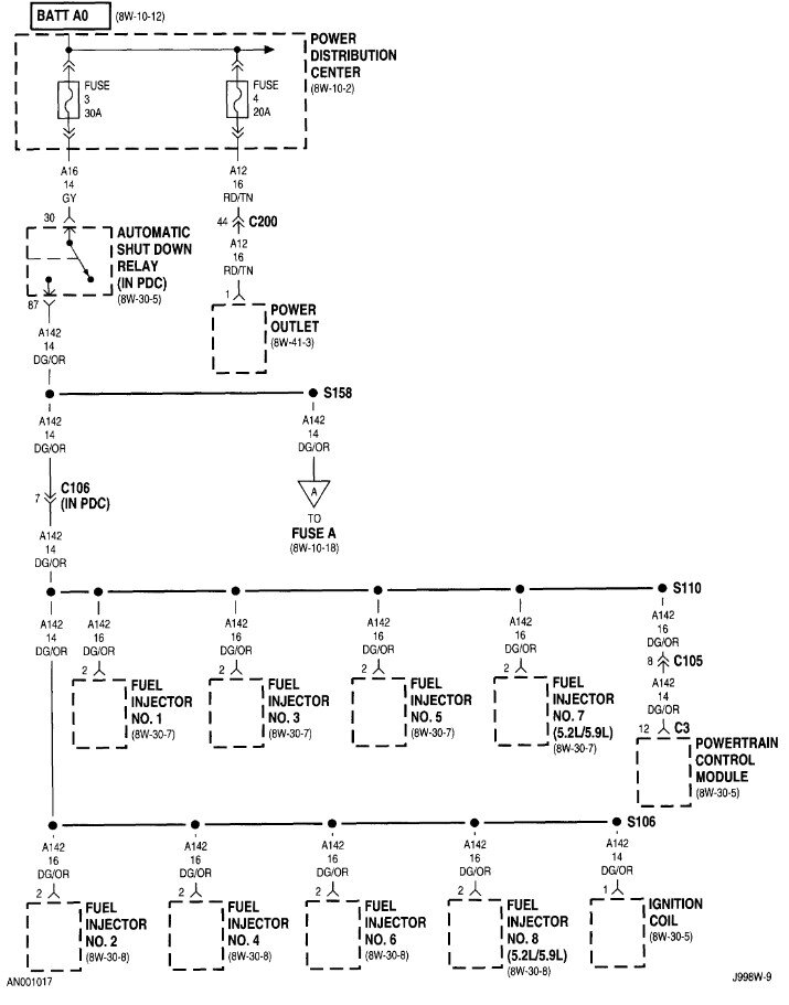
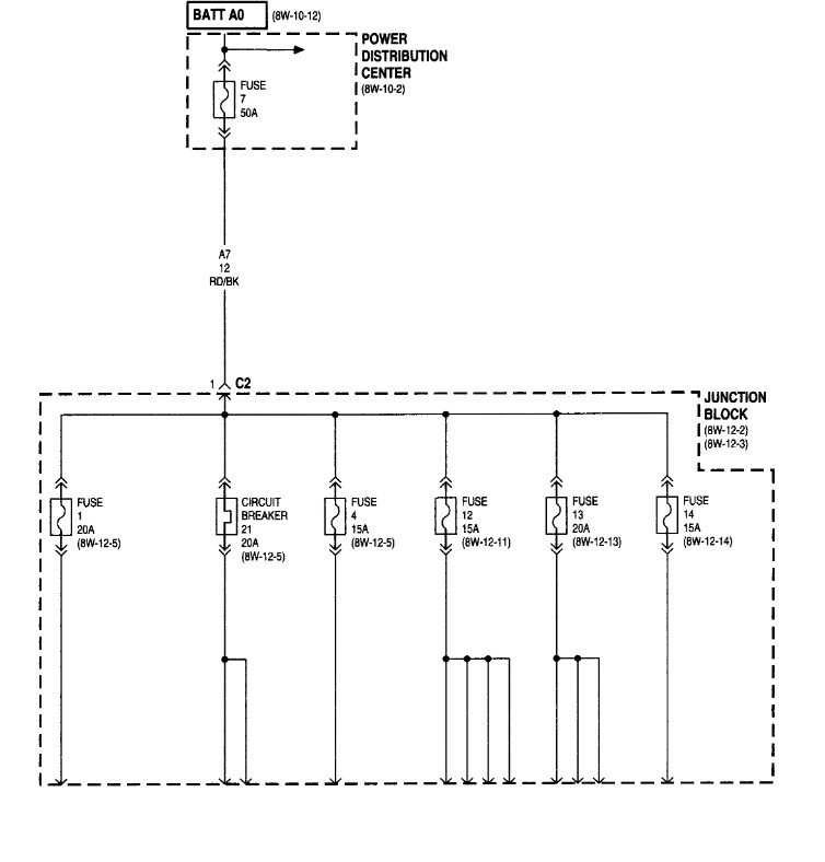
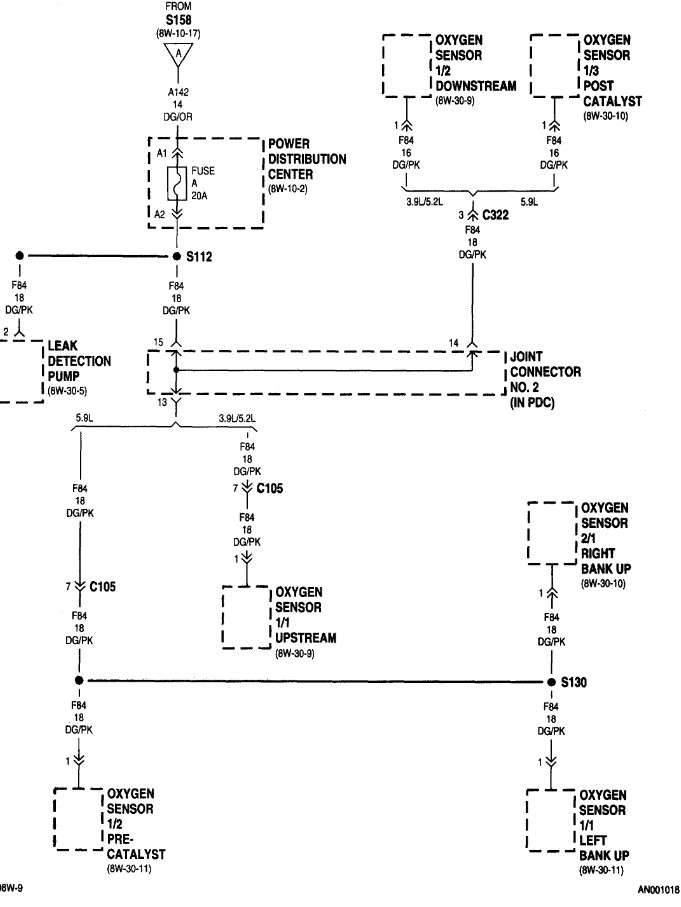
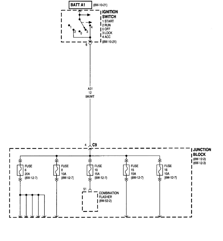
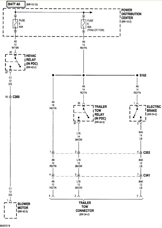
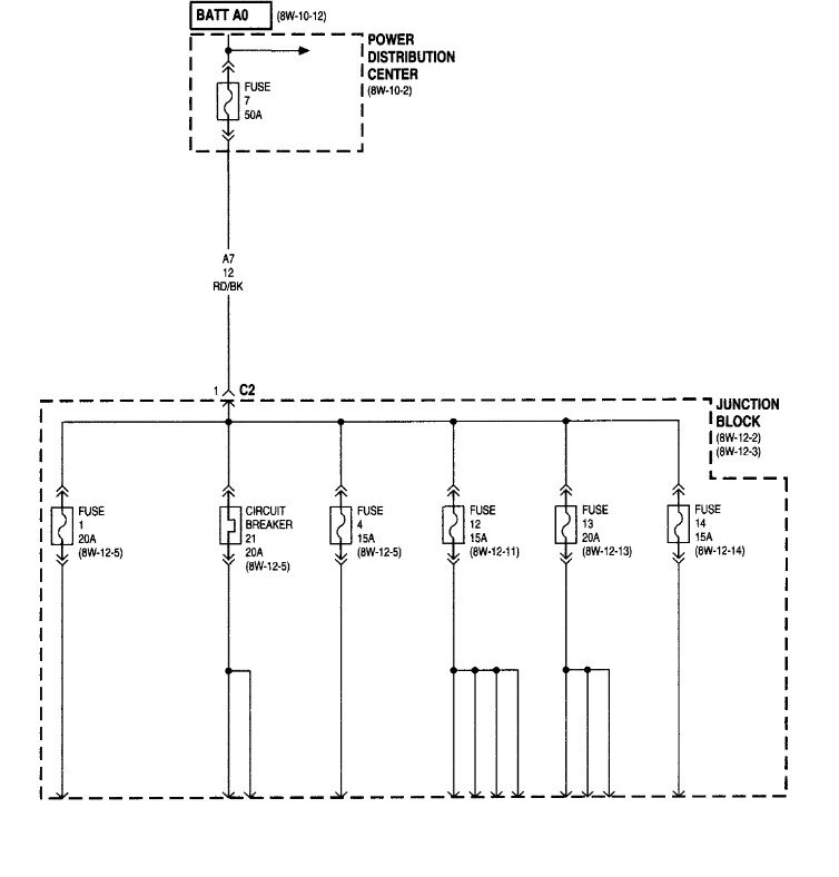
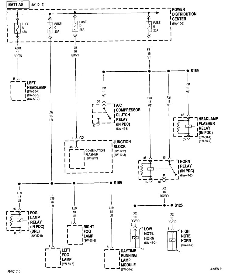
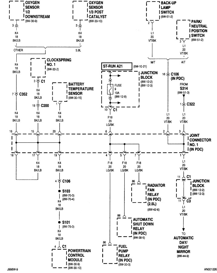
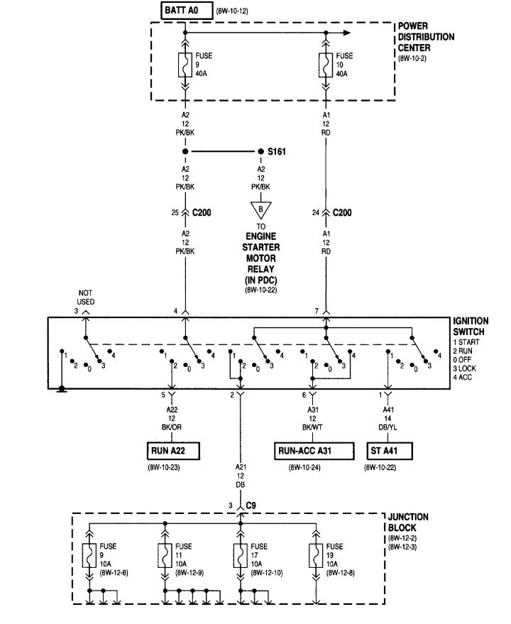
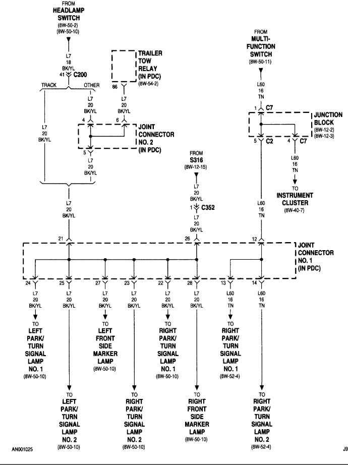
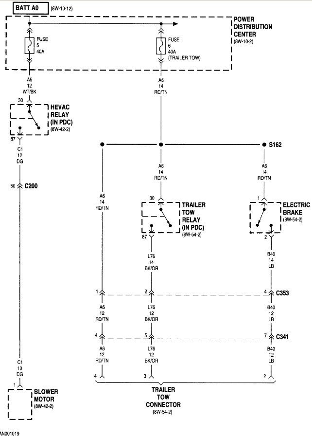
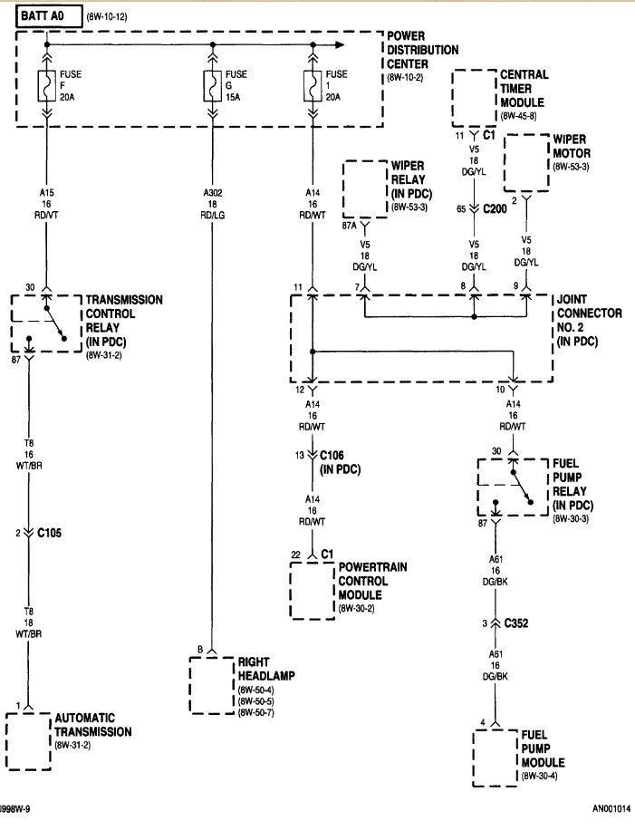
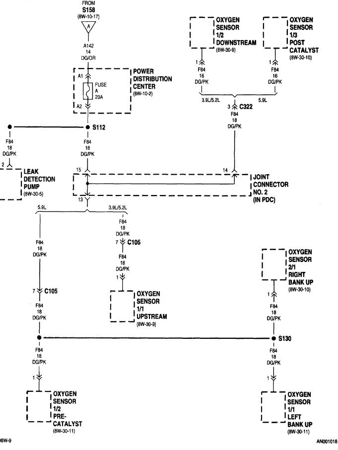
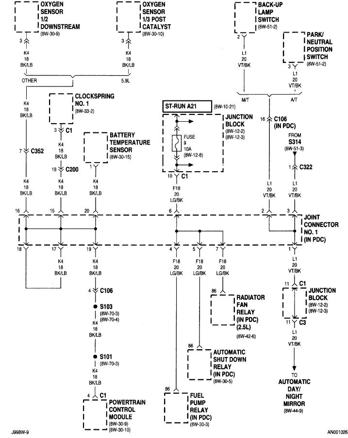
These are the diagrams for that unit and some of the other power distribution items it's connected to.
Images (Click to enlarge)
May 18, 2025 at 10:47 PM
ASANCHEZ4913
MEMBER
3 POSTS
Printed out unable to read need wire diagram for engine fuse box of each relay and color wire.
May 20, 2025 at 9:53 AM
Advertisement
STEVE W.
CERTIFIED EXPERT
15,113 POSTS
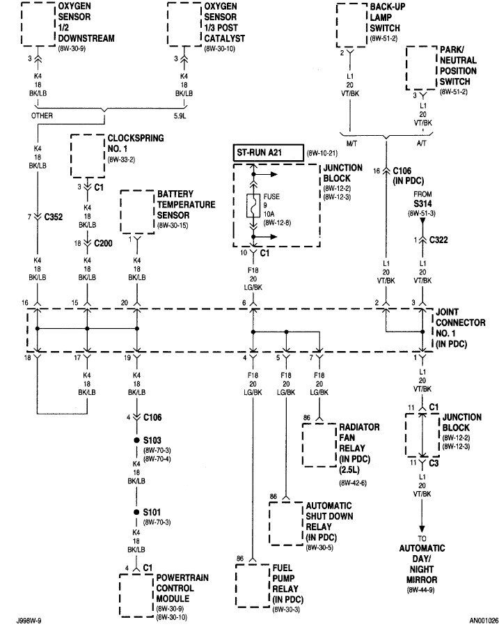
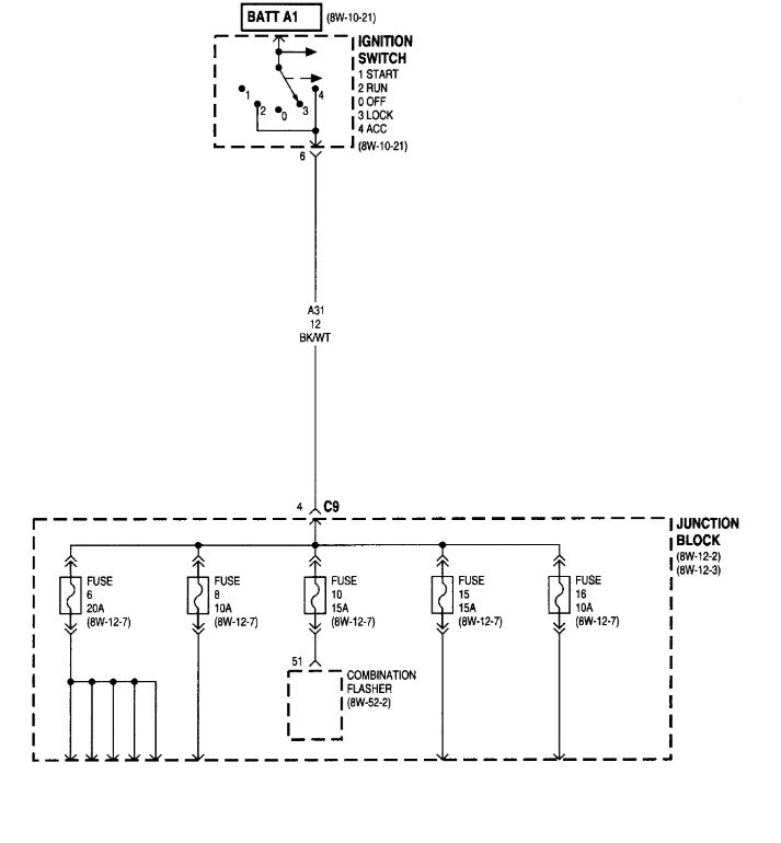
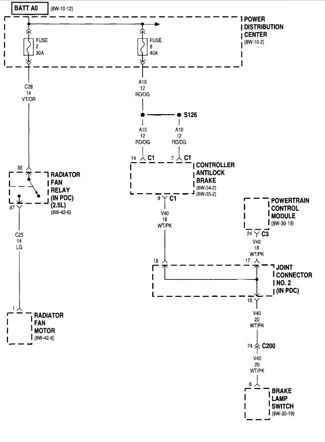
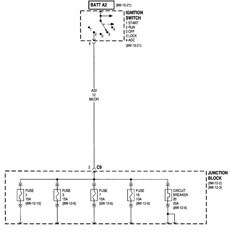
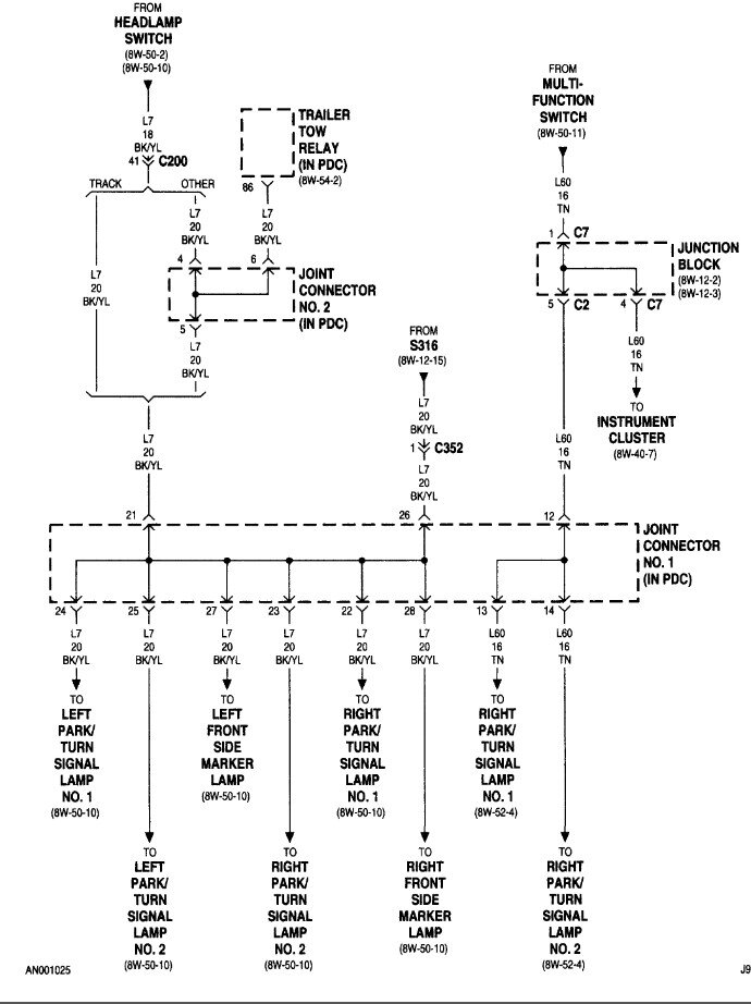
Try these, they may print better. These are all the fuses and what they power. The color code for the wires is also attached.
Images (Click to enlarge)
May 21, 2025 at 5:43 AM
ASANCHEZ4913
MEMBER
3 POSTS
Need wiring diagram for the fuse box in the engine compartment would like to find is a diagram with color coded connection to and from for each relay and fuses its a 1999 Dodge Dakota 5.2 v8 4x4 fuse box diagram
Trying to help a friend that his was dry rotted and not sure why but he decided to just cutt the fuse box out again I don't know why lol.