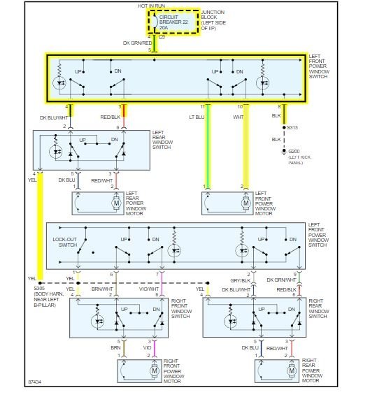
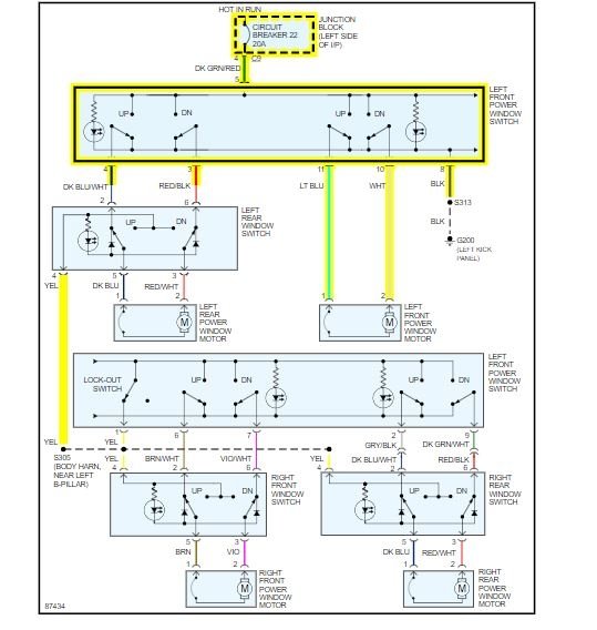
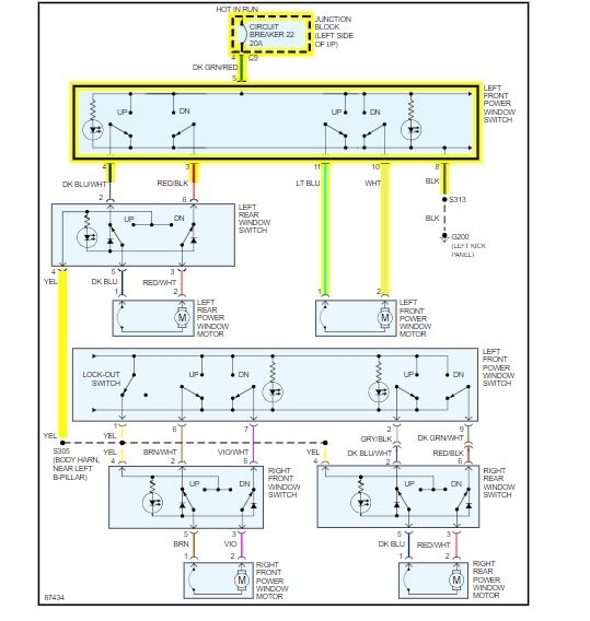
I have the car listed above and the power windows won’t go up or down. I checked the switch seems fine. I am getting power to the switch because the lights turn on on the switches but when I work the switches the lights on the switches dim. could this be a short in the master switch?
Apr 30, 2020 at 7:58 PM
