electric windows do not work?

2000 LINCOLN TOWN CAR
280,000 MILES • 4.6L • V8 • 2WD • AUTOMATIC
Avatar
REDBONE
  • MEMBER
  • 105 POSTS
When i try to roll up or down the windows don't work, but if i jump 30 an 87 the windows work. I replaced the relay with a new relay but still won't work. What would cause that?
Jun 21, 2025 at 2:49 PM
Advertisement
Avatar
STRAILER
  • CERTIFIED EXPERT
  • 53,855 POSTS
The lighting control module signals the window relay to work (ground) so it can be bad. How are the lights working? If you are having issues with the lighting, I would replace the lighting control module, here is its location if you need it. I would check all fuses as well with the key on. Check out the images (below). Please let us know what happens.
Jun 22, 2025 at 12:50 PM
Avatar
REDBONE
  • MEMBER
  • 105 POSTS
All the lights are working brake, headlights, turn signal, etc. But none of the windows will work with the master switch or using the doors window switch. is there a way to test the lighting control module?
Jun 27, 2025 at 2:06 PM
Advertisement
Avatar
REDBONE
  • MEMBER
  • 105 POSTS
I also checked all the fuses, and they are all good, could it be a ground somewhere?
Jun 27, 2025 at 2:15 PM
Avatar
STRAILER
  • CERTIFIED EXPERT
  • 53,855 POSTS
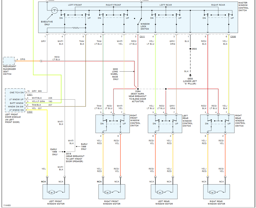
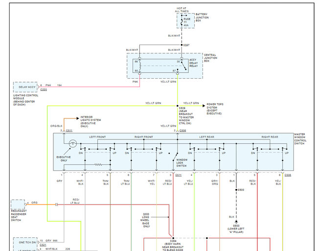
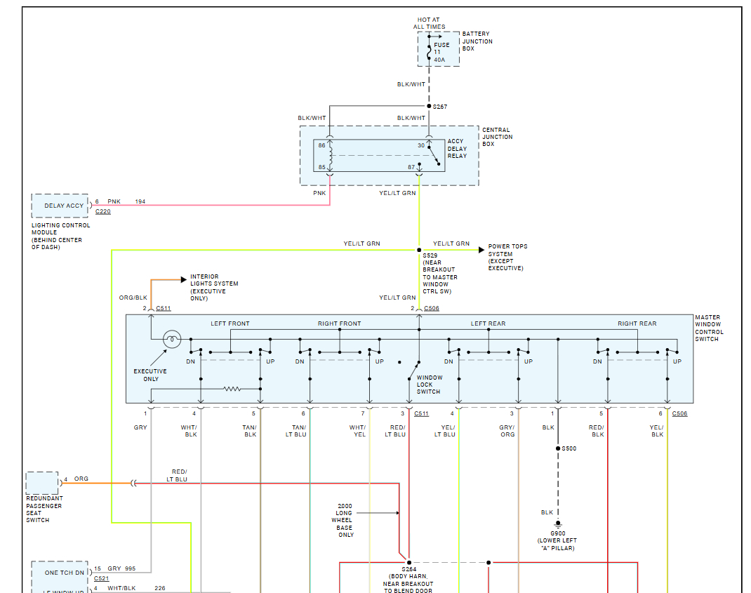
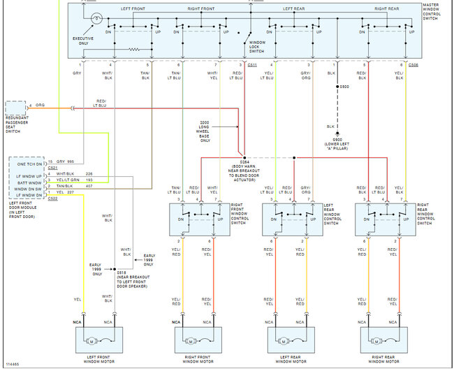
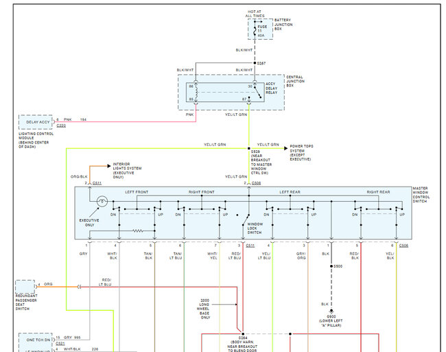
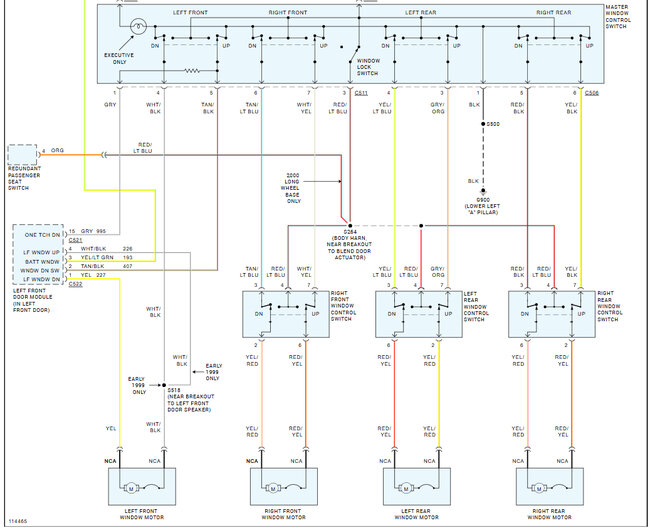
With the key on you should have power to the yel/lt grn wire, if not I would check the accy delay relay and the fuse #11 in the panel under the hood. Here is a wiring diagram of the system so you can see how it works and what I am talking about. Check out the images (below). Let us know how it goes.
Jun 28, 2025 at 10:26 AM