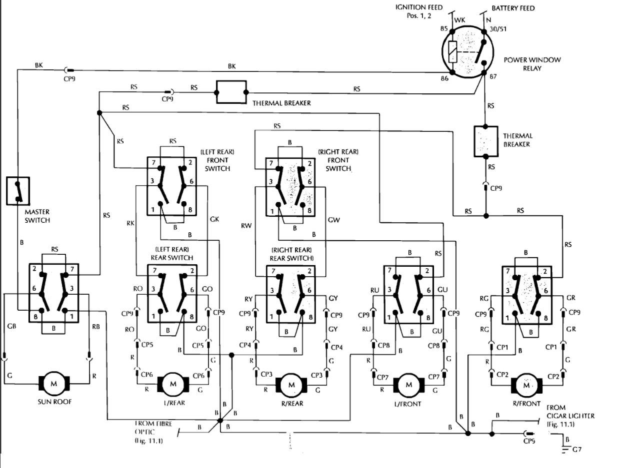
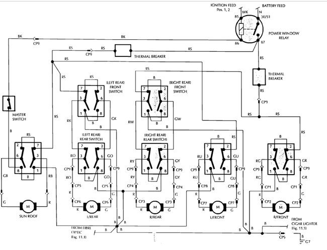
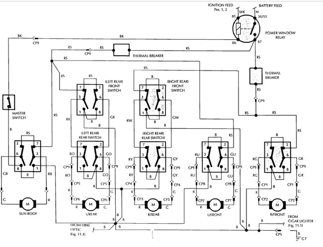
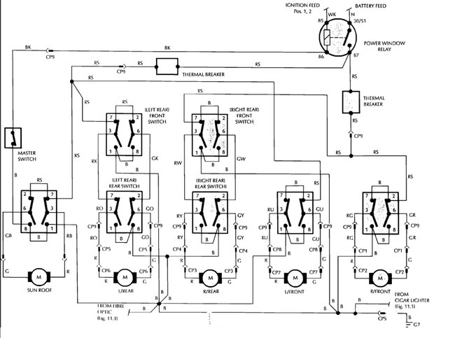
Electric window, sunroof

1986 JAGUAR SOVEREIGN
67,000 MILES • 4.2L • 6 CYL • RWD • AUTOMATIC
Avatar
FARNERC
  • MEMBER
  • 2 POSTS
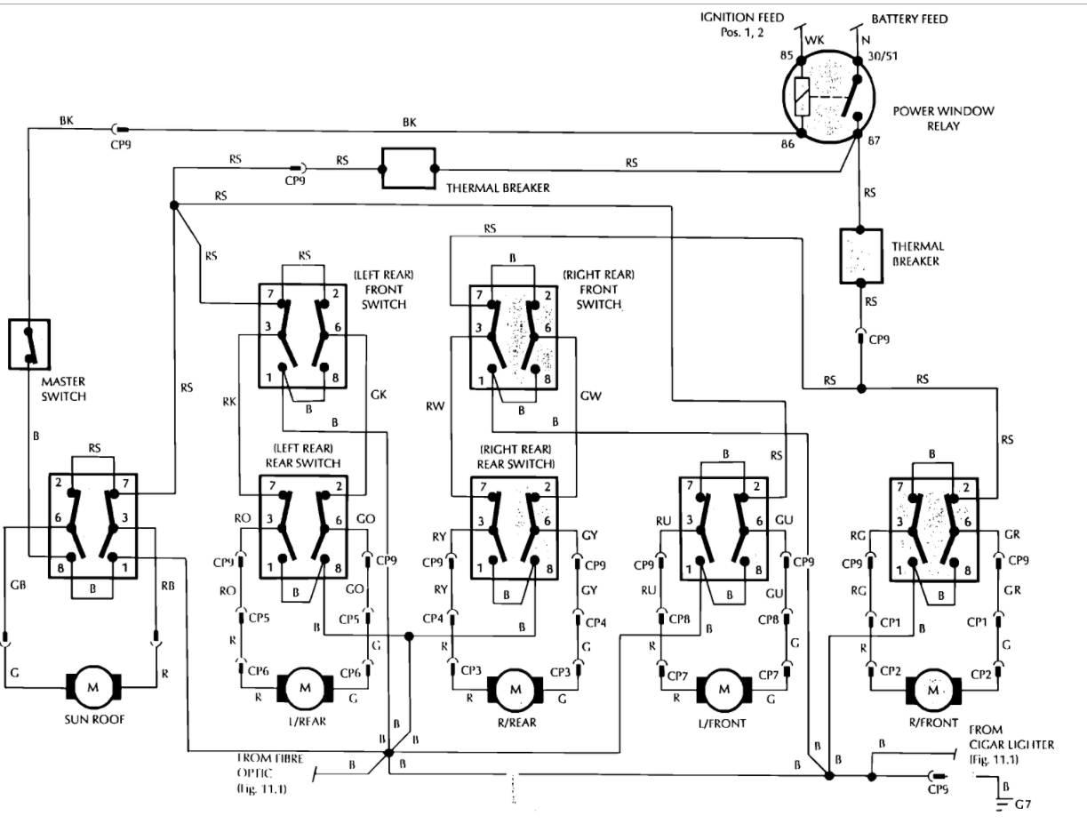
The windows and the sunroof do not operate.
What should I do to troubleshoot or find the problem? Be specific.
Which fuse would operate the windows, and location?
I am not sure what or where the relay would be, per some of the comments read.

What is the difference in V12, V6?
Aug 21, 2017 at 4:24 PM
Advertisement
Avatar
STRAILER
  • CERTIFIED EXPERT
  • 53,854 POSTS
A V12 has twelve cylinders while a V6 has six.

Here are the wiring diagrams and fuse locations for the windows and the sun roof with a guide on how to check the fuses and the wiring:

https://www.2carpros.com/articles/how-to-check-a-car-fuse

and

https://www.2carpros.com/articles/how-to-use-a-test-light-circuit-tester

and

https://www.2carpros.com/articles/how-to-check-wiring

Please let us know what happens.

Cheers, Ken
Aug 22, 2017 at 2:36 PM