I just got done installing the ashtray in my vehicle .not an easy job. upon completion, I noticed my electric seats are no longer working, neither of them! I do not believe I came into contact with any connections, etc., (which I may have broken) during the ashtray repair, so I am stunned at the timing of this failure. The car seats worked fine just this morning and all I did was install the ashtray into the console (as the old ashtray had been removed and the dash disassembled a week ago. At a loss here. thanks!
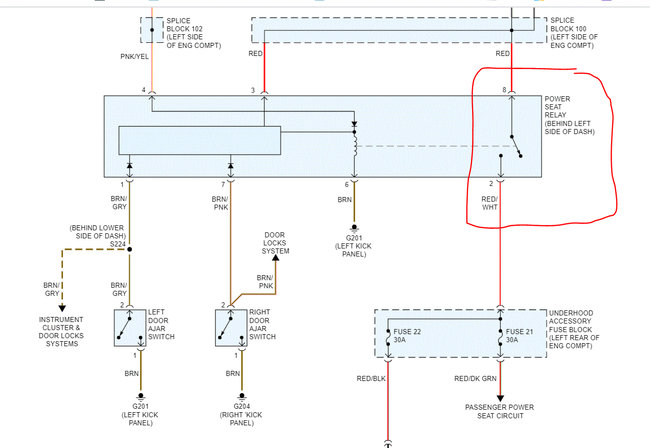
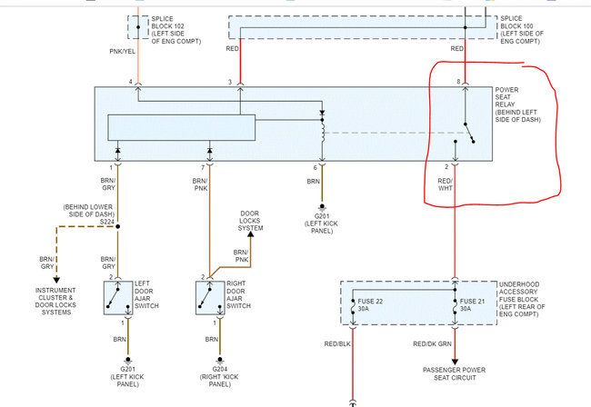
After waiting a half hour or so they began working again. I believe now that I have an intermittent relay involved. Any clue where the relay is located?? Thanks again!
After waiting a half hour or so they began working again. I believe now that I have an intermittent relay involved. Any clue where the relay is located?? Thanks again!
Jul 18, 2020 at 1:59 PM
