Electric door lock problem

2006 MAZDA 6
135,000 MILES • 2.3L • 4 CYL • MANUAL
Avatar
EDUARDOMORAZAN
  • MEMBER
  • 3 POSTS
The door locks have stopped working as well as intermediate working of the parking and turn signals. What could be causing this?
May 30, 2016 at 4:28 PM
Advertisement
Avatar
JACOBANDNICKOLAS
  • CERTIFIED EXPERT
  • 110,175 POSTS
I am not sure what you are saying happened. Can you better describe the problem?
May 30, 2016 at 7:05 PM
Avatar
EDUARDOMORAZAN
  • MEMBER
  • 3 POSTS
Excuse my writing I so not speak English and I am using a translator, but try to explain better.



The problem is that the directional lights do not work as they should along with the parking lights.

Also, control locking of the locks on the doors stopped working and I assume that is the same problem.
May 30, 2016 at 7:25 PM
Advertisement
Avatar
JACOBANDNICKOLAS
  • CERTIFIED EXPERT
  • 110,175 POSTS
Have you checked all fuses?
May 31, 2016 at 8:48 PM
Avatar
EDUARDOMORAZAN
  • MEMBER
  • 3 POSTS

YES, I DID
I BELIEVE THAT MAY BE THE FLASHER , BUT NOT WHERE IS LOCATED TO LOOK FOR
May 31, 2016 at 9:30 PM
Avatar
STRAILER
  • CERTIFIED EXPERT
  • 53,854 POSTS
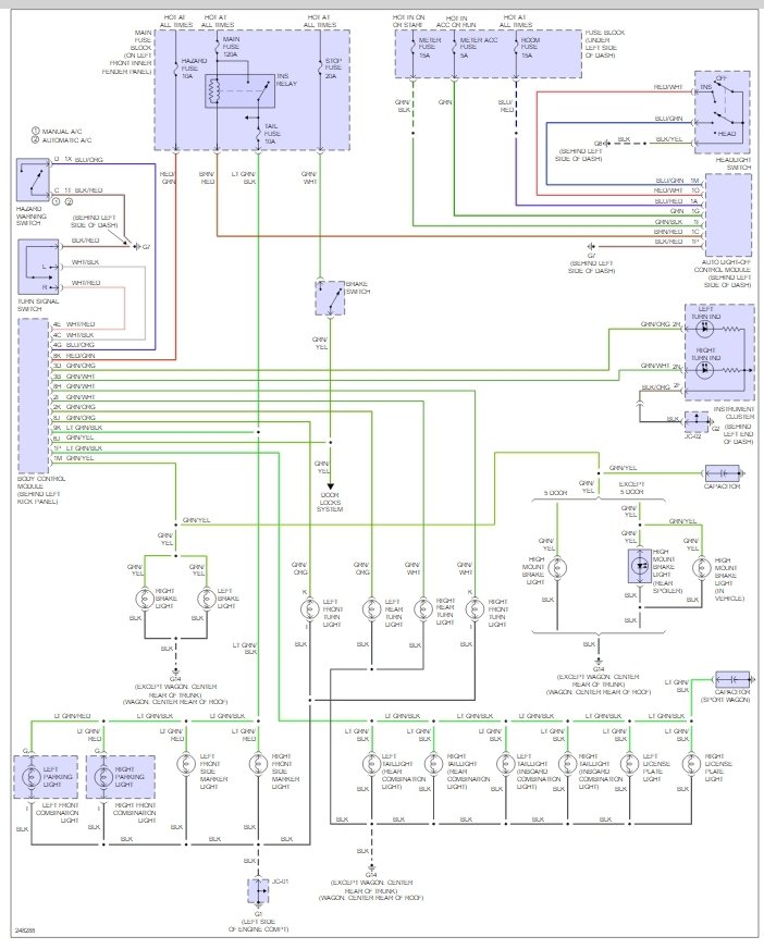
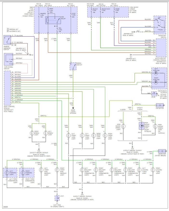
It sounds like the multi function switch or the BCM has failed causing the parking lights and directional light not to work along with the door locks. Here is a couple wiring diagrams.

Let us know what you find

Best, Ken
Jun 1, 2016 at 2:57 PM