electric problem

2005 GMC SIERRA
160,000 MILES • 5.3L • V8 • 4WD • AUTOMATIC
Avatar
MECANO1505
  • MEMBER
  • 2 POSTS
Battery lights on, radio on, shifter lights on, even switch off .take off windshield washer relay everything goes off.
Sep 9, 2019 at 2:06 PM
Advertisement
Avatar
JACOBANDNICKOLAS
  • CERTIFIED EXPERT
  • 110,175 POSTS
Welcome to 2CarPros.

I attached a picture of the wiring schematic. Honestly, I see nothing that makes sense. The only thing I would check is the ground. It's possible that when the relay is plugged in, it is allowing power to back flow through the relay to ground. When you remove it, ground is lost. It's a long shot but worth checking.

Also, if you haven't already, check the relay itself. If you can, switch the relay with another one with the same part number. If there isn't one, here is a link that explains how to check a relay:

https://www.2carpros.com/articles/how-to-check-an-electrical-relay-and-wiring-control-circuit

Here are a few links you may find helpful:

https://www.2carpros.com/articles/how-to-use-a-test-light-circuit-tester

https://www.2carpros.com/articles/how-to-use-a-voltmeter

https://www.2carpros.com/articles/how-to-check-wiring

Let me know what you find.

Joe

Sep 10, 2019 at 6:22 PM
Avatar
MECANO1505
  • MEMBER
  • 2 POSTS
Hi, when l unplug the small white wire on the terminal of the wiper motor all the lights are off. do you know the function of this wire or a wiring diagram? thanks to you for your help.
Sep 13, 2019 at 6:31 PM
Advertisement
Avatar
JACOBANDNICKOLAS
  • CERTIFIED EXPERT
  • 110,175 POSTS
Welcome back:

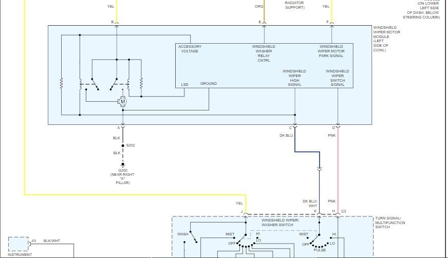
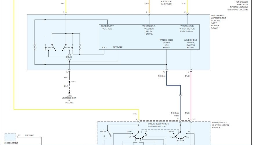
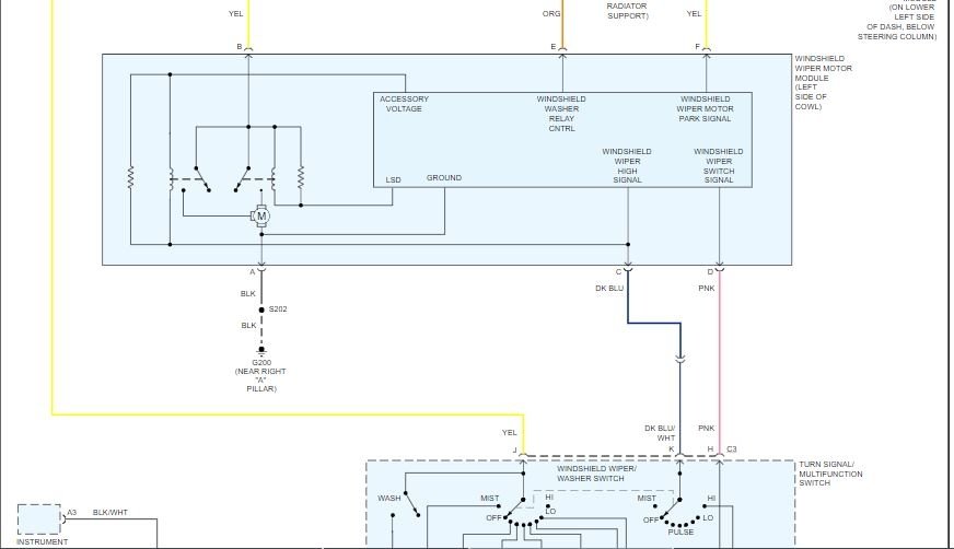
I attached the schematic for the wiper system. I had to break it into 3 pics for it to be readable, but I did overlap them so you could follow them.

Now, there are no "White wires". There is a dark blue and white, and the ground is black and white, but nothing specifically white. There is a yellow one. Could that be faded and appear white?

Take a look and let me know if I can help.

Joe
Sep 13, 2019 at 6:52 PM