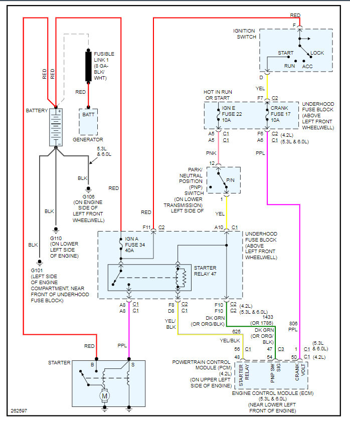
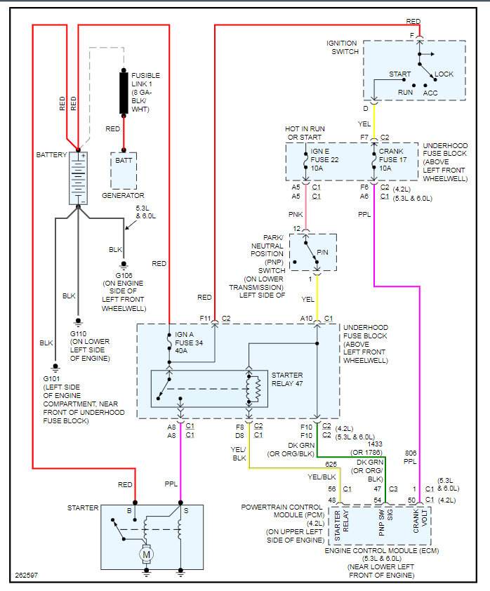
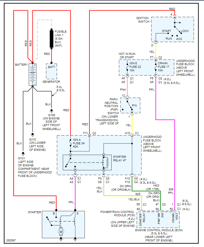
on ignition position 1 and then 2 all lights on dash work radio as well, but when i turn the key to start all electricity goes out completely no noise to it. key gets stuck needs to be jumped after.
Jul 5, 2020 at 2:36 PM

