headlights and the dash are on blinking, clicking in the dash sounds?

2001 CHEVROLET MONTE CARLO
200,000 MILES • 3.8L • 6 CYL • 2WD • AUTOMATIC
Avatar
VINNI SWARTZWELDER
  • MEMBER
  • 1 POST
There is a clicking in the dash sounds like it's coming from some type of relay in the fuse box that's to the left of my steering wheel, lights on the dash are on blinking headlights just running terribly. Does anyone know what the exact relays are and what they do in the left fuse box? How can I fix these issues?
Oct 23, 2022 at 12:58 PM
Advertisement
Avatar
STRAILER
  • CERTIFIED EXPERT
  • 53,854 POSTS
This happens when the BCM goes out, but to be sure we should perform a CAN scan which is easy to do. You can get a CAN scanner (Controller Area Network) from Amazon for about $36.00.

Here is a video to show you how:

https://youtu.be/u-4syLc-ifQ

and

https://www.2carpros.com/articles/can-scan-controller-area-network-easy

Amazon CAN scanner link for about $35.00.

https://amzn.to/3R9lJ60

Here is how to change the BCM out which you can find a preprogrammed unit if you search Google or Ebay.

BODY CONTROL MODULE (BCM) PROGRAMMING/RPO CONFIGURATION
During Body Control Module (BCM) related service, use the procedures below to set-up the BCM correctly. Read these procedures carefully and completely before starting the setup procedure.

Setup New Body Control Module (BCM)

Important: Read this procedure carefully and completely.

The BCM will not function properly if the Setup New BCM procedure is not performed.

Perform the Programming Theft Deterrent System Components procedure after successfully finishing the Setup New BCM procedure.

Refer to Programming Theft Deterrent System Components. See: Vehicle > Programming and Relearning > Programming Theft Deterrent System Components

If the procedure is not performed after a BCM replacement, the following conditions may occur:
- The vehicle will not be protected against theft by the Pass lock system.
- The engine will not crank or start.

1. Connect a Scan Tool (Tech 2) to the Data Link Connector (DLC).

2. Turn the ignition switch on.

3. Select Diagnostics and input all of the required data when prompted by the Scan Tool (Tech 2).

4. Select BODY CONTROL MODULE.

5. Select SPECIAL FUNCTIONS.

6. Select Setup New BCM.

7. Note, Input all of the required data when prompted by the scan tool.

8. Select Setup SDM Part Number in BCM, and follow the onscreen directions.

9. Select New VIN, and follow the onscreen directions.

10. Select Option Configuration, and follow the onscreen directions.

11. Select Point of Sale, and follow the onscreen directions.

12. Exit back to the SPECIAL FUNCTIONS menu.

13. When the BCM, VIN, Point of Sale and Option Configuration have been entered, proceed with the Theft Deterrent Re-learn procedure.

14. If the scan tool displays UNABLE TO PROGRAM BCM. BCM IS SECURED, then the BCM must be replaced and this procedure must be repeated on a new BCM.

NOTE: After the completing the above procedure , personalization of the BCM defaults to default settings. Inform the customer that the personalization settings must be reset.

Programming Theft Deterrent System Components
Refer to Programming Theft Deterrent System Components. See: Vehicle > Programming and Relearning > Programming Theft Deterrent System Components

Important: After programming, perform the following to avoid future misdiagnosis:

1. Turn the ignition OFF for 10 seconds.

2. Connect the scan tool to the data link connector.

3. Turn the ignition ON with the engine OFF.

4. Use the scan tool in order to retrieve history DTCs from all modules.

5. Clear all history DTCs.

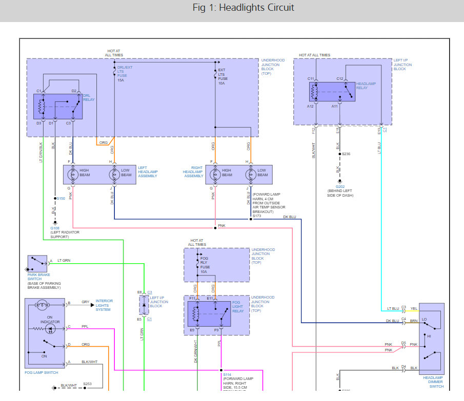
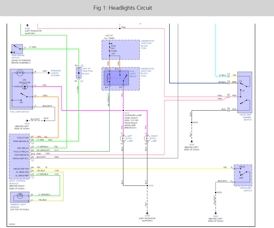
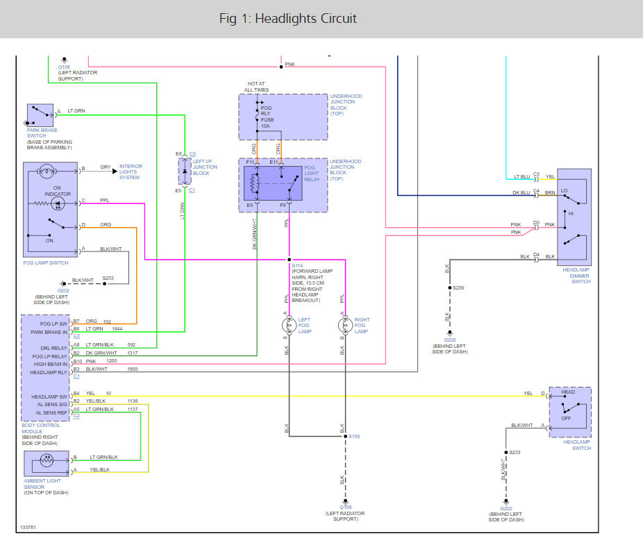
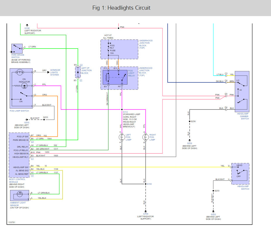
Check out the images (below). Let us know what happens and please upload pictures or videos of the problem.
Oct 24, 2022 at 9:27 AM