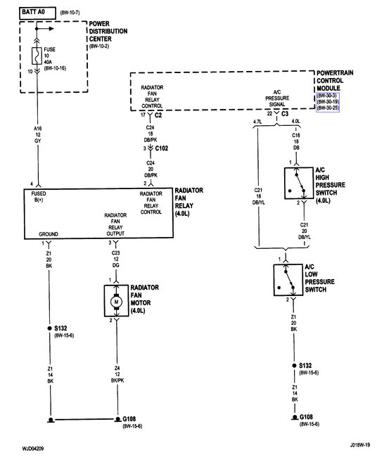
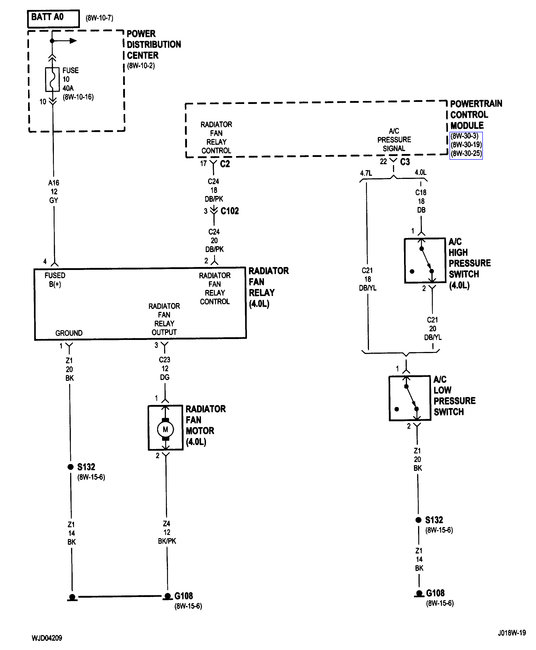
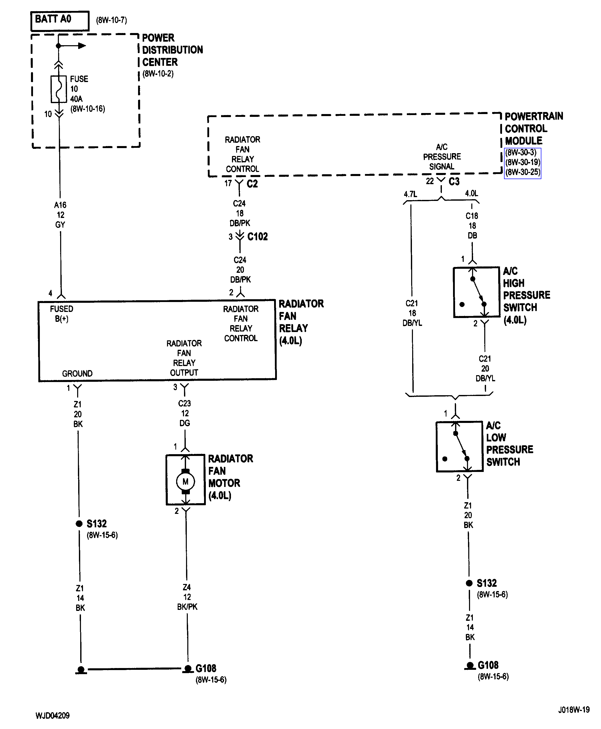
Electric fan is not working. i have a mechanical clutch fan also installed and it does work. i have an automotive logic probe and it will only turn green when i touch either wire. the electric fan does not come on at all, even when touching the wires directly with the logic probe. am i doing something wrong? how do i test the fan vs testing the relay in hopes of isolating and repairing the problem?
Mar 30, 2018 at 11:03 PM

