Hatch door does not unlock

2000 LEXUS RX 300
160,000 MILES
Avatar
JOE MASSEY
  • MEMBER
  • 1 POST
Remote electric key. Can hear it unlock all doors but hatch door did not unlock. I tried with key in key slot but would not unlock.
Jan 13, 2020 at 6:44 PM
Advertisement
Avatar
KASEKENNY
  • CERTIFIED EXPERT
  • 18,907 POSTS
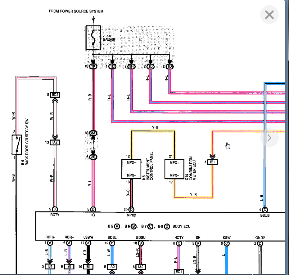
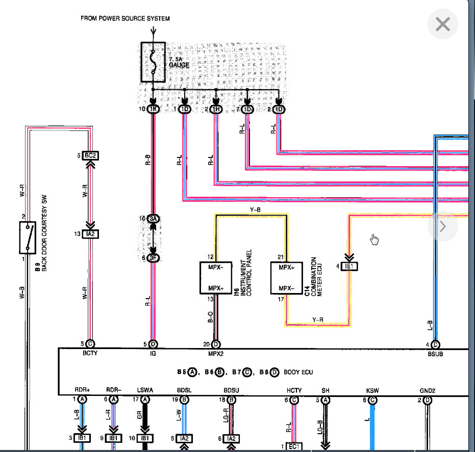
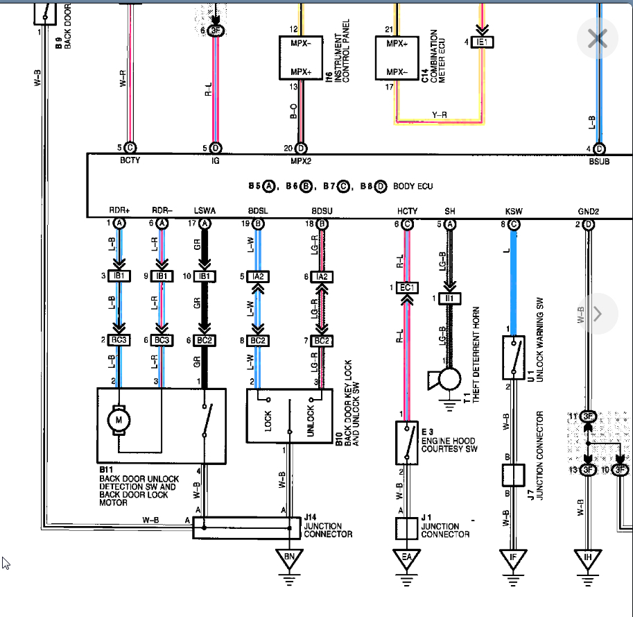
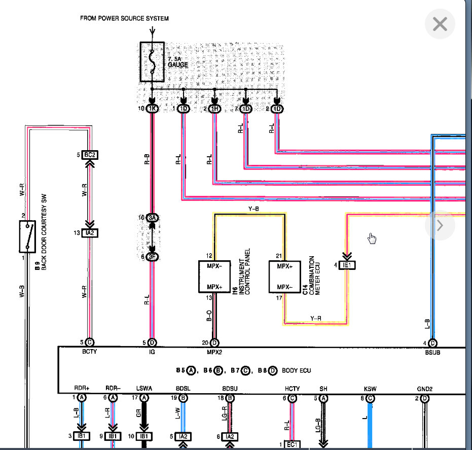
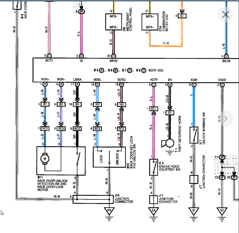
If the key doesn't unlock it either then the actuator is seized or the lock arm is not connected. Either way we need to take the panel apart and see what is happening back there. We can be pretty confident that the issue is back there because this is the only lock with the issue.

Here is the info that you will need to remove the panel and access the actuator and lock cylinder. Let me know if you have questions.
Jan 14, 2020 at 4:04 PM