Electric cooling fans not working

2007 CHEVROLET SILVERADO
150,000 MILES • 4.8L • V8 • 4WD • AUTOMATIC
Avatar
MONTANAC130CREWCHIEF
  • MEMBER
  • 1 POST
2007 Silverado LT 4.8L new body style. Electric Radiator fans do not come on when engine is hot nor after turning off, will only come on when AC is turned on. Engine runs correct temp while air flows through radiator at highway speed or when AC is turned on (thus fan is on). Replaced the temperature sending unit. Replaced the Fan Controller Relay. When I turn on the AC, I can feel the HI Fan Relay click just before the fans come on with AC on, so I switched the HI & LO Fan Relays, same scenario. As long as I run with the AC on, the temp stays at 210 on the guage. I can't see any visible leaks but when I shut her down I can smell coolant. But have never seen even a drop on the ground. No codes get thrown and I bought a tuner to change the parameter for when the cooling fan come on. Still won't come on. I'm completely stumped.
Apr 10, 2016 at 6:58 AM
Advertisement
Avatar
HMAC300
  • CERTIFIED EXPERT
  • 48,601 POSTS
Hello,

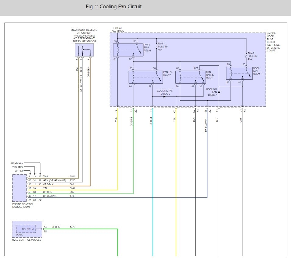
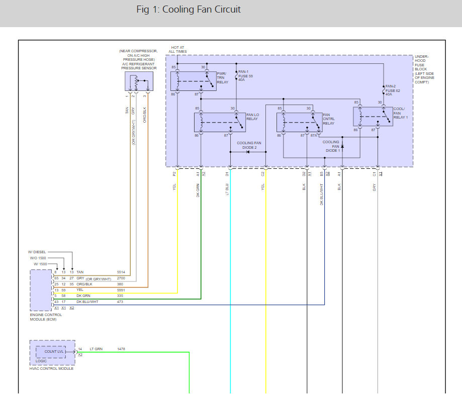
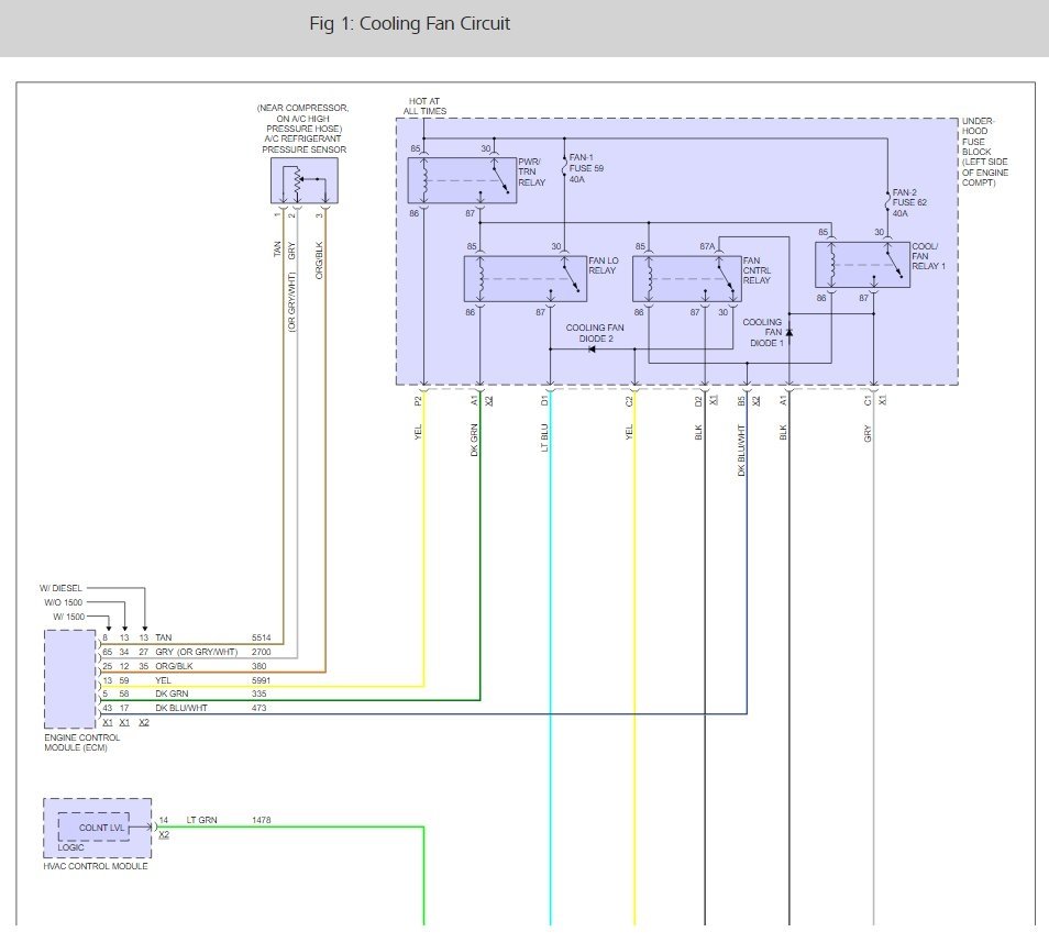
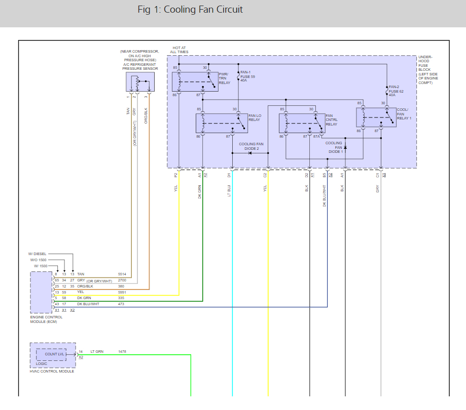
It sounds like the PCM fan control driver has gone bad not triggering the relay when hot. I would plug in a used/rebuilt PCM to see what happens here is the location of the PCM in the diagrams below. Check out the diagrams (Below). Please let us know what happens. Also I have included the fan wiring diagrams so you can see how thehyetems works.

Apr 10, 2016 at 8:34 AM
Avatar
BOOPERIII
  • MEMBER
  • 1 POST
Same problem and had to replace the PCM with a rebuilt unit cost me $175.00
Jan 7, 2019 at 5:44 PM
Advertisement
Avatar
KEEBONMAD
  • MEMBER
  • 1 POST
The electric cooling fans do not work. Where are the relays and fuses found on this vehicle? Do you have a wiring diagram of this circuit?
Jan 7, 2019 at 5:45 PM (Merged)
Avatar
JDL
  • CERTIFIED EXPERT
  • 16,098 POSTS
Can you check applicable trouble codes? To check codes, yourself, at the least, you need an obd2 code reader. Some of the national brand auto stores will check codes for free? Here is a guide to help check the relay and the location featured below.

https://www.2carpros.com/articles/how-to-check-an-electrical-relay-and-wiring-control-circuit

Let me know,
Jan 7, 2019 at 5:45 PM (Merged)
Avatar
JDL
  • CERTIFIED EXPERT
  • 16,098 POSTS
I looked at info for 6.0L Silverado--1500.
Jan 7, 2019 at 5:45 PM (Merged)
Avatar
MEADE01
  • MEMBER
  • 1 POST
The engine is running hot and the right cooling fan never turns on. I have swapped the fan connectors and when I do the right fan will run but not the left one. So I know the fan isn't bad. It is something in the circuit that is keeping it from coming on. Which relay etc. is for the right fan?
Jan 7, 2019 at 5:45 PM (Merged)
Avatar
CJ MEDEVAC
  • CERTIFIED EXPERT
  • 11,004 POSTS
i grabbed you a diagram of the cooling fan system from "prodemand"

it shows all of the components and locations

surely, you can get 'er done now!

waiting to see your grin!

the medic
Jan 7, 2019 at 5:45 PM (Merged)
Avatar
STUSKIWITZ
  • MEMBER
  • 1 POST
Electric cooling fans only work with AC on. What sensor controls these fans when AC is not on? Where is it located? Thanks, Paul
Jan 7, 2019 at 5:45 PM (Merged)
Avatar
STRAILER
  • CERTIFIED EXPERT
  • 53,854 POSTS
The cooling fans are controlled by the engine computer and are driven from the coolant temperature sensor which is located in the diagram below.
Jan 7, 2019 at 5:45 PM (Merged)
Avatar
2CP-ARCHIVES
  • MEMBER
  • 4,540 POSTS
My coolant fan are not working I was going to change the relay for it but it has three relays.what relay do you replace or should you replace all three?
Jan 7, 2019 at 5:45 PM (Merged)
Avatar
SATURNTECH9
  • CERTIFIED EXPERT
  • 30,869 POSTS
I would check the coolant temp sensor before the relay or the fan motor itself.
Jan 7, 2019 at 5:45 PM (Merged)
Avatar
SHADOWEN1
  • MEMBER
  • 15 POSTS
Engine Cooling problem V8 Four Wheel Drive Automatic 14500 miles

I have an 07 silverado classic with OEM electric cooling fans. The fans run constantly. As soon as the engine starts the fans come on and run on low for about 5 seconds and then kick up to high until I shut off the engine. I have replaced the coolant temp sensor, the relays in the aux fuse box and checked the radiator sensors which seem to be good. I checked the wiring and it all looks good. I am at a loss. What else could it be.

When you first start the engine both fans come on at low speed for about 5 seconds and then both go up to high speed until you turn the truck off. I have replaced all three relays and no dice. I have looked for a short or spliced wire but have not found any. That is why I am so stumped on this.
Jan 7, 2019 at 5:46 PM (Merged)
Avatar
BRIAN 1
  • CERTIFIED EXPERT
  • 1,030 POSTS
the only other thing I can suggest is did you scan for any dtc's,there could also be a trouble code. coolant fan problems might not turn on the SES light but there could be a dtc. also looking at the scematic there could also be a problem in the pcm because there are 2 drivers in the pcm which are relay control grounds. the pcm controls the relays. (this is just a suggestion) but there could even be a problem in the pcm.you need to use a scan tool that is able to command the fans on and off. this might help to diagnose it. post back with other questions/answers.
Jan 7, 2019 at 5:46 PM (Merged)
Avatar
SHADOWEN1
  • MEMBER
  • 15 POSTS
Yes I hookd up my ODB2 scan tool but received no DTC's. But my tool can't sent a commant to shut off the fans. Is there any other way to check the PCM?
Jan 7, 2019 at 5:46 PM (Merged)
Avatar
SHADOWEN1
  • MEMBER
  • 15 POSTS
I was thinking maybe if it could be a problem with the override relay for the A/C? I don't actually know if this truck has this but I know most aftermarket fan controlers have another switch that turns the fans on if the A/C is turned on. If that switch went bad could that be the cause of this? I don't know where this would be located at so this is someting I have never checked.
Jan 7, 2019 at 5:46 PM (Merged)
Avatar
BRIAN 1
  • CERTIFIED EXPERT
  • 1,030 POSTS
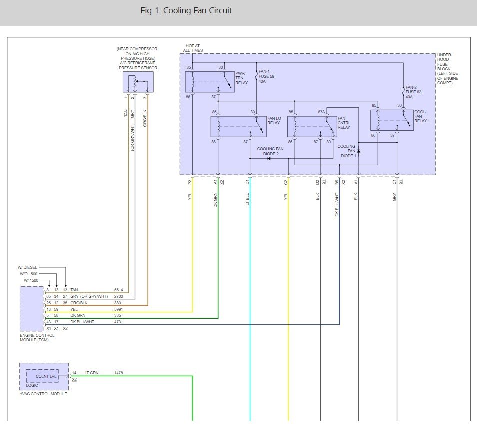
only other thing I could think of,is the coolant low or does the coolant sys have air in it,that could cause the fans to run on high.I looked at the scematic and the diagnostic it's preety straight forward,it just says to check all relays and check for a short to voltage on the motor supply voltage circuit. I also found this info on the operation of the fans,this might help.The engine cooling fan system consists of 2 electrical cooling fans and 3 fan relays. The relays are arranged in a series/parallel configuration that allows the powertrain control module (PCM) to operate both fans together at low or high speeds. The cooling fans and fan relays receive battery positive voltage from the underhood fuse block.

During low speed operation, the PCM supplies the ground path for the low speed fan relay through the low speed cooling fan relay control circuit. This energizes the low speed fan relay coil, closes the relay contacts, and supplies battery positive voltage from the low fan fuse through the cooling fan motor supply voltage circuit to the left cooling fan. The ground path for the left cooling fan is through the cooling fan s/p relay and the right cooling fan. The result is a series circuit with both fans running at low speed.

During high speed operation the PCM supplies the ground path for the low speed fan relay through the low speed cooling fan relay control circuit. After a 3 second delay, the PCM supplies a ground path for the high speed fan relay and the cooling fan s/p relay through the high speed cooling fan relay control circuit. This energizes the cooling fan s/p relay coil, closes the relay contacts, and provides a ground path for the left cooling fan. At the same time the high speed fan relay coil is energized closing the relay contacts and provides battery positive voltage from the high fan fuse on the cooling fan motor supply voltage circuit to the right cooling fan. During high speed fan operation, both engine cooling fans have there own ground path. The result is a parallel circuit with both fans running at high speed.

Important: The right and left cooling fan connectors are interchangeable. When servicing the fans be sure that the connectors are plugged into the correct fan.

The PCM commands the low speed cooling fans ON under the following conditions:

• Engine coolant temperature exceeds approximately 104.25°C (220°F).

• A/C refrigerant pressure exceeds 1447 kPa (210 psi).

• After the vehicle is shut OFF if the engine coolant temperature at key-off is greater than 101°C (214°F) the low speed fans will run for a minimum of 60 seconds After 60 seconds, if the coolant temperature drops below 101°C (214°F) the fans will shut OFF. The fans will automatically shut OFF after 3 min. regardless of coolant temperature.

The PCM commands the high speed fans ON under the following conditions:

• Engine coolant temperature exceeds approximately 107.2°C (225°F).

• A/C refrigerant pressure exceeds approximately 1824 kPa (265 psi).

• When certain DTCs set.

At idle and very low vehicle speeds the cooling fans are only allowed to increase in speed if required. This insures idle stability by preventing the fans from cycling between high and low speed. I do't know to many more suggestions,I hope some of this info helped. if you get stuck of find any other info post back.
Jan 7, 2019 at 5:46 PM (Merged)
Avatar
SHADOWEN1
  • MEMBER
  • 15 POSTS
I will do some more trouble shooting. Thanks for all your time and all the info. You gave me a lot more help than I have been able to get anywhere else. I really appreciate it.
Jan 7, 2019 at 5:46 PM (Merged)
Avatar
JEEVES1169
  • MEMBER
  • 1 POST
I have the same problem with my 2007, did you ever find out what was wrong?
Jan 7, 2019 at 5:46 PM (Merged)
Avatar
DJCL
  • CERTIFIED EXPERT
  • 767 POSTS
a quick thing to check is un plug the ecm connecters and check inside for green powder. this truck was known to have problems with the plug letting water get in and fans running all the time. clean out the plug end and the ecm end .
Jan 7, 2019 at 5:46 PM (Merged)
Avatar
AARONPHILLIPS81
  • MEMBER
  • 7 POSTS
Resurecting an old thread....
I have the same issue and can't pinpoint what it is. Engine temp on dash never reads higher than before. Trans temp is steady around 150. Even with the a/c off the fans will run almost immediately after startup.
Next step is to change coolant temp sensor? Anyone know where it's located?
Jan 7, 2019 at 5:46 PM (Merged)
Avatar
PLATINUMWEDDINGS
  • MEMBER
  • 1 POST
Hello, Im having the same problem. 2007 chevy tahoe. 5.3. Fans going right to high and wont turn off till the cars off. What was the out come of your problem?
Jan 7, 2019 at 5:46 PM (Merged)
Avatar
STRAILER
  • CERTIFIED EXPERT
  • 53,854 POSTS
Hello,

I have found that if the ac system has too much Freon in it the computer thinks the system is overheating and runs the fans on high to try and cool the condenser. Please check the state of charge and get back to me.

https://www.2carpros.com/articles/re-charge-an-air-conditioner-system

and

https://www.2carpros.com/articles/air-conditioner-how-to-add-freon

Here is the air conditioner wiring diagrams (below) so you can see what I'm talking about.

Please let us know what happens, we are interested to see what it is.

Cheers, Ken
Jan 7, 2019 at 5:46 PM (Merged)
Avatar
GRIT03
  • MEMBER
  • 3 POSTS
Hello, I have been researching an issue with my cooling fans on my truck on the forums, and hoping someone could assist me. With my scanner hooked to the truck, the engine temperature will go up to 220F and fans will not come on. After reading several forums on the issue, I understand that there are two wires that are "grounded" in the PCM to make the fans cut on. They are a GN wire in connector 1, pin 42 and a blue wire Connector 2, pin 33 of the PCM. If I ground either of these wires (at the PCM) the fans will cut on and operate. This tells me that the circuit is fine from the PCM, through fuses and relays, out to the fan. Correct? I checked all PCM grounds to battery/chassis ground, and they are all fine. It seems like my PCM is bad. Or is it possible that a ground to the PCM is bad? Parameters in the PCM? Any help will be great. I have troubleshot the system all the way to these two PCM wires, and grounding them is the only way to get the fans to run. Thanks (there are no fan related codes in the PCM by the way).
Jun 28, 2021 at 5:50 PM (Merged)
Avatar
STRAILER
  • CERTIFIED EXPERT
  • 53,854 POSTS
At 220F the fan will not come on, they come on at 230F. is the truck overheating?
Jun 28, 2021 at 5:50 PM (Merged)
Avatar
GRIT03
  • MEMBER
  • 3 POSTS
I'm reading the temperature on my OBD2 scan tool. Yes, truck is overheating. I have seen the temperature climb to 237F. Low-speed fans supposed to come on at 212 and high-speed around 230. They never come on.
Jun 28, 2021 at 5:50 PM (Merged)
Avatar
STRAILER
  • CERTIFIED EXPERT
  • 53,854 POSTS
If the PCM is not sending a signal it is bad and needs to be replaced. Here is the location of the PCM. I would try a used/rebuilt unit.

Check out the diagrams (below). Please let us know what happens.
Jun 28, 2021 at 5:50 PM (Merged)
Avatar
GRIT03
  • MEMBER
  • 3 POSTS
Thanks Ken. I even tried cutting on the AC and it still doesnt power the fans. I feel confident that the PCM is bad. Thankyou for your advice and assistance!
Jun 28, 2021 at 5:50 PM (Merged)
Avatar
STRAILER
  • CERTIFIED EXPERT
  • 53,854 POSTS
Yep, let me know what happens :)
Jun 28, 2021 at 5:50 PM (Merged)