☰
Login
Join
×
Home
Answered Questions
Repair Topics
Repair & Service Guides
Popular Questions
Warning Lights
Trouble Codes
How It Works
Testing / Diagnostics
Symptoms
Videos
Login
Become a Member
Home
Chrysler
Van
Engine Cooling
Radiator
Replace/Remove
No power after changing the radiator
2001 CHRYSLER VAN
189,000 MILES • 2.4L • 4 CYL • FWD • AUTOMATIC
DONALD MAJOR
MEMBER
1 POST
FOLLOW
I changed radiator in it and now I am not getting power to anything but the battery power point.
Nov 13, 2016 at 6:39 AM
Advertisement
HMAC300
CERTIFIED EXPERT
48,601 POSTS
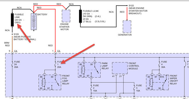
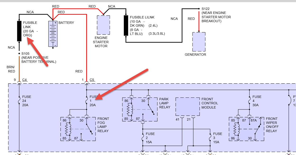
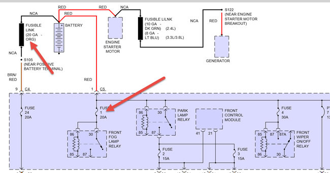
check fusible link in picture and all fuses in PDC under hood.
Image (Click to enlarge)
Nov 13, 2016 at 8:20 AM