Passenger side power window does not work?

2000 FORD RANGER
260,000 MILES • 6 CYL • 2WD • AUTOMATIC
Avatar
AFUNCHAR
  • MEMBER
  • 1 POST
Replaced with new regulator Assy. Also, no brake lights. Could the BCM be the problem and if so which part number is correct and where is it located on the truck. It is a 2wd model?
Thanks
Jan 14, 2024 at 12:15 PM
Advertisement
Avatar
STRAILER
  • CERTIFIED EXPERT
  • 53,855 POSTS
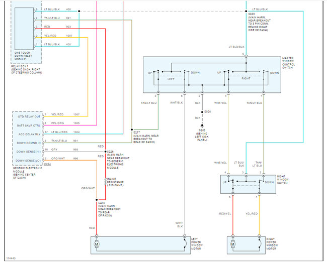
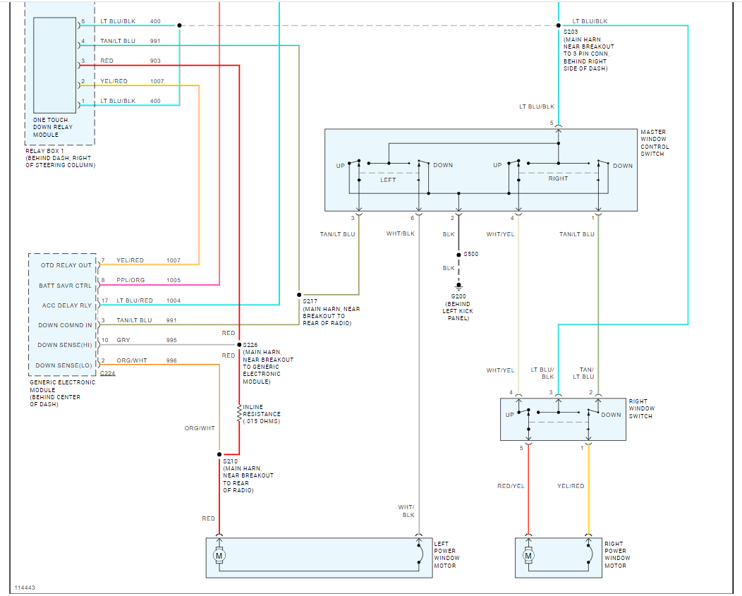
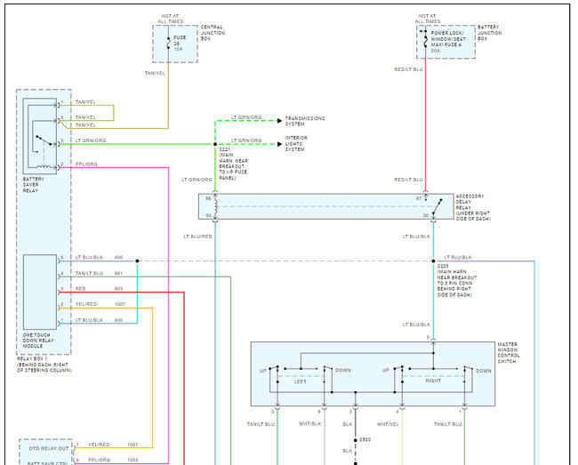
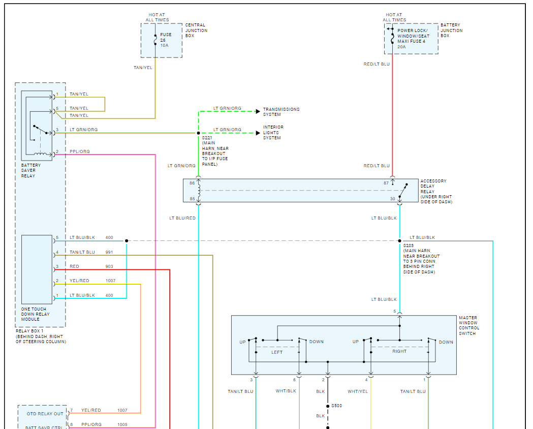
The brake lights do not go through the BCM or as ford call it the GEM (generic electronic module) but the windows do. Here are the window wiring diagrams so you can see how the system works. I have seen the main window switch (drivers' side) go and cause the passenger side window to stop working. Please start a new thread for the brake light issue.

This guide can help show you how to test the main window switch:

https://www.2carpros.com/articles/electric-window-repair

At the master switch use a test light to see if you have power and ground as you work the switch, it will flip flop power and ground as you move the switch.

https://www.2carpros.com/articles/how-to-use-a-test-light-circuit-tester

Check out the images (below). Please upload pictures or videos of the problem so we can see what's going on.
Jan 14, 2024 at 2:37 PM