Hello
The first thing we need to do is check to see if the system has a charge we can do that by following this guide
https://youtu.be/uZrQCGwXfek
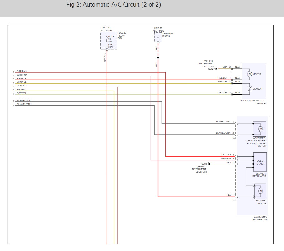
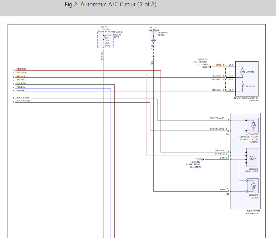
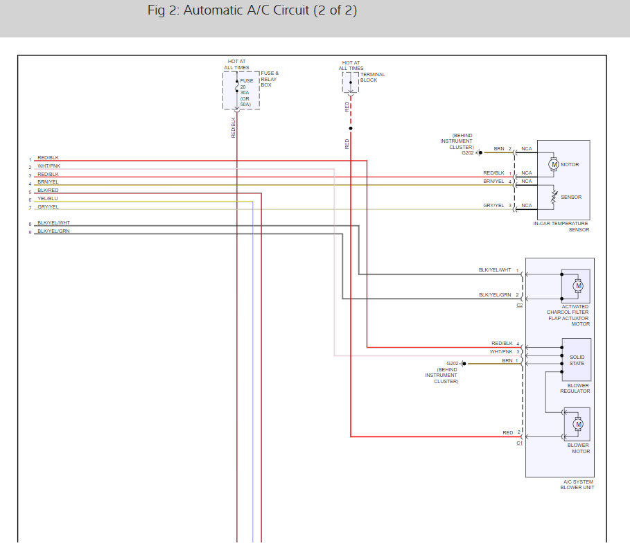
If the charge is okay we need to check the system fuses here is a guide to help with that and the air conditioner wiring diagrams so you can see how the system works and which fuses to check
https://www.2carpros.com/articles/how-to-check-a-car-fuse
Check out the diagrams (Below). Please let us know what you find. We are interested to see what it is.
Images (Click to enlarge)
Aug 2, 2019 at 1:27 PM