Electrial issue

2011 GMC ACADIA
170 MILES • 3.6L • 6 CYL • AUTOMATIC
Avatar
SUNDESA
  • MEMBER
  • 15 POSTS
All of a sudden the pointer disappeared from the gears, signals and no rear camera not unlocking on Parking. Traction Control offed and like gear is not shifting. Even the Lift-gate is not opening. After I moved some cables from the gear connection side it worked and then itself disappeared its like on and off but I am failed to find the correct connector. I even have pressed the connections/connectors but no luck. It only worked once but don't know where exactly is lose connection. I also have pressed the big connector under the brake cylinder at driver side.

I doubt there's some missing voltage which is controlling all discussed areas.

Please advise if anyone experienced this issue and can advise.
Jan 25, 2020 at 7:20 AM
Advertisement
Avatar
JACOBANDNICKOLAS
  • CERTIFIED EXPERT
  • 110,175 POSTS
Hi,

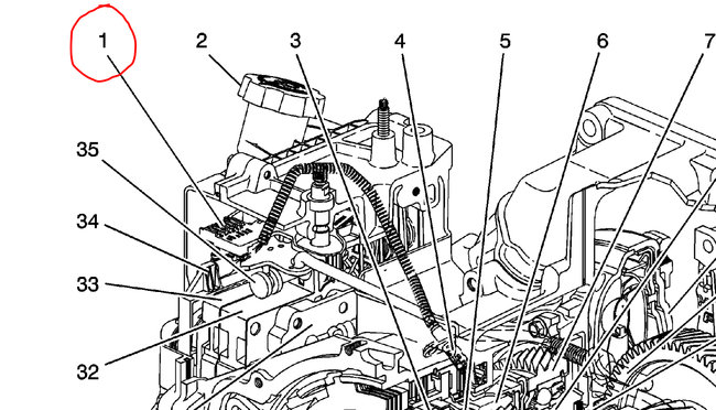
This sounds like an issue with the transmission range sensor. That is what determines what gear you are in. I attached two pictures below of location and wiring. See if something is loose on it.

Let me know.

Joe
Jan 25, 2020 at 10:20 PM
Avatar
SUNDESA
  • MEMBER
  • 15 POSTS
Hello Joe,

Thanks for your quick response. I will check and will update you. Can you please explain me a bit where's the exactly location of this connector? Since I am not that expert nor experienced in mechanical side. I am just a car user but have some good idea about electronics so I can trace the electrical issues with guidance. :)

Thanks and regards.
Jan 26, 2020 at 2:33 AM
Advertisement
Avatar
JACOBANDNICKOLAS
  • CERTIFIED EXPERT
  • 110,175 POSTS
Not a problem. It should be on the side of the transmission. However, I would like you to do something for me. See if you can get your hands on a OBD2 scanner and check for diagnostic trouble codes. Let me know what you find.

If you can't, I need to know the 8th digit in the VIN number. There are two different designs on this vehicle. Let me also know if it is 2 or 4wd.

I found a pic of the internal mode switch (range sensor). I attached it. The top part of the pic shows the switch and below I circled where the linkage would be attached to it from the shifter. The connection should be near this point.

I will watch for your reply.

Joe
Jan 26, 2020 at 5:03 PM
Avatar
SUNDESA
  • MEMBER
  • 15 POSTS
Hello Joe,

Please find attached the errors while the connection is loose.

Jan 27, 2020 at 12:39 AM
Avatar
SUNDESA
  • MEMBER
  • 15 POSTS
Here are more images.
Jan 27, 2020 at 1:06 AM
Avatar
SUNDESA
  • MEMBER
  • 15 POSTS
Where exactly?
Jan 27, 2020 at 1:58 AM
Avatar
JACOBANDNICKOLAS
  • CERTIFIED EXPERT
  • 110,175 POSTS
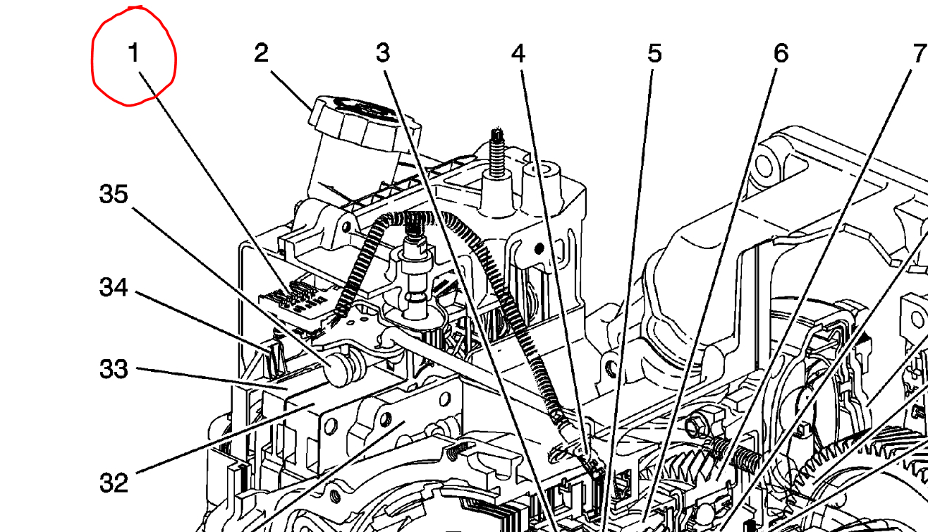
I copied one of your pictures and circled what I believe it the connector.

Let me know.

Joe
Jan 27, 2020 at 8:08 PM
Avatar
SUNDESA
  • MEMBER
  • 15 POSTS
Hello Joe,

Since this is on and off situation. It's working fine for the last 4 days without any issues as mentioned. But still I am uploading the video of current wiring status. Plus the different messages showing on dashboard screen. Please advise for solutions.

Thanks for always best support.
Jan 29, 2020 at 12:34 AM
Avatar
JACOBANDNICKOLAS
  • CERTIFIED EXPERT
  • 110,175 POSTS
Hi,

The indication lights/warning lights are all for different components. There are faults with the air bag, tire pressure system (which could be a low tire), I noted the check engine light is on, and the park assist is indicated.

I need to keep this thread specific to the original concern. The items in your pics require a different thread be started. We try to keep the threads specific to one topic so they are more helpful to others. I hate to ask, but could you please start new threads related to the things I mentioned in the pics?

Before you do start a new thread, I need you to have the computer scanned for diagnostic trouble codes. The check engine light staying on with the engine running indicates there are codes stored. These codes will be extremely helpful when diagnosing the cause.

I will keep my eyes open for the new threads. I hope you understand.

Take care,
Joe
Jan 29, 2020 at 7:51 PM
Avatar
SUNDESA
  • MEMBER
  • 15 POSTS
Hi Joe,

Shall I post all errors list in a single post or have to post each separately? So far the main issue of this post hasn't come back and its working fine. :) I am not touching the connectors while its stable. But I believe there's really a lose connection because I've noticed that the car hit in a small dug and the Stability Traction Control Off signal and ABS is back in dashboard. :/

Please advise for further to post.

Thanks
Feb 1, 2020 at 9:48 PM
Avatar
JACOBANDNICKOLAS
  • CERTIFIED EXPERT
  • 110,175 POSTS
I agree. It does sound like a connection. I have to be honest, it sounds like a wheel speed sensor issue. Interestingly, there is nothing related to this in the codes you indicated above.

Here is a link that explains how to test a wheel speed sensor. Let me know if you feel comfortable doing it.

https://www.2carpros.com/articles/abs-wheel-speed-sensor-test

Let me know.
Joe
Feb 1, 2020 at 10:59 PM
Avatar
SUNDESA
  • MEMBER
  • 15 POSTS
Hello Joe,

Thanks for your prompt reply. Really appreciative and always supportive feedback from you. I will follow this test and will get back on this, as soon as I am done with the results. :)

Regards
Feb 1, 2020 at 11:47 PM
Avatar
JACOBANDNICKOLAS
  • CERTIFIED EXPERT
  • 110,175 POSTS
You are very welcome. Let me know what you find or if you have other questions.

Take care,
Joe
Feb 2, 2020 at 6:22 PM
Avatar
SUNDESA
  • MEMBER
  • 15 POSTS
Hello Joe,

The original issue of this post has started again and from my side I've tried all my best to find the lose connections by pressing all connectors and moving the cables in all engine area, also open the fuse box in engine room. I removed the exhaust filter to avail more space and tried all the wires but its same. I then took this to one of the mechanic and he said it could be the issue of computer/programming. I am surprised if its that issue then why its on and off. There must be some wiring issue.
Is there any tip that I can trace the current passing from the same source to the following area:

1. Traction Control light turns on.
2. Rare Camera stops.
3. Reverse lights stops.
4. Gear shifting stops. (The engine takes force).
5. Lift-gate doesn't open.
6. Each time I press brake pedal the (tic sound) for the switch comes from the gear.

Where are the other fuse boxes are located and the relays? I believe there are total 3 I've found 2. One in engine room and other inside front of passenger seat under dashboard.

Please provide some tips to find the main cause of on and off situation.

Thanks
Regards
Feb 8, 2020 at 10:24 PM
Avatar
JACOBANDNICKOLAS
  • CERTIFIED EXPERT
  • 110,175 POSTS
Hi,

Okay, this is going to become somewhat involved. The newer vehicles have a can bus design. What the means is one wire receives signals from multiple modules / sensors. I read back through what we have already discussed. You indicated codes above and there is only one that I see that can be tying all of these together and that is the U0101. This code means that the transmission control module is not communicating with one or more modules that are connected with it through the CAN bus/controller area network system.

Here is what this means, the transmission control module isn't speaking with the power-train control module. I can see how this break down can cause the ABS, back up lights, rear camera and so on are all affected. Possible causes are a poor connection, broken or damaged wire, damaged connector, or even a failed TCM (transmission control module.

At this point, you need to have a professional level scanner to determine if it can communicate with the high speed GMLAN device on the vehicle. If there is no communication, either the TCM has failed or there are wires disconnected, damaged, or shorted.

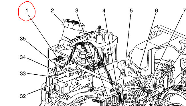
I copied one of your pics from above and circled the code I'm referring to. If there is no communication with the TCM, the next step is to disconnect the battery and start checking wiring at connectors. The idea that you originally moved wiring leads me to believe it is a connection issue. However, the code is very vague and not specific other than there is no communication.

Now, the fuse box you didn't mention is located under the hood on the right side of the engine compartment (passenger side). There is a PCM fuse I would like you to check. See pic 2.

Also, I want you to remove the PCM fuse and check for power using a test light. Once the tester lights, wiggle wiring around to see if the light goes off.

___________________________

Sorry this is so confusing. The problem is there are so many different components, modules, computers, sensors, and so on, the manufacturers have started using this can bus design to eliminate wiring. If they didn't, the car would have so much wiring in them, they would weigh an extra 1,000 pounds. I hope you understand my description above.

Let me know.

Joe
Feb 9, 2020 at 7:41 PM
Avatar
SUNDESA
  • MEMBER
  • 15 POSTS
Hello Joe,

Thanks for your detailed reply. I tried by twisting the main thick cable coming from the computer passing over the engine head. So far its back to normal and will try at another failure.

Thanks and Regards
Faisal
Feb 11, 2020 at 1:55 AM
Avatar
JACOBANDNICKOLAS
  • CERTIFIED EXPERT
  • 110,175 POSTS
Glad to heat that it is working. Now we know for sure it is a connection related issue. If it happens again, let me know.

Take care,
Joe
Feb 11, 2020 at 8:10 PM
Avatar
SUNDESA
  • MEMBER
  • 15 POSTS
Hi Joe,

Again it happen and I tried the same way by twisting and molding the main wires, but didn't work :P This time by hardly closing the Right rear door it worked :D . This is giving surprises every time. :)

Regards
Feb 11, 2020 at 9:18 PM
Avatar
JACOBANDNICKOLAS
  • CERTIFIED EXPERT
  • 110,175 POSTS
Wow. It is a loose connection. All I can suggest is to start checking for loose or corroded connectors. I wish I had a better answer.

Joe
Feb 12, 2020 at 4:26 PM
Avatar
SUNDESA
  • MEMBER
  • 15 POSTS
Hi Joe,

Yes you are right. It seems like some loose connection I will try to investigate once the problem occurs again and will update you accordingly to share the knowledge. :)

Thanks and Regards (Y)
Feb 12, 2020 at 9:32 PM
Avatar
JACOBANDNICKOLAS
  • CERTIFIED EXPERT
  • 110,175 POSTS
That sounds like a plan. I have to be honest. When you said closing the rear door caused it to work again, I was a bit confused. I can't picture anything in that area that would cause the issue. However, I guess a vibration can do it.

Let me know and take care of yourself.

Joe
Feb 13, 2020 at 6:49 PM
Avatar
SUNDESA
  • MEMBER
  • 15 POSTS
Hi Joe,

This issue started again and unfortunately I tried all the tested ways which previously solved my issue.
I need your expert advice now, to start tracking the root cause. From where shall I start and which areas to investigate?

Really Thanks
Feb 13, 2020 at 10:12 PM
Avatar
JACOBANDNICKOLAS
  • CERTIFIED EXPERT
  • 110,175 POSTS
Hi,

Start by checking all connectors and wiring harnesses on the transmission. Make sure no pins are pushed in or corroded.

Joe
Feb 14, 2020 at 2:05 PM