Hi,
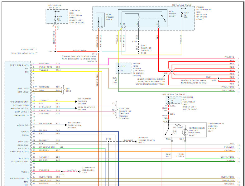
If you look below, I attached the wiring schematic for the entire powertrain management system. Let me know if that helps. Note: The schematic was four pages long. I had to cut each page in half to make them readable. I did overlap them for you.
As far as the knock sensor, I'm not sure what to tell you. There is nothing indicating that information in the two manuals I use. If the part numbers will help, let me know.
Take care,
Joe
See pics below.
Images (Click to enlarge)
May 7, 2024 at 6:49 PM