EGR valve replacement

2007 BUICK RENDEZVOUS
240,000 MILES • 3.5L • 6 CYL • 2WD • AUTOMATIC
Avatar
LLATTINNO
  • MEMBER
  • 4 POSTS
How do I get to the EGR valve and replace it? It's in the back of the engine really buried down there.
Oct 16, 2020 at 8:47 PM
Advertisement
Avatar
ASEMASTER6371
  • CERTIFIED EXPERT
  • 52,796 POSTS
Good morning,

I posted the procedure for you below.

Yes, it is tight to get. You need small fingers and a lot of patience.

I attached a YouTube video for you to view. It is for a 3.4 but they are the same.

https://www.youtube.com/watch?v=pSX55YivmNw

Roy

1. Remove the intake manifold cover.
2. Remove the air cleaner outlet duct.
3. Disconnect the engine harness electrical connector (2) from the exhaust gas recirculation (EGR) valve.
4. Raise and support the vehicle. Refer to Vehicle Lifting.
5. Remove the transaxle fill tube bolt to the transaxle case.
6. Remove the transaxle fill tube nut at the EGR valve and reposition fill tube.
7. Lower the vehicle.


imageOpen In New TabZoom/Print

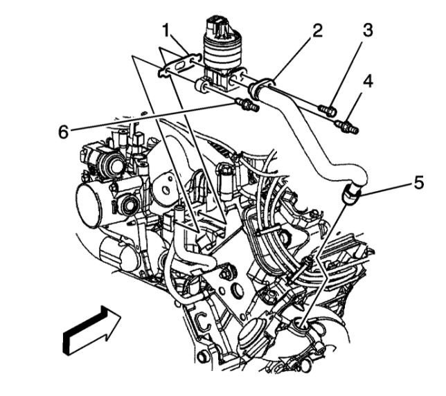
8. Remove the EGR pipe bolt (3) and carefully pull the pipe (2) assembly back.
9. Remove the EGR valve studs (4, 6).
10. Remove EGR valve.
11. Remove the EGR valve gasket (1).
12. Clean and inspect the EGR valve gasket mating surfaces.

Installation Procedure


imageOpen In New TabZoom/Print

1. Install a new EGR valve gasket (1).
2. Install the EGR valve.

Notice: Refer to Fastener Notice.

3. Install the EGR valve studs (4, 6).

Tighten the studs to 30 N.m (22 lb ft).

4. Install the EGR pipe (2) to the EGR valve.
5. Install the EGR pipe bolt (3).

Tighten the bolt to 25 N.m (18 lb ft).


imageOpen In New TabZoom/Print

6. Connect the engine harness electrical connector (2) to the EGR valve.
7. Raise the vehicle.
8. Position the transaxle fill tube to the normal installed position and install the fill tube nut at the EGR valve.

Tighten the nut to 13 N.m (115 lb in).

9. Install the transaxle fill tube bolt to the transaxle case.

Tighten the bolt to 13 N.m (115 lb in).

10. Lower the vehicle.
11. Install the air cleaner outlet duct.
12. Install the intake manifold cover.
Oct 17, 2020 at 4:45 AM