EGR valve issues

2006 CHRYSLER 300
234,000 MILES • 2.7L • V6 • 2WD • AUTOMATIC
Avatar
KIAGOKING
  • MEMBER
  • 3 POSTS
So when my friend gave me the car, the check engine light was on but it was not running rough, after a few days of driving it, four to five days, the car started shaking when at a red light, it takes a while to get up to speed, it smells way to much like gasoline, and at some points the rpm's will shoot up but the car wont advance much. Also, the check engine like makes a sound and flickers whenever i drive it. My question is, have i already messed this car up? I do not have the money to get the piece replaced right now and i want to continue to drive it at least another week. Please help.
Feb 3, 2019 at 4:08 PM
Advertisement
Avatar
JACOBANDNICKOLAS
  • CERTIFIED EXPERT
  • 110,175 POSTS
Hi and thanks for using 2CarPros.

Honestly, the symptoms can be caused by several different issues. The first thing I need you to do is have the computer scanned. If the check engine light is flashing, then the engine has a misfire. That needs attention before other problems occur. However, I need to try to determine what is causing the misfire. That is why I need the trouble codes.

With that being said, here is a quick video that shows how to scan the computer:

https://youtu.be/YV3TRZwer8k

Now I realize most people don't own a scanner. However, most parts stores will do it for free. Have this done and let me know the codes that are found. At that point, I can direct you on what to check, replace, fix. Without the codes, it becomes a guessing game.

Let me know what you find.

Take care,
Joe
Feb 3, 2019 at 7:28 PM
Avatar
KIAGOKING
  • MEMBER
  • 3 POSTS
Thank you so much for responding Joe. I actually went ahead and got that done, it was only one code: P0403.
Feb 3, 2019 at 7:36 PM
Advertisement
Avatar
JACOBANDNICKOLAS
  • CERTIFIED EXPERT
  • 110,175 POSTS
Welcome back:

Okay, that deals only with the EGR. It is an electrical issue that can be caused by any of the following:

POSSIBLE CAUSES
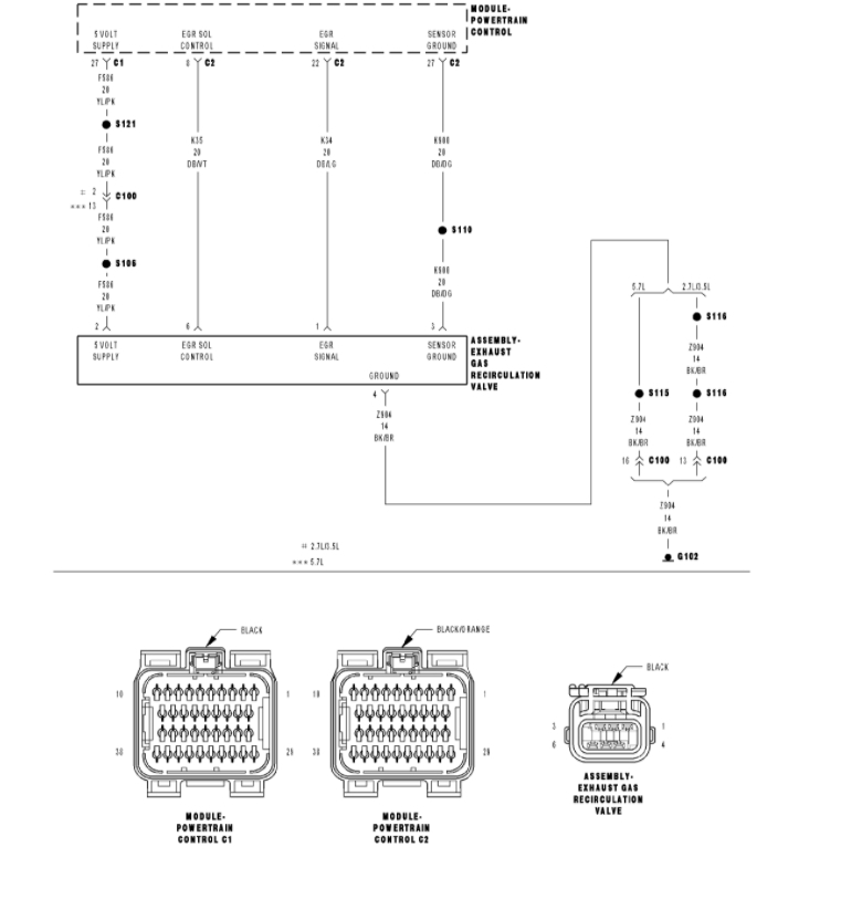
- (Z904) EGR solenoid ground circuit open
- (K35) EGR solenoid control circuit shorted to battery voltage
- (K35) EGR solenoid control circuit shorted to ground
- (K35) EGR solenoid control circuit shorted to the (K900) sensor ground circuit
- (K35) EGR solenoid control circuit open
- EGR solenoid assembly
- PCM

_____________________________________

I don't know how comfortable checking things, but I am going to provide a diagnostic flow chart and links that show how to use the general tools that are required. Please don't be intimidated by the directions. If you have questions or need help, all you need to do is ask.

Here are the links:

https://www.2carpros.com/articles/how-to-use-a-test-light-circuit-tester

https://www.2carpros.com/articles/how-to-use-a-voltmeter

https://www.2carpros.com/articles/how-to-check-wiring

Here are the diagnostics:

_____________________________________

Diagnostic test/you already did this and know the code is present. Jump to #2

1. ACTIVE DTC

Ignition on, engine not running.
With a scan tool, read DTCs.

Q: Is the DTC active at this time?

YES: Go To 2
NO: Refer to the INTERMITTENT CONDITION Diagnostic Procedure. See: Computers and Control Systems > Component Tests and General Diagnostics > Intermittent Condition
Perform the POWERTRAIN VERIFICATION TEST. See: A L L Diagnostic Trouble Codes ( DTC ) > Verification Tests > Powertrain Verification Test


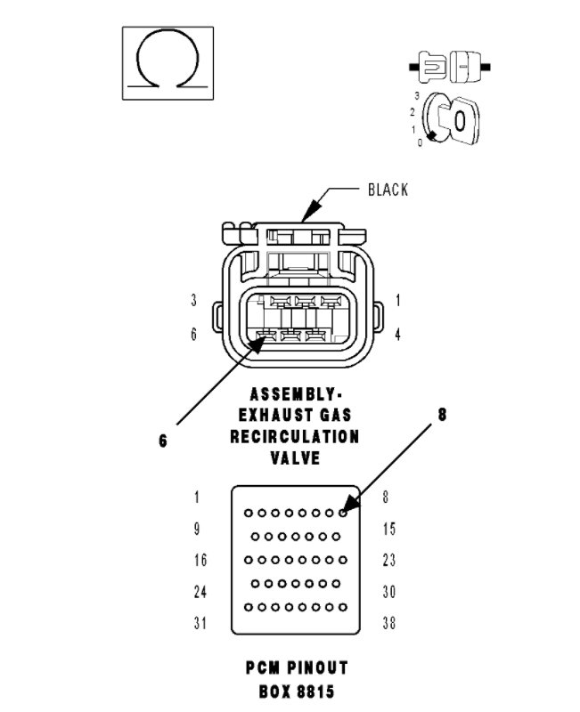
Picture 1

2. EGR SOLENOID ASSEMBLY

Turn the ignition off.
Disconnect the EGR Solenoid harness connector
Ignition on, engine not running.
Turn off all accessories.
Using a 12-volt test light connected to the (Z904) EGR Solenoid ground circuit, probe the (K34) EGR Solenoid Control circuit.
With a scan tool, actuate the EGR solenoid.

Q: Does the 12-volt test light flash on and off?

YES: Replace the EGR Solenoid Assembly. Perform the POWERTRAIN VERIFICATION TEST. See: A L L Diagnostic Trouble Codes ( DTC ) > Verification Tests > Powertrain Verification Test
NO: Go To 3


Picture 2

3. (Z904) EGR SOLENOID GROUND CIRCUIT OPEN

Turn the ignition off.
Disconnect the PCM harness connectors.
Using a 12-volt test light connected to the 12-volts, probe the (Z904) EGR Solenoid ground circuit in the EGR Solenoid harness connector.

Q: Does the test light illuminate brightly?

YES: Go To 4
NO: Repair the open in the (Z904) EGR Solenoid ground circuit. Perform the POWERTRAIN VERIFICATION TEST. See: A L L Diagnostic Trouble Codes ( DTC ) > Verification Tests > Powertrain Verification Test


Picture 3

4. (K35) EGR SOLENOID CONTROL CIRCUIT SHORTED TO BATTERY VOLTAGE

Ignition on, engine not running.
Measure the voltage on the (K35) EGR Solenoid Control circuit in the EGR Solenoid connector.

Q: Is the voltage above 1.0 volt?

YES: Repair the short to battery voltage in the (K35) EGR Solenoid Control circuit. Perform the POWERTRAIN VERIFICATION TEST. See: A L L Diagnostic Trouble Codes ( DTC ) > Verification Tests > Powertrain Verification Test
NO: Go To 5


Picture 4

5. (K35) EGR SOLENOID CONTROL CIRCUIT SHORTED TO GROUND

Turn the ignition off.
Measure the resistance between ground and the (K35) EGR Solenoid Control circuit in the EGR Solenoid harness connector.

Q: Is the resistance below 100 ohms?

YES: Repair the short to ground in the (K35) EGR Solenoid Control circuit. Perform the POWERTRAIN VERIFICATION TEST. See: A L L Diagnostic Trouble Codes ( DTC ) > Verification Tests > Powertrain Verification Test
NO: Go To 6

6. (K35) EGR SOLENOID CONTROL CIRCUIT SHORTED TO THE (K900) SENSOR GROUND CIRCUIT

Measure the resistance between the (K35) EGR Solenoid Control circuit and the (K900) Sensor ground circuit in the EGR Solenoid connector.

Q: Is the resistance below 5.0 ohms?

YES: Repair the short between the (K900) Sensor ground circuit and the (K35) EGR Solenoid Control circuit. Perform the POWERTRAIN VERIFICATION TEST. See: A L L Diagnostic Trouble Codes ( DTC ) > Verification Tests > Powertrain Verification Test
NO: Go To 7


Picture 5

7. (K35) EGR SOLENOID CONTROL CIRCUIT OPEN

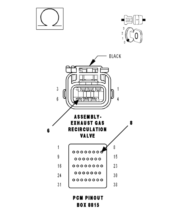
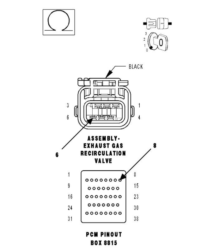
CAUTION: Do not probe the PCM harness connectors. Probing the PCM harness connectors will damage the PCM terminals resulting in poor terminal to pin connection. Install Miller Special Tool #8815 to perform diagnosis.

Measure the resistance of the (K35) EGR Solenoid Control circuit from the EGR Solenoid harness connector to the appropriate terminal of special tool #8815.

Q: Is the resistance below 5.0 ohms?

YES: Go To 8
NO: Repair the open in the (K35) EGR Solenoid Control circuit. Perform the POWERTRAIN VERIFICATION TEST. See: A L L Diagnostic Trouble Codes ( DTC ) > Verification Tests > Powertrain Verification Test

8. PCM

NOTE: Before continuing, check the PCM harness connector terminals for corrosion, damage, or terminal push out. Repair as necessary.

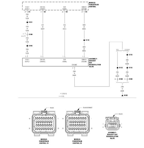
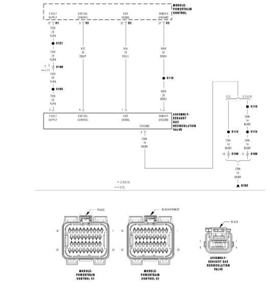
Using the schematics as a guide, inspect the wire harness and connectors. Pay particular attention to all Power and Ground circuits.

Q: Were there any problems found?

YES: Repair as necessary. Perform the POWERTRAIN VERIFICATION TEST. See: A L L Diagnostic Trouble Codes ( DTC ) > Verification Tests > Powertrain Verification Test
NO: Replace and program the Powertrain Control Module. Perform the POWERTRAIN VERIFICATION TEST. See: A L L Diagnostic Trouble Codes ( DTC ) > Verification Tests > Powertrain Verification Test

_______________________________________________________

The pictures below show the connection on the EGR. They indicate what pins in the connector should have specific results based on different tests. If you don't feel comfortable doing this, I suggest the following:

Disconnect the EGR connector and inspect for damage to the wiring, connector, corrosion. Anything that looks like it needs fixed.

If it looks good, then I suggest removing the EGR and inspect it for excessive carbon build up and the tubes that connect it to the intake manifold for blockages.

Here are the directions for removal and replacement. The pictures, starting with number 6, correlate with these directions.

___________________________________

Let me know if this helps or if you have other questions.

Take care,
Joe
Feb 3, 2019 at 8:52 PM
Avatar
KIAGOKING
  • MEMBER
  • 3 POSTS
I really do appreciate all of this information, i will let you know how it goes. Thank you again!
Feb 3, 2019 at 8:54 PM
Avatar
JACOBANDNICKOLAS
  • CERTIFIED EXPERT
  • 110,175 POSTS
You are welcome. Please let me know if you have other questions or need help. Honestly, if you never done it, it is intimidating, but if you have problems or need guidance, just ask.

Take care,

Joe
Feb 4, 2019 at 5:48 PM
Avatar
TRA
  • MEMBER
  • 41 POSTS
If the EGR tube is not completed connected at the base end where the 2 screws are (not the end that the nib goes into the manifold), can fire/flames come out of that hole when car is turned on?
Feb 12, 2021 at 10:39 AM (Merged)
Avatar
AL514
  • CERTIFIED EXPERT
  • 5,465 POSTS
Hello, can I ask what's the reason for this question? Are you having flames come out of manifold hole where the EGR attaches. #2 bolts in this diagram. Any flames coming out into the engine compartment is very dangerous. Especially since the vapor purge valve is in that area. Can you explain a bit more about what's going on? And take a picture of EGR valve in it's current state. How is the car running? A clogged catalytic converter will overheat and this can be very dangerous as well. If there's extensive carbon build up in the egr system and there's too much heat from a clogged catalytic converter I can see the carbon build up starting to burn with that EGR tube disconnected due to oxygen entering.

If you think about it, that gives you something to burn (carbon), oxygen, and extreme heat from the converter. I'm asking these questions for your safety. I've seen vehicles flying down the highway with the catalytic converter glowing red hot from being clogged, and down the road the vehicle was on fire on the side of the highway. So any other information you can provide us will help. I can't give you the okay to drive a vehicle in that condition. I don't want to see the car become damaged more.
Feb 12, 2021 at 10:39 AM (Merged)
Avatar
TRA
  • MEMBER
  • 41 POSTS
Like was saying in the question, it's not the end that goes into the manifold. It's the end that attaches to the car at the other end. I have been told by a supposed mechanic that "just air" goes through that tube. And even by 2CarPros mechanics, "fumes or exhaust can come out." So fumes are a certain kind of air, and I think of exhaust also like an air or smoke, like what comes out of your tailpipe.
I can't edit that pic, so if the "x" to close the pic comes through to your screen, it's that end at the top of the pic by the upper right corner. Nothing is going to be happening right now at this point on driving the car. So no danger. Just need to know the answer about the flames. The car was just misfiring; and 3 of the spark plugs and ignition coils are under the manifold. So it had to be removed. The base end of the tube was broken.
Feb 12, 2021 at 10:39 AM (Merged)
Avatar
TRA
  • MEMBER
  • 41 POSTS
Hello
Trying now to narrow down P0202 misfire, and what out of the 5 or so things one that cylinder can be causing it. I have changed the spark plug and the car is "Skipping" or running badly still upon starting(just sitting still). What little I can see the wire plug to the ignition coil looks fine and the heat shrink looks fine. Can tell what's happening deeper in the harness.

So, I swapped out the old ignition coil I had in another cylinder, bc I didn't really think it was bad. And I don't know if I had all the 3 codes I'm showing now that I found after borrowing an OBD2 tester from Auto Zone. I got the P0202 just from the dash. Now I have P2305(Ignition Coil 2 Secondary Circuit-Insufficient Ionization and P0113(Intake Air temp Sensor Circuit High). Maybe the dash only shows 1 at a time.

I swapped the ignition coils back out and still have the P2305. Not sure if I just need to erase that one and see if it comes back or not. Probably try that.

I also have tested the IAT w/multi-meter. So 1st question: W/it on 200K on OHMs setting, I get 11.6 and 11.8 when swapping around the leads btwn the 2 prongs more towards the top of the prongs. First I had one towards the base of 1 of the prongs to help it stay in place(bc I don't have alligator clips) and 1 at top of the other prong on 2 dif. Days(inside the house), they read 8 to 9.5. Are these too high, and does that mean the sensor is bad in some way? It does go down on the reading as it should when some heat is added near.

2. When I was told that the P0202 was general misfire, that's why I changed the sparky and swapped the coil, but if it is really a Fuel injector problem for real as the specific code says(circuit open), do you think Seaform cleaner is could be tried to see if it helps or don't bother?
And can the 202 be making the 113 show up?

Here are the details the OBD2 shows on the details about the P0202:
Fuel Sys 1 and 2-OL
Calc Load-47.8%
ECT 64(F)
All the STFTand LTFT B1's and 2's-0%
Eng RPM-1427
Veh Speed 0mph of course
MAP-22(inHg)
Spark Adv-16.0 degrees
TPS-14.5%
Run Time -4sec
Feb 12, 2021 at 10:39 AM (Merged)
Avatar
STRAILER
  • CERTIFIED EXPERT
  • 53,854 POSTS
The P0202 is for cylinder number two. I would try a new plug because the one that is in there can be defective/cracked and I would get a new coil. then clear the codes to retry. lease let us know what you find. We are interested to see what it is.
Feb 12, 2021 at 10:39 AM (Merged)
Avatar
TRA
  • MEMBER
  • 41 POSTS
Yep. Have changed the spark plug already. No new ignition coil yet. It started running worst after spark plug changed; Gap is good. But, then the new codes came up. You feel it may be more the coil than the fuel injector?
Feb 12, 2021 at 10:39 AM (Merged)
Avatar
STRAILER
  • CERTIFIED EXPERT
  • 53,854 POSTS
How did the plug look coming out? If it is white with no burn marks I would say fuel injector but it sounds more like a coil which have problems. Once one goes bad I would do them all if you are going to keep the car. There is an ignition capacitor please make sure that is connected. Here are diagrams below to help with the repair. Codes wont come up unless you drive it for a while. Let me know.
Feb 12, 2021 at 10:39 AM (Merged)
Avatar
TRA
  • MEMBER
  • 41 POSTS
No not white at all, black. If you can find pictures of where that ignition capacitor is on a 2.7L engine, that would be great. That's the one I have not 3.5L.

Thanks very much. Very helpful.
Feb 12, 2021 at 10:39 AM (Merged)
Avatar
STRAILER
  • CERTIFIED EXPERT
  • 53,854 POSTS
It is the same as the third image in the post above. Here it is for your engine below.
Feb 12, 2021 at 10:39 AM (Merged)
Avatar
MICHAEL WOODHULL
  • MEMBER
  • 3 POSTS
Had the EGR valve changed on my car listed above Limited and now it runs rough. Both gaskets were changed as well as the rubber seal on the EGR tube. Don't hear any air noise coming from the tube. Can't figure out what's going on with it now. Thank you.
Feb 12, 2021 at 10:39 AM (Merged)
Avatar
TRA
  • MEMBER
  • 41 POSTS
Brand new ignition coil and still doing same. More detail about what it is doing: When I start the car, it immediately acts like I'm holding down the pedal. But I don't touch the pedal to start it at all. Then while letting it run, the RPM needle goes up and down, up and down; it acts like the petal is being pumped. The again pedal is not being touched at all. Sounds/feels like it will cut off, and I hear some little bang or knock.
Could this have anything to do with the EGR tube being damaged or off somewhere at the opposite end from the intake manifold? It's plugged into the manifold fine. I'm not sure if the guys helping me take that off wrenched something there, because when I went to put it back on the tube was way down and pushed back a good bit. I didn't realize they had done that turn around on the manifold to get it off.
The person putting it back on owns a shop and seemed not to think anything was wrong with pulling it back up with slight steady pressure. Can't see the other end from the top.
What do think?

The capacitor is attached fine. Below is a picture I found from Rock Auto for how one on my car looks. Found it after the #6 coil on that row. Couldn't tell from those pictures above where that was. Didn't see anything on my car exactly like that. So, I never pulled on that too much so hopefully it's okay. Does anything become disconnected at the other end of those too easily? Wire looks okay. At the immediate end of the wires by the plug may have lost a cm of some insulation or heat shrink, but doesn't look frayed.
Feb 12, 2021 at 10:39 AM (Merged)
Avatar
ASEMASTER6371
  • CERTIFIED EXPERT
  • 52,796 POSTS
Good afternoon,

If it did not run rough before the replacement, then it sounds like you have a gasket leaking at the head. You should recheck the installation of the valve.

https://www.2carpros.com/articles/how-to-use-an-engine-vacuum-gauge

Why did you replace the valve?

https://www.2carpros.com/articles/how-emission-control-systems-work

Roy

REMOVAL


imageOpen In New TabZoom/Print

1. Disconnect negative battery cable.
2. Remove purge solenoid from bracket.


imageOpen In New TabZoom/Print

3. Relocate the purge solenoid.


imageOpen In New TabZoom/Print

4. Unlock and disconnect the electrical connector from EGR valve.
5. Remove the wiper module.
6. Remove shock tower brace and relocate.
7. Remove the upper intake manifold.


imageOpen In New TabZoom/Print

8. EGR valve (2) and tube (1).


imageOpen In New TabZoom/Print

9. Remove tube bolts (1) to EGR valve (3).
10. Remove tube (1) from intake manifold.
11. When removing EGR upper tube assembly being careful not to drop the silicone rubber seals in the intake manifold. Clean gasket surfaces on the EGR valve. Note that any loose dirt can lodge between the pintle and the seat and cause valve leakage that will give a rough idle and depressed manifold vacuum.
12. Remove EGR valve mounting bolts (2).
13. Remove EGR valve from vehicle.
14. Clean mounting surface.
Feb 12, 2021 at 10:39 AM (Merged)
Avatar
STRAILER
  • CERTIFIED EXPERT
  • 53,854 POSTS
Can you please shoot a quick video with your phone so we can hear the noise? that would be great. You can upload it here with your response. It sounds like you may have low compression in # 2. here is a guide to help:
https://www.2carpros.com/articles/how-to-test-engine-compression

Please run down this guide and report back.

Feb 12, 2021 at 10:39 AM (Merged)
Avatar
MICHAEL WOODHULL
  • MEMBER
  • 3 POSTS
The check engine light came on so I had it scanned and the code P0406 Exhaust Gas Recirculation Sensor A High Circuit is what came up. It didnt run rough before it was changed.
Feb 12, 2021 at 10:39 AM (Merged)
Avatar
TRA
  • MEMBER
  • 41 POSTS
Did video go?
Feb 12, 2021 at 10:39 AM (Merged)
Avatar
ASEMASTER6371
  • CERTIFIED EXPERT
  • 52,796 POSTS
Okay, the indicates a circuit issue with the EGR itself. I would follow the flow chart to make sure you made the correct call. I have my doubts the EGR was the issue.

Roy

P0406-EGR POSITION SENSOR CIRCUIT HIGH


imageOpen In New TabZoom/Print



For a complete wiring diagram refer to: Electrical Diagrams

When Monitored
With the ignition on. Battery voltage greater than 10 volts.

Set Condition
EGR position sensor signal is greater than 4.89. One trip Fault.

Possible Causes
- (K34) EGR POSITION SENSOR SIGNAL CIRCUIT SHORTED TO (F856) 5-VOLT SUPPLY CIRCUIT
- (K34) EGR POSITION SENSOR SIGNAL CIRCUIT SHORTED TO BATTERY VOLTAGE
- (K34) EGR POSITION SENSOR SIGNAL CIRCUIT OPEN
- (K900) SENSOR GROUND CIRCUIT OPEN
- EGR SOLENOID ASSEMBLY
- PCM

Always perform the Pre-Diagnostic Troubleshooting procedure before proceeding.

Diagnostic Test
1. EGR POSITION SENSOR VOLTAGE ABOVE 4.5 VOLTS


imageOpen In New TabZoom/Print


Start the engine.
With the scan tool, read the EGR Position Sensor voltage.

Is the voltage above 4.5 volts?
Yes >> Go To 2
No >> Go To 8
2. (K34) EGR POSITION SENSOR SIGNAL CIRCUIT SHORTED TO THE (F856) 5-VOLT SUPPLY CIRCUIT


imageOpen In New TabZoom/Print


Turn the ignition off.
Disconnect the EGR Solenoid harness connector. Disconnect the PCM harness connectors.
Measure the resistance between the (K34) EGR Position Sensor Signal circuit and the (F856) 5-volt Supply circuit in the EGR Solenoid harness connector.

Is the resistance below 100 ohms?
Yes >> Repair the short between the (K34) EGR Position Sensor Signal circuit and the (F856) 5-volt Supply circuit.
Perform POWERTRAIN VERIFICATION TEST. See: A L L Diagnostic Trouble Codes ( DTC ) > Verification Tests > Powertrain Verification Test
No >> Go To 3
3. (K34) EGR POSITION SENSOR SIGNAL CIRCUIT SHORTED TO BATTERY VOLTAGE


imageOpen In New TabZoom/Print


Ignition on, engine not running.
Measure the voltage on the (K34) EGR Sensor Signal circuit in the EGR Solenoid harness connector.

Is the voltage above 0 volts?
Yes >> Repair the short to battery voltage in the (K34) EGR Position Sensor Signal circuit.
Perform POWERTRAIN VERIFICATION TEST. See: A L L Diagnostic Trouble Codes ( DTC ) > Verification Tests > Powertrain Verification Test
No >> Go To 4
4. EGR SOLENOID ASSEMBLY


imageOpen In New TabZoom/Print


Turn the ignition off.
Connect the PCM harness connectors.
Connect a jumper wire between the (K34) EGR Position Sensor Signal circuit and the (K900) Sensor ground circuit.
With the scan tool, monitor the EGR Position Sensor voltage. Ignition on, engine not running.

Is the voltage below 0.5 of a volt?
Yes >> Replace the EGR Solenoid Assembly.
Perform POWERTRAIN VERIFICATION TEST. See: A L L Diagnostic Trouble Codes ( DTC ) > Verification Tests > Powertrain Verification Test
No >> Go To 5

NOTE: Remove the jumper wire before continuing.

5. (K34) EGR POSITION SENSOR SIGNAL CIRCUIT OPEN


imageOpen In New TabZoom/Print


Turn the ignition off.
Disconnect the PCM harness connectors.

CAUTION: Do not probe the PCM harness connectors. Probing the PCM harness connectors will damage the PCM terminals resulting in poor terminal to pin connection. Install Miller Special Tool #8815 to perform diagnosis.

Measure the resistance of the (K34) EGR Position Sensor Signal circuit from the EGR Solenoid harness connector to the appropriate terminal of special tool #8815.

Is the resistance below 5.0 ohms?
Yes >> Go To 6
No >> Repair the open in the (K34) EGR Position Sensor Signal circuit.
Perform POWERTRAIN VERIFICATION TEST. See: A L L Diagnostic Trouble Codes ( DTC ) > Verification Tests > Powertrain Verification Test
6. (K900) SENSOR GROUND CIRCUIT OPEN


imageOpen In New TabZoom/Print


Measure the resistance of the (K900) Sensor ground circuit from the EGR Solenoid harness connector to the appropriate terminal of special tool #8815.

Is the resistance below 30 ohms?
Yes >> Go To 7
No >> Repair the open in the (K900) Sensor ground circuit.
Perform POWERTRAIN VERIFICATION TEST. See: A L L Diagnostic Trouble Codes ( DTC ) > Verification Tests > Powertrain Verification Test
7. PCM

NOTE: Before continuing, check the PCM harness connector terminals for corrosion, damage, or terminal push out. Repair as necessary.

Using the schematics as a guide, inspect the wire harness and connectors. Pay particular attention to all Power and Ground circuits.

Were there any problems found?
Yes >> Repair as necessary
Perform POWERTRAIN VERIFICATION TEST. See: A L L Diagnostic Trouble Codes ( DTC ) > Verification Tests > Powertrain Verification Test
No >> Replace and program the Powertrain Control Module per Service Information.
Perform POWERTRAIN VERIFICATION TEST. See: A L L Diagnostic Trouble Codes ( DTC ) > Verification Tests > Powertrain Verification Test
8. EGR POSITION SENSOR SWEEP

NOTE: The engine will run rough and possibly stall in the following test. Feather the accelerator pedal to keep the engine from stalling.

Start the engine.
With the scan tool, enter System Test and then EGR System Test. Push the 4=VARIABLE function.
Monitor the EGR voltage while slowly pushing the up arrow.

Is the voltage change smooth?
Yes >> Refer to the INTERMITTENT CONDITION Diagnostic Procedure.
Perform POWERTRAIN VERIFICATION TEST. See: A L L Diagnostic Trouble Codes ( DTC ) > Verification Tests > Powertrain Verification Test
No >> Replace the EGR Solenoid Assembly.
Perform POWERTRAIN VERIFICATION TEST. See: A L L Diagnostic Trouble Codes ( DTC ) > Verification Tests > Powertrain Verification Test
Feb 12, 2021 at 10:39 AM (Merged)
Avatar
STRAILER
  • CERTIFIED EXPERT
  • 53,854 POSTS
Thanks for the video. The engine sounds okay, it looks like you may have an fuel injector out causing the problem. Here is a guide to help test it to confirm with diagrams below to show you how to remove the injector:

https://www.2carpros.com/articles/how-to-test-a-fuel-injector

and

https://www.2carpros.com/articles/how-to-replace-a-fuel-injector

Check out the diagrams (below). Please let us know what you find.



Feb 12, 2021 at 10:39 AM (Merged)
Avatar
MICHAEL WOODHULL
  • MEMBER
  • 3 POSTS
I pulled the EGR Valve back off and cleaned off the area and replaced the gasket that came with the new EGR with another new gasket put everything back on reconnected the battery cable and started it. It runs good now and the engine light turned off. Thank you for all of the information you provided.
Feb 12, 2021 at 10:39 AM (Merged)
Avatar
TRA
  • MEMBER
  • 41 POSTS
Okay, good to know the engine sounds okay to you. Still working on the fuel injector.
Can a car be driven without the EGR tube in place?
Feb 12, 2021 at 10:39 AM (Merged)
Avatar
ASEMASTER6371
  • CERTIFIED EXPERT
  • 52,796 POSTS
You are welcome.

Roy
Feb 12, 2021 at 10:39 AM (Merged)
Avatar
STRAILER
  • CERTIFIED EXPERT
  • 53,854 POSTS
Not really because exhaust will come out of any open ports. If you would like to test the EGR here is video:

https://youtu.be/DqUCbbKdWf4

Please let us know what happens.
Feb 12, 2021 at 10:39 AM (Merged)
Avatar
TRA
  • MEMBER
  • 41 POSTS
Are you familiar w/how the EGR tube looks on a 2006 300? Do you know if the "knob" end on that can be taken off without cutting it off and welding on to another tube? This Mopar4 All dealers sent me one that does not fit my car. Even though their catalog tells them it does. https://encrypted-tbn1.gstatic.com/shopping?q=tbn:ANd9GcR_R7oolNB-cDv2qzDIPCK3y-C5M2S_sHp9D2woQGJZBbkuCpD6mxmwM0weTh4ZAgOMjz4vhEg&usqp=CAc- Or https://encrypted-tbn3.gstatic.com/shopping?q=tbn:ANd9GcSpZVyFzzbGxOsQfb1LKNkiV-LlVCkPUBr5EGVQFVzDG5Je3KXvAHfWnqk7ye3kfu5BcRBR1TIp&usqp=CAc
Mine looks like ones in the links above.

They sent me what looks on the end like: https://encrypted-tbn3.gstatic.com/shopping?q=tbn:ANd9GcRVuq28PkvTNNGvELfqqRQ7QYzX7Bw_tK4TAJ9DkBt2vlOXzYEiYgrNNeW1UCBBpicXiWSzVRGp&usqp=CAc
Feb 12, 2021 at 10:39 AM (Merged)
Avatar
GRAMBY3390
  • MEMBER
  • 1 POST
i have a 2005 chrysler 300 2.7L that has had the engine code p0404 for a while. had it checked out by mopar ppl and said i need spark plugs and egr valve is not getting a signal to open. I replaced the egr valve which was a pain but got it in correctly and put new plugs in. car runs great now and is not shaking the whole car now. but the engine code p0403 is now on which is egr malfunction code. idk do i need to change the egr purge solenoid or somethin im just not sure.
Feb 12, 2021 at 10:39 AM (Merged)
Avatar
STRAILER
  • CERTIFIED EXPERT
  • 53,854 POSTS
You should not have to remove anything to weld it should be a direct fit. what seems to be the matter?
Feb 12, 2021 at 10:39 AM (Merged)
Avatar
ASEMASTER6371
  • CERTIFIED EXPERT
  • 52,796 POSTS
I attached a flow chart for you to view to determine the failure. I also posted connectors for you for testing.

https://www.2carpros.com/articles/how-to-check-wiring

Roy

For a complete wiring diagram refer to: Electrical Diagrams

When Monitored
Engine running. Battery voltage greater than 10 volts.

Set Condition
The EGR solenoid control circuit is not in the expected state when requested to operate by the PCM. One Trip Fault.

Possible Causes
- (Z904) EGR SOLENOID GROUND CIRCUIT OPEN
- (K35) EGR SOLENOID CONTROL CIRCUIT SHORTED TO BATTERY VOLTAGE
- (K35) EGR SOLENOID CONTROL CIRCUIT SHORTED TO GROUND
- (K35) EGR SOLENOID CONTROL CIRCUIT SHORTED TO THE (K900) SENSOR GROUND CIRCUIT
- (K35) EGR SOLENOID CONTROL CIRCUIT OPEN
- EGR SOLENOID ASSEMBLY
- PCM

Always perform the Pre-Diagnostic Troubleshooting procedure before proceeding.

Diagnostic Test
1. ACTIVE DTC


imageOpen In New TabZoom/Print


Ignition on, engine not running. With a scan tool, read DTCs.

Is the DTC active at this time?
Yes >> Go To 2
No >> Refer to the INTERMITTENT CONDITION Diagnostic Procedure.
Perform POWERTRAIN VERIFICATION TEST. See: A L L Diagnostic Trouble Codes ( DTC ) > Verification Tests > Powertrain Verification Test
2. EGR SOLENOID ASSEMBLY


imageOpen In New TabZoom/Print


Turn the ignition off.
Disconnect the EGR Solenoid harness connector.
Ignition on, engine not running.
Turn off all accessories.
Using a 12-volt test light connected to the (Z904) EGR Solenoid ground circuit, probe the (K34) EGR Solenoid Control circuit.
With a scan tool, actuate the EGR solenoid.

Does the 12-volt test light flash on and off?
Yes >> Replace the EGR Solenoid Assembly.
Perform POWERTRAIN VERIFICATION TEST. See: A L L Diagnostic Trouble Codes ( DTC ) > Verification Tests > Powertrain Verification Test
No >> Go To 3
3. (Z9048) EGR SOLENOID GROUND CIRCUIT OPEN


imageOpen In New TabZoom/Print


Turn the ignition off.
Disconnect the PCM harness connectors.
Using a 12-volt test light connected to the 12-volts, probe the (Z904) EGR Solenoid ground circuit in the EGR Solenoid harness connector.

Does the test light illuminate brightly?
Yes >> Go To 4
No >> Repair the open in the (Z904) EGR Solenoid ground circuit.
Perform POWERTRAIN VERIFICATION TEST. See: A L L Diagnostic Trouble Codes ( DTC ) > Verification Tests > Powertrain Verification Test
4. (K35) EGR SOLENOID CONTROL CIRCUIT SHORTED TO BATTERY VOLTAGE


imageOpen In New TabZoom/Print


Ignition on, engine not running.
Measure the voltage on the (K35) EGR Solenoid Control circuit in the EGR Solenoid connector.

Is the voltage above 1.0 volt?
Yes >> Repair the short to battery voltage in the (K35) EGR Solenoid Control circuit.
Perform POWERTRAIN VERIFICATION TEST. See: A L L Diagnostic Trouble Codes ( DTC ) > Verification Tests > Powertrain Verification Test
No >> Go To 5
5. (K35) EGR SOLENOID CONTROL CIRCUIT SHORTED TO GROUND


imageOpen In New TabZoom/Print


Turn the ignition off.
Measure the resistance between ground and the (K35) EGR Solenoid Control circuit in the EGR Solenoid harness connector.

Is the resistance below 100 ohms?
Yes >> Repair the short to ground in the (K35) EGR Solenoid Control circuit.
Perform POWERTRAIN VERIFICATION TEST. See: A L L Diagnostic Trouble Codes ( DTC ) > Verification Tests > Powertrain Verification Test
No >> Go To 6
6. (K35) EGR SOLENOID CONTROL CIRCUIT SHORTED TO THE (K900) SENSOR GROUND CIRCUIT
Measure the resistance between the (K35) EGR Solenoid Control circuit and the (K900) Sensor ground circuit in the EGR Solenoid connector.

Is the resistance below 5.0 ohms?
Yes >> Repair the short between the (K900) Sensor ground circuit and the (K35) EGR Solenoid Control circuit.
Perform POWERTRAIN VERIFICATION TEST. See: A L L Diagnostic Trouble Codes ( DTC ) > Verification Tests > Powertrain Verification Test
No >> Go To 7
7. (K35) EGR SOLENOID CONTROL CIRCUIT OPEN


imageOpen In New TabZoom/Print


CAUTION: Do not probe the PCM harness connectors. Probing the PCM harness connectors will damage the PCM terminals resulting in poor terminal to pin connection. Install Miller Special Tool #8815 to perform diagnosis.

Measure the resistance of the (K35) EGR Solenoid Control circuit from the EGR Solenoid harness connector to the appropriate terminal of special tool #8815.

Is the resistance below 5.0 ohms?
Yes >> Go To 8
No >> Repair the open in the (K35) EGR Solenoid Control circuit.
Perform POWERTRAIN VERIFICATION TEST. See: A L L Diagnostic Trouble Codes ( DTC ) > Verification Tests > Powertrain Verification Test
8. PCM

NOTE: Before continuing, check the PCM harness connector terminals for corrosion, damage, or terminal push out. Repair as necessary.

Using the schematics as a guide, inspect the wire harness and connectors. Pay particular attention to all Power and Ground circuits.

Were there any problems found?
Yes >> Repair as necessary
Perform POWERTRAIN VERIFICATION TEST. See: A L L Diagnostic Trouble Codes ( DTC ) > Verification Tests > Powertrain Verification Test
No >> Replace and program the Powertrain Control Module per Service Information.
Perform POWERTRAIN VERIFICATION TEST. See: A L L Diagnostic Trouble Codes ( DTC ) > Verification Tests > Powertrain Verification Test
Feb 12, 2021 at 10:39 AM (Merged)
Avatar
TRA
  • MEMBER
  • 41 POSTS
Yep, I agree it should be a direct fit. This Mopar dealer sent me a part that is not correct for my car as their catalog told them, and as they advertised. My old part may be a quicker weld if I find someone. Trying to avoid going on a junk yard again; and definitely not paying around $100.00 for it.
Feb 12, 2021 at 10:39 AM (Merged)
Avatar
STRAILER
  • CERTIFIED EXPERT
  • 53,854 POSTS
Sometime the part can look a little different but do the same thing, do the ends look like they will work?
Feb 12, 2021 at 10:39 AM (Merged)
Avatar
TRA
  • MEMBER
  • 41 POSTS
Nope not at all. One end does. Second end that goes into the manifold doesn't.
Feb 12, 2021 at 10:39 AM (Merged)
Avatar
STRAILER
  • CERTIFIED EXPERT
  • 53,854 POSTS
Wrong part then, you should not need to cut and weld, I would try a new parts guy.
Feb 12, 2021 at 10:39 AM (Merged)
Avatar
AL514
  • CERTIFIED EXPERT
  • 5,465 POSTS
Okay well, if you're only concerned with flames coming out of the exhaust where the EGR is supposed to be, no flames won't come out, but if you understand how and what an EGR valve does I would limit driving it if there's an opening in the exhaust. Air will enter the exhaust threw that hole and therefore trick the oxygen sensor into seeing a lean condition. The ECM will compensate by adding fuel to the mixture. This can cause more misfires and potentially damage the catalytic converter. This same effect happens when an exhaust manifold is cracked or has a bad gasket.
Feb 12, 2021 at 10:39 AM (Merged)