Mechanic did a temporary quick fix for the EGR valve, is it okay to drive it?

2001 FORD F-150
238,000 MILES • 4.2L • V8 • 4WD • AUTOMATIC
Avatar
CHRIS001
  • MEMBER
  • 44 POSTS
i had a sever vacuum leak in my truck. It was pulling air back when giving gas. Well, the mechanic it took to was short on time and did some investigating he replace lines and checked the air flow vents and so forth it was on a Friday. So, all day he finally said you may have a leak in your intake. Not sure, but your EGR valve seems to be bad. well, he didn't have time to replace it, so quick fix; he cut the line from where the EGR valve solenoid ran to the top of the motor put a screw in the hose that went to the motor and left the other end open. now i got air like i was supposed to be, said it was fine to drive it like that till he was able to replace the EGR valve. He said your vehicle may even run better for the time being. My question is, will it be okay to use the vehicle like that. He said the engine light may come on but that was normal.
Jul 1, 2022 at 8:18 PM
Advertisement
Avatar
AL514
  • CERTIFIED EXPERT
  • 5,465 POSTS
Hello, some vacuum leak symptoms would be a high idle when the truck is not moving and you're not on the gas pedal. This is because manifold vacuum is at its highest when the throttle plates are closed. Usually using a smoke machine filling the intake manifold is the best way to find leaks, smoke will find its way out any leaking areas. Having a nonfunctioning EGR valve is not the best way to run the truck, especially an older truck that will have more carbon build up from regular use over the years. The EGR valve introduces a small, metered amount of exhaust gases to lower cylinder temperatures when under heavy throttle.

This prevents Nox gases from being produced and also prevents pre-detonation or pre-ignition from happening. Pre ignition happens when the air fuel mixture ignites before the spark plug ignites the mixture. So, on older vehicles that may have some carbon build up on the valves can get burned if the mixture ignites before the intake valve is fully closed and cylinder temperatures are higher than they should be.

Another factor here is that if you have a vacuum leak, the mixture is lean and a lean mixture will burn even hotter. So overall you can see why these systems are built into engines and the purpose they serve.

But you can see if you have a vacuum leak yourself. If you think it's around the intake manifold. You can use a spray bottle and just spray around the base of the intake manifold where the gasket is. You will hear the water being sucked into the intake. It's pretty obvious. I'll put a guide below as well to vacuum leaks. You can use other methods, some people will spray carb cleaner or some other flammable spray, but I would try the water spray bottle first. It's the safer way. Spraying any flammable liquids around the top of the engine can cause a fire if used too much. All it takes is a spark plug wire that's has a small hole and is spark is jumping to the engine block.
I'm not exactly sure how he routed the vacuum lines, it sounds like he took the line going to the EGR valve off and routed it to the intake? But if the EGR valve itself was leaking, there is still a vacuum leak threw the valve. But I would just don't want to see an intake valve getting burned and then you would have low compression issues potentially happening.

https://www.2carpros.com/articles/how-to-use-an-engine-vacuum-gauge

https://www.2carpros.com/articles/how-emission-control-systems-work
Jul 1, 2022 at 9:51 PM
Avatar
CHRIS001
  • MEMBER
  • 44 POSTS
i believe he said he just did that to bypass the EGR valve the line the sealed was going straight to the top of the engine the line that is on the EGR valve solenoid was left open.
Jul 1, 2022 at 10:41 PM
Advertisement
Avatar
AL514
  • CERTIFIED EXPERT
  • 5,465 POSTS
I assume he left the EGR solenoid unplugged then, do you have a high idle at all? You said in your first post it was pulling air, was that something you could hear when on the throttle?
Jul 2, 2022 at 1:50 PM
Avatar
CHRIS001
  • MEMBER
  • 44 POSTS
well, i got air now. The thing i noticed is even though the EGR valve is bypassed. i still hear a hiss air leak on the left side of the engine sounds like it's on top where there are 2 valve looking deals they are black hearing the hissing assume a manifold leak in the intake but i don't think that's what's hissing i wished i could show you what exactly i was referring to when i said 2 black valve looking deals with a plug in on the end of then and a few small vacuum lines under neath it. i also noticed some performance issues such as a surge in speed at times and slow hill climbing as if its not getting the proper air flow.
Jul 2, 2022 at 7:42 PM
Avatar
AL514
  • CERTIFIED EXPERT
  • 5,465 POSTS
You can take a picture and post it right here; I'll try to identify it for you. What the valves or actuators are. The surge your feeling is most likely the engine computer (ECM) trying to compensate for a vacuum leak. Vacuum leaks will be a different pressures depending on how much the throttle plate is open. When the throttle plate is closed, manifold vacuum is at its highest and will be pulling more air in but will change as the throttle plates open and close, as well as how much load is on the engine. Going up a hill you'll have your foot more into the pedal and the engine load will be higher because it's working more to pull the vehicle up the hill, as an example. But take some pictures or even a video and post it here. We can try to figure out what may be leaking,
These trucks use engine vacuum to control some of the HVAC components inside the cab. So you might be hearing a leak in one of those lines. I have a 01 Ford too and there are vacuum lines running all over the place for inside heater doors and such. Sometimes if the truck isn't running you can change a heater setting and you will hear the air escaping from the vacuum canister under the hood. It holds a vacuum for when the truck isn't running.
Jul 3, 2022 at 12:43 PM
Avatar
CHRIS001
  • MEMBER
  • 44 POSTS
i hear the air escaping from this area close to those black pieces with a cap on it now i noticed the one on the right side had 2 little hoses that plugged into the bottom the one on the left only had one plugged into the top and the other left open does that sound, right? How should the little hoses go on the black pieces with a cap on it?
Jul 3, 2022 at 12:56 PM
Avatar
AL514
  • CERTIFIED EXPERT
  • 5,465 POSTS
I can see the vacuum lines attached to the bottom of one of them, can you follow where the lines go for each. I'll try to find a wiring diagram to match up the colors and see if I can identify them by that. They are definitely Solenoids to divert vacuum to different places. Do the wires on the one on the right have Stripes on the wires, a solid color with a stripe in the middle? Looks like Grey/Black maybe?
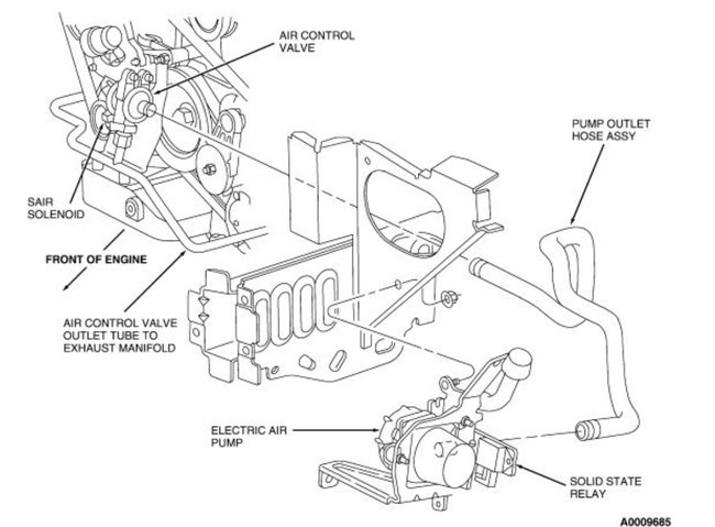
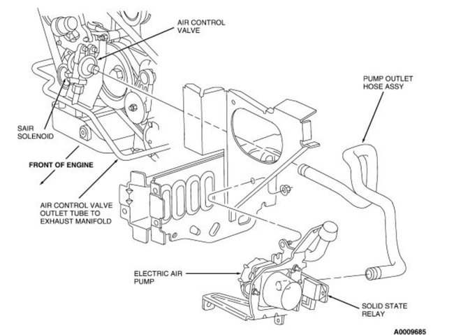
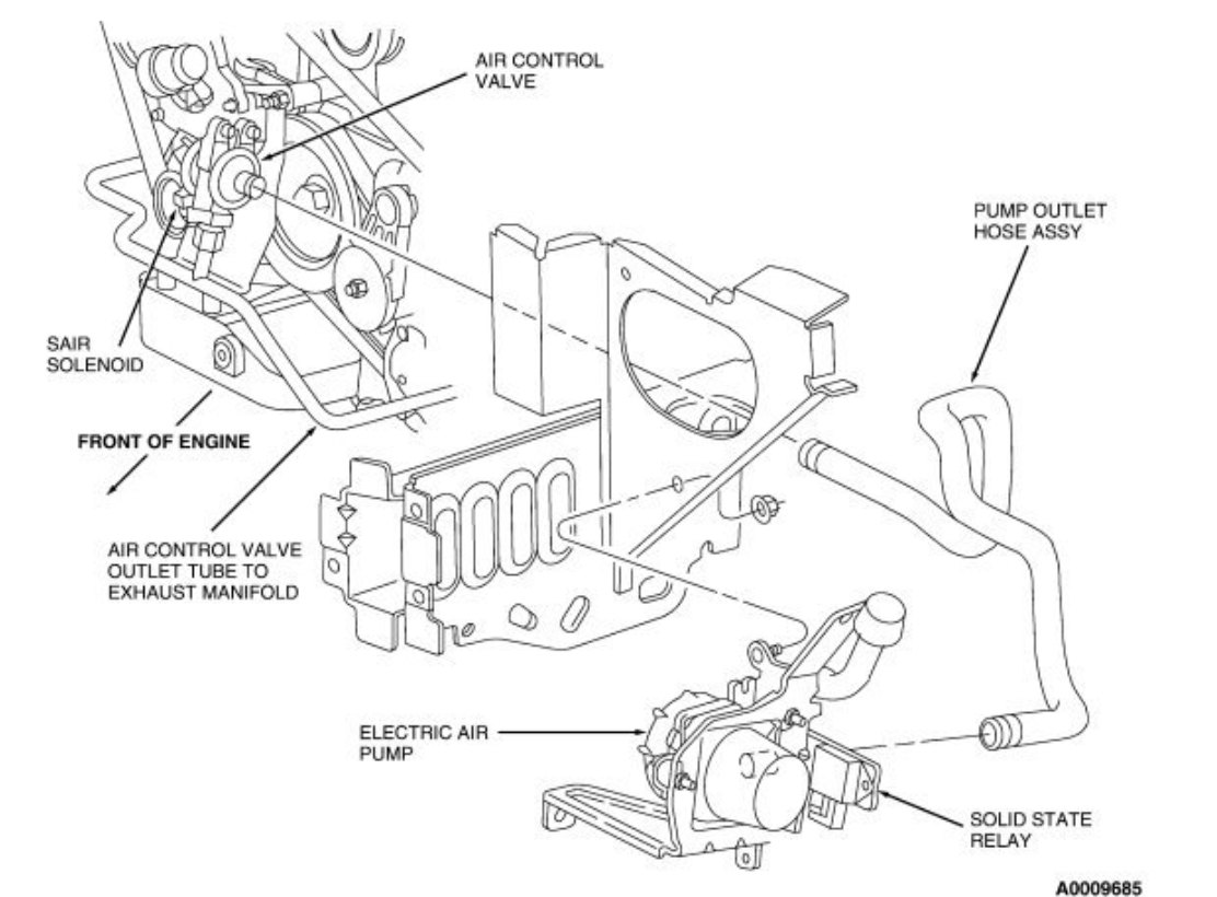
Do you notice any steel lines running into the exhaust manifolds, they may be up near the cylinder head or farther down, a Secondary Air Injection system? Any set ups like these, below.

Okay, I know what they are, they're for the 4wd, are you able to put the truck in 4wd and if so, are you able to get it out of 4wd? I believe those are the 4x4 and 4x2wd Disconnect Solenoids. The wiring colors even match up. Some models use engine vacuum to disengage the 4-wheel drive. You can check and see if you have vacuum lines running down to the front wheels. If so, those are known for causing vacuum leaks down at the hubs where the 4-wheel drive would disengage.

Okay, that's what those are. They are for the 4wd hubs. Does that picture #4 look familiar? Here's a video explaining how they work. Under those caps there are little air filters because the vacuum is released through the top of those solenoids when needed. If you're hearing a hissing noise in that area I would inspect the plastic tube like hoses. They are cheap plastic and crack and break after a while. There should also be a vacuum reservoir somewhere down in that area, it looks like a round plastic balloon with a couple lines running to it. I think you're going to find a broken line somewhere near those solenoids, obviously you've already somewhat found the problem area, if you can hear it leaking. I know it's difficult sometimes with the engine running to find broken lines.
The second video below has to do with the vacuum-controlled heater controls, just so you can get an idea of how they work as well.

https://www.2carpros.com/articles/how-to-use-an-engine-vacuum-gauge


https://www.youtube.com/watch?v=AWXiArMiqBw

https://www.youtube.com/watch?v=vCZ9NgV2ONk
Jul 3, 2022 at 1:26 PM