Where is the EGR Pressure Sensor located?

2004 FORD F-250
135,900 MILES • 6.8L • V10 • 4WD • AUTOMATIC
Avatar
GHOSTCOOKIES
  • MEMBER
  • 1 POST
I’ve been trying to locate the EGR pressure sensor on my truck listed above SD. I already have the new part but can’t seem to find where it’s located to replace it.
May 3, 2023 at 12:54 PM
Advertisement
Avatar
BRENDON S
  • CERTIFIED EXPERT
  • 653 POSTS
Hello GHOSTCOOKIES,

It should be on the firewall. I have added a picture for you. Looks like it's behind an intake pipe possibly in the center.

Thank you,
Brendon
May 3, 2023 at 5:00 PM
Avatar
SCOTT MCLOUTH
  • MEMBER
  • 2 POSTS
A/C stuck on defrost and floor. I'm looking for the heater vacuum control manifold. (Under the glove box?) Vacuum lines have been checked.
May 4, 2023 at 12:24 PM (Merged)
Advertisement
Avatar
JACOBANDNICKOLAS
  • CERTIFIED EXPERT
  • 110,175 POSTS
Hi,

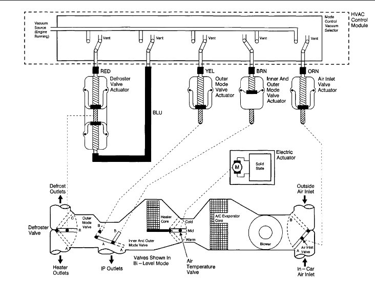
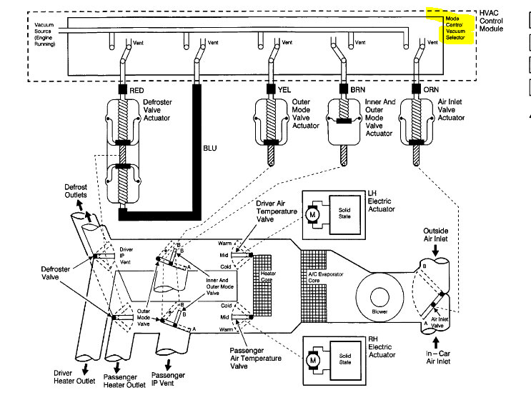
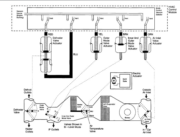
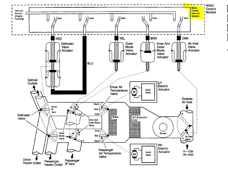
I believe you are referring to the vacuum control switch. That is the component that is adjusted to change the airflow direction mounted on the dash.

I attached two pics below. The first one is the vacuum schematic for a standard unit. The second schematic is for a dual climate control system. I'm not sure which you have, so I attached both. Also, here is a link you may find helpful:

https://www.2carpros.com/articles/air-vents-stay-in-the-defrost-position

Let me know if this helps or if you have other questions.

Take care,

Joe

See pics below.
May 4, 2023 at 12:24 PM (Merged)