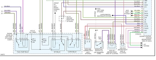
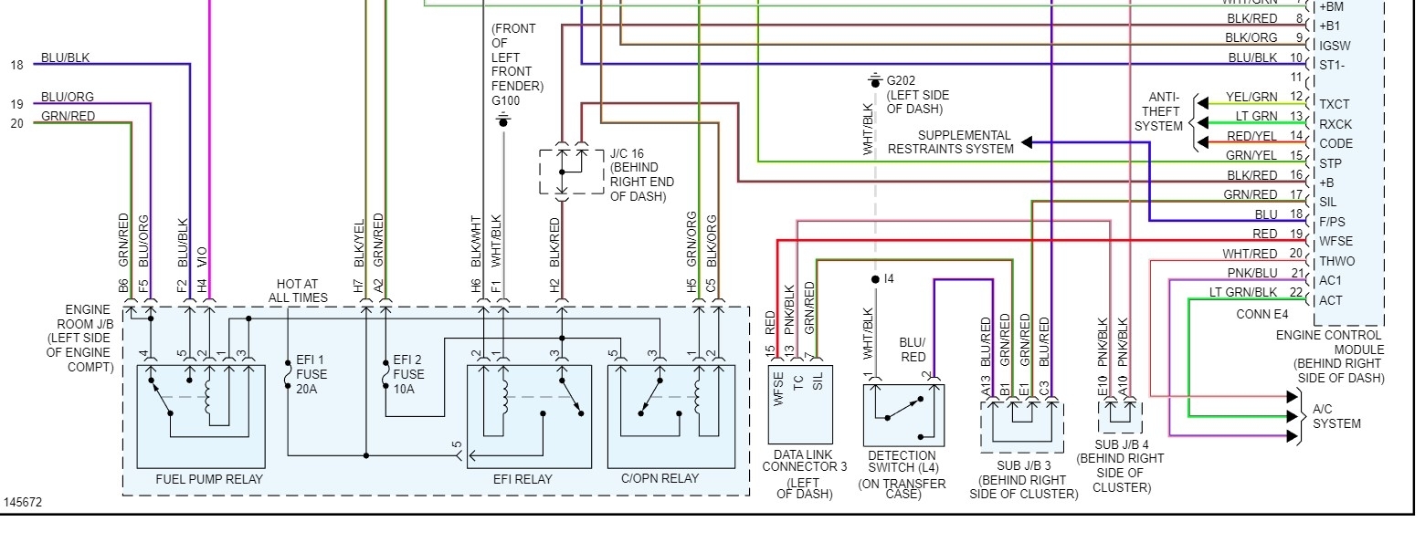
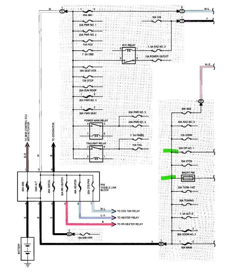
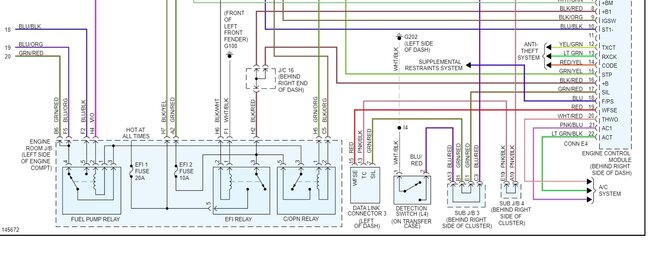
No power to the EFI number two fuse?

2001 TOYOTA SEQUOIA
247,674 MILES • 4.7L • V8 • AUTOMATIC
Avatar
REDMANX
  • MEMBER
  • 1 POST
All the other fuses have power. Fuse #22 ECU-B only has power on one side.
Jan 27, 2023 at 1:29 PM
Advertisement
Avatar
STEVE W.
  • CERTIFIED EXPERT
  • 15,113 POSTS
Okay, the ECU B having power to one side indicates the fuse is bad, even if it looks okay. As for the EFI #2 fuse, it receives power from the ECM 1 fuse through the EFI relay. I suspect that the control signal that turns that relay on gets its power through the ECU and fuse B. I would start by determining what the issue with ECU fuse B and see if that allows the relay to activate and get the EFI 2 fuse to power up.
With the power on just one blade, I would start there.
Jan 28, 2023 at 6:08 AM