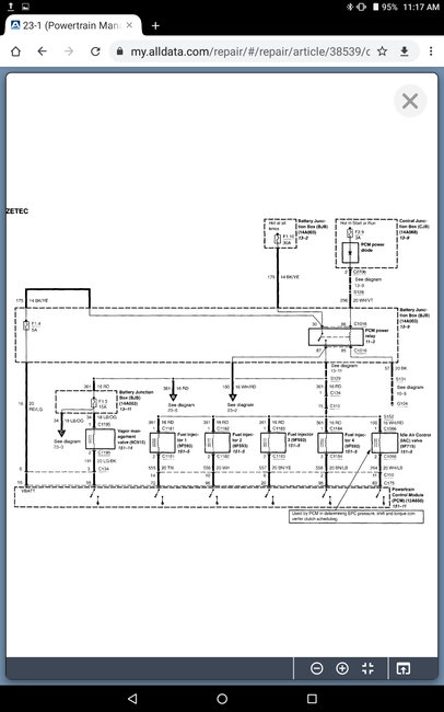
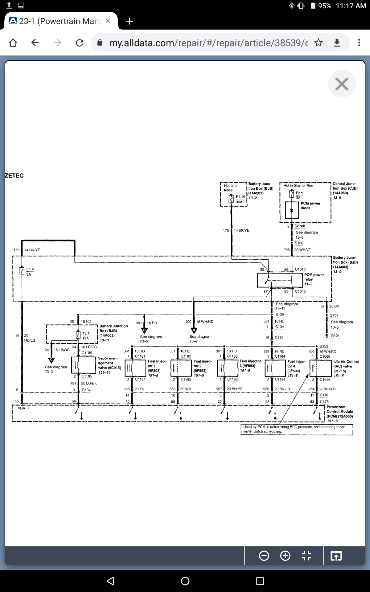
Hello, that red/light green wire goes to the PCM power relay. Since it's only a 5 amp fuse it looks like it just signals the PCM that the relay is working correctly and sending power to everything it feeds. You can see it on the far left of the diagram. Now the concern is why did the fuse blow. Fuses don't fail for no reason. As you can see the PCM power relay feeds the fuel injectors, idle air control, the battery junction box, vapor management, plus whatever else the battery junction box feeds. A good place to start is checking where the harness has contact points with the frame and engine block. Since those are the areas exposed to the most vibrations from the engine and driving. I wouldn't just replace the fuse without finding out what made it fail in the first place. Try not to move the harness around too much because you may move it away from a contact point and you'll never find the short. If you have extra 5 amp fuses you can put a new one in and start checking until the fuse blows again. But definitely don't put anything in there except a 5 amp fuse. You could damage the PCM.
Did any other fuses fail? If not, then the issue is most likely going to on that red/lt green wire. Inspect it very carefully, look for places where it might have rubbed through the harness. I added another diagram if you can't see the stock Ford one to well.
https://www.2carpros.com/articles/how-to-check-a-car-fuse
https://www.2carpros.com/articles/how-to-check-wiring
Here is a link to our YouTube page for blown PCM fuses:
https://www.youtube.com/watch?v=ztk6zpNoVjw&t=3s
Images (Click to enlarge)
Feb 6, 2021 at 8:30 AM