Good evening, can you please send me an image of the ECU wiring diagram? Thanks for a speedy response.
Dec 3, 2018 at 5:57 PM
Advertisement
JACOBANDNICKOLAS
CERTIFIED EXPERT
110,175 POSTS
Hi and thanks for using 2CarPros.
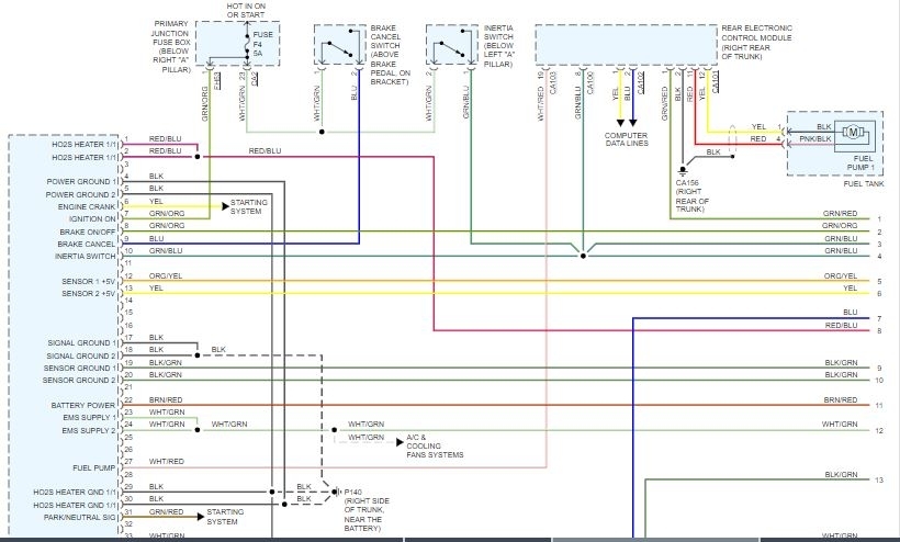
I attached one of four pages of schematics. The page includes the ECU and each pin's designation. I had to break it into three separate pictures for it to be readable. I overlapped the pictures so you can follow it and see where I left off.
Let me know if this helps or if it is even what you needed.
Take care,
Joe
Images (Click to enlarge)
Dec 3, 2018 at 7:13 PM
AUSTINO
MEMBER
220 POSTS
Thank you, I will let you know ASAP.
Dec 4, 2018 at 6:00 PM
Advertisement
JACOBANDNICKOLAS
CERTIFIED EXPERT
110,175 POSTS
You are welcome. Let me know what you find or if you have other questions.