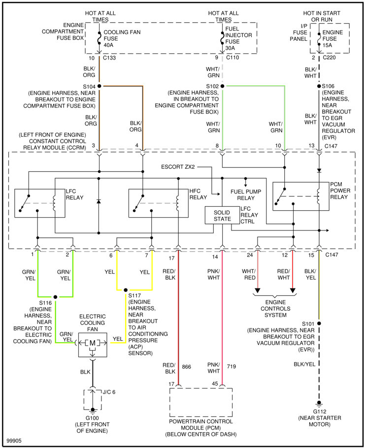
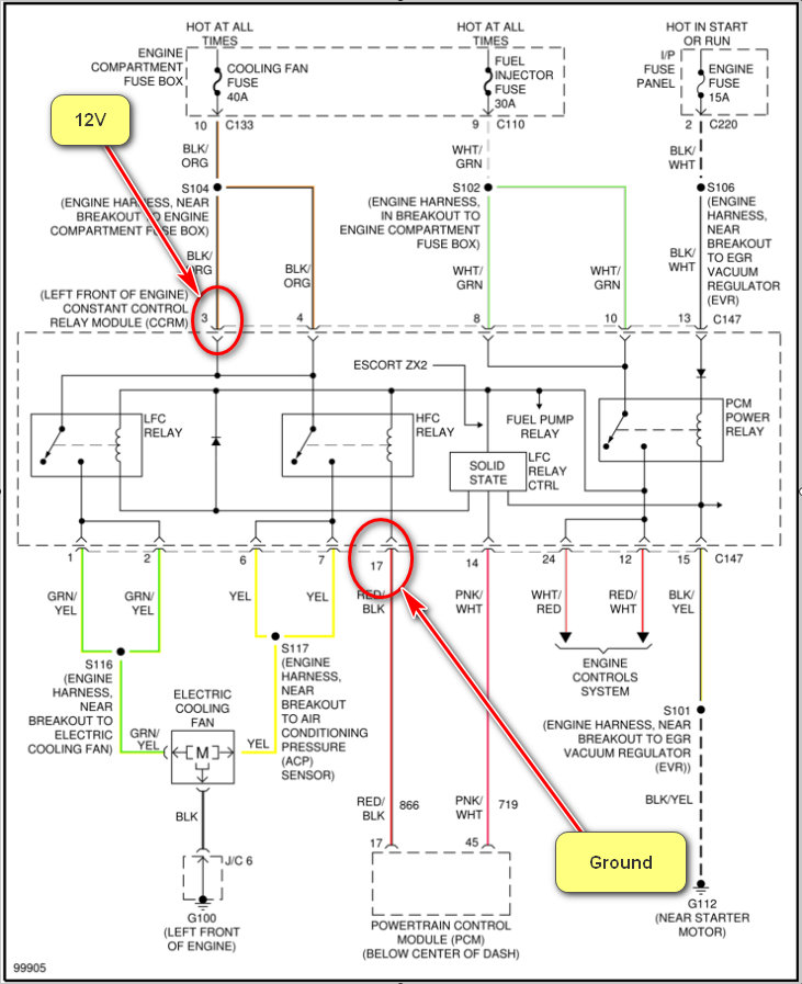
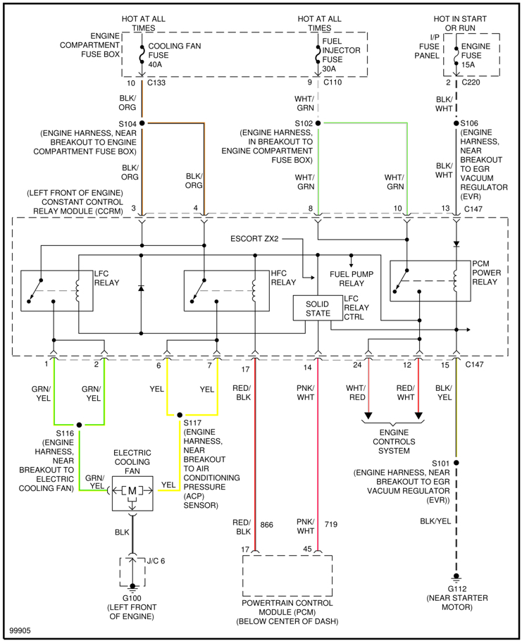
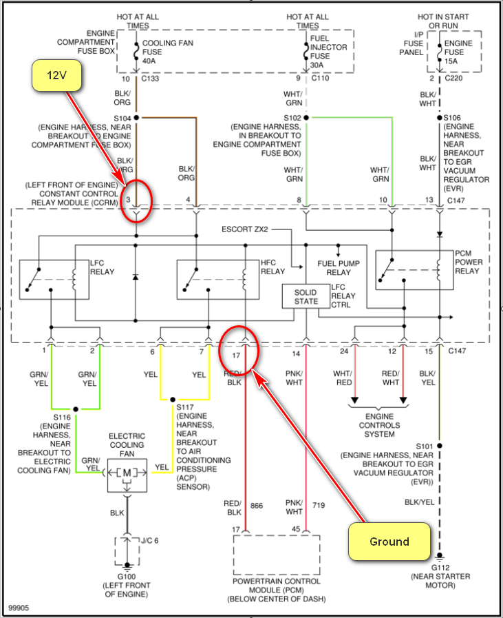
My VIN starts with letter P. Do I need to reprogram the ECU/PCM after replacement? My problem with this car was: my radiator fan (low speed) didn't turn on when the temperature was reached, but it turned on when my A/C was on. I thought that was my coolant temperature sensor. I ordered one (correct part) and changed it. After changing the sensor, the car was very hard to start, and it took me several minutes to get it started. Even when it got started and running, it ran very rough. So, I removed the 'new' sensor and put the original sensor back. The car went back to 'normal' but this time neither speed of the radiator fan works (even with A/C on). I thought that my CCRM was bad since it controls both fan speeds with two relays. I bought a Cardone CCRM (new) and replaced it and it's still doing the same thing. Now I suspect that when I replaced my first 'new' coolant sensor which was very hard to start the car and made it run rough it had caused 'damage' to my ECU (feeds the fan power leads). I have not done anything to my car other than changing the coolant sensor. Can you give me some hint in trouble shooting my problem? Lucking I took my car to smog and passed before all these happened. Thank you for your time.
Jul 19, 2022 at 1:11 PM




