Many issues after replacing ECU that had gotten wet

1988 NISSAN SENTRA
188,000 MILES • 1.6L • 4 CYL • 2WD • MANUAL
Avatar
RUBYANDTHEPEACH
  • MEMBER
  • 22 POSTS
While parked on the street, rainwater came under the door and fried the ECU. After getting the new one (no instructions if needing to reset, test drive, etc.), and installing it, the car runs very rough at idle or while driving. It shakes/jerks while driving through the gears(four speed), loses power, gets terrible mileage, and black smoke comes from tailpipe. You can smell gas. Checked plugs and 02 sensor, they're covered in soot. Tuned this car nine months ago(including 02 sensor). I'm worried that something else might've fried. Connections and harness at ECU seem okay (no melted wires/connectors). The ECU is claimed to be right for this car, although the number's are slightly different than OEM. Evidently because the cross reference number is the replacement for OEM number. The car did seem to run very good one day, then went back to rough idle/driving after car was turned off. Had so called experts say it is because of bad TPS, Air flow meter, intermittent signal from wires or harness, wrong ECU. The car ran very good before this happened. Need help quick. Thanks.
Mar 25, 2019 at 10:59 PM
Advertisement
Avatar
SCGRANTURISMO
  • CERTIFIED EXPERT
  • 4,897 POSTS
Hello,

Okay, the numbers cannot, I repeat, cannot differ in any way or this will be the result. The numbers on the sticker of the ECU are what is known as a strategy code. Usually the strategy code is the first six alphanumeric ode that written bigger than the rest of it. These must match. Double check these and get back to us with what you find out.

Thanks,
Alex
2CarPros
Mar 26, 2019 at 9:20 AM
Avatar
RUBYANDTHEPEACH
  • MEMBER
  • 22 POSTS
Alex, The ECU,s # for my car(OEM) was a11-a32-b36. The replacement I got is a Cardone, # 72-3266. I called them and one of the techs said that this ECM replaces 4 numbers including mine, and is the right replacement for my Sentra. The stats for my car are. 1988 Sentra 2 dr coupe, fwd, 4 speed, 1.6 L (96.7 cid) E16(i) I4. The i is for throttle body injection. The cardone 72-3266, according to the tech, Application Data:
w/FI and Calif. Emissions and w/M.T. and FWD. From what i've been told, you can't get a unit with the same # anymore
Thanks, Chris
Mar 28, 2019 at 12:03 AM
Advertisement
Avatar
SCGRANTURISMO
  • CERTIFIED EXPERT
  • 4,897 POSTS
Hello again,

I did a quick search on Ebay for you and found this:

https://www.ebay.com/itm/1988-Nissan-Sentra-A11A32B36-ECM-ECU/280346657775?hash=item4145f683ef:g:S7wAAOSwevlaBVZN:sc:USPSPriority!95519!US!-1

It's used, but it is an exact match and only costs $15.00. Please get back to us with what you decide to do.

Thanks,
Alex
2CarPros

.

Mar 28, 2019 at 2:55 AM
Avatar
RUBYANDTHEPEACH
  • MEMBER
  • 22 POSTS
Alex,
I sent the ebay guy a message. Is there a way to know exactly what ECM was in my car. I know it was A11-?32-B36. The plastic sleeve wore a line down the sticker and partially faded the #/letter. It looked like a B, but I was told it was an A.
Thanks again,
Chris
Mar 28, 2019 at 6:38 PM
Avatar
SCGRANTURISMO
  • CERTIFIED EXPERT
  • 4,897 POSTS
Hello again,

Great! That is what we are here for. Please let us know if we can help you out in any other way.

Thanks,
Alex
2CarPros
Mar 28, 2019 at 7:28 PM
Avatar
RUBYANDTHEPEACH
  • MEMBER
  • 22 POSTS
Alex,
the EBAY guy said the ECU has not been tested so no way to know if it works. He said the number would be an A. A11A32B36 is the only option it could be. If this isn't the reason for the car to run badly, any ideas what it might be? I don't want to chase ghosts.
Thanks,
Chris
Mar 29, 2019 at 11:45 AM
Avatar
SCGRANTURISMO
  • CERTIFIED EXPERT
  • 4,897 POSTS
Hello again,

If the ECU got wet, I'm fairly confident that this is going to be your problem. I would suggest making sure that the connectors are clean, dry, and free of any and all corrosion. Also double check all your vehicle's grounds. Again ensure they are corrosion free, clean, and making good metal to metal contact. 75% of all electrical problems can be attributed to bad grounds, so double check them. Other than that, I would bet on your ECU as the problem.

Thanks,
Alex
2CarPros
Mar 29, 2019 at 2:35 PM
Avatar
RUBYANDTHEPEACH
  • MEMBER
  • 22 POSTS
Alex,
Before the ECU went bad, the car ran really good. I forgot to say that the morning after water got to it, I tried to start it before I knew about the ECU. That's why I was concerned about damage somewhere else(maybe in the harness or connectors to sensors). But after the new unit was installed, it ran good for two to three days, then started to run ragged. Seems like every person has a different thing it could be. I took it to a shop and was told forty five minutes. later they didn't know because all they work on is new cars. Can't find anyone who works on these.
I have no idea where most of the grounding is in the harness, just 1 or 2 that are obvious(ground straps to frame), but that wasn't it before all of this happened.
Is there a way to test MAF or TPS sensors? I don't know much about DMM's, besides the one I have is a cheap one from Harbour freight and it's not reliable. Couldn't even test the injector because the car's too old.
Thanks for your information. Hope the questions aren't wearing you down. I hate these computerized cars.
Chris
Mar 31, 2019 at 7:31 PM
Avatar
SCGRANTURISMO
  • CERTIFIED EXPERT
  • 4,897 POSTS
Hello again,

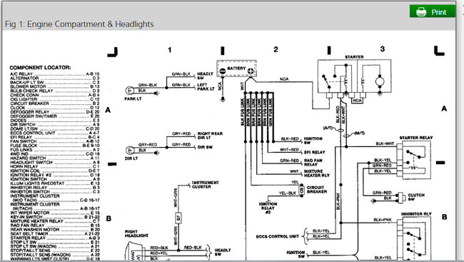
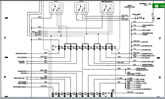
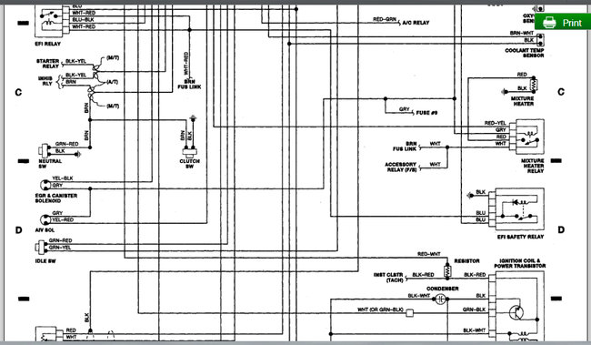
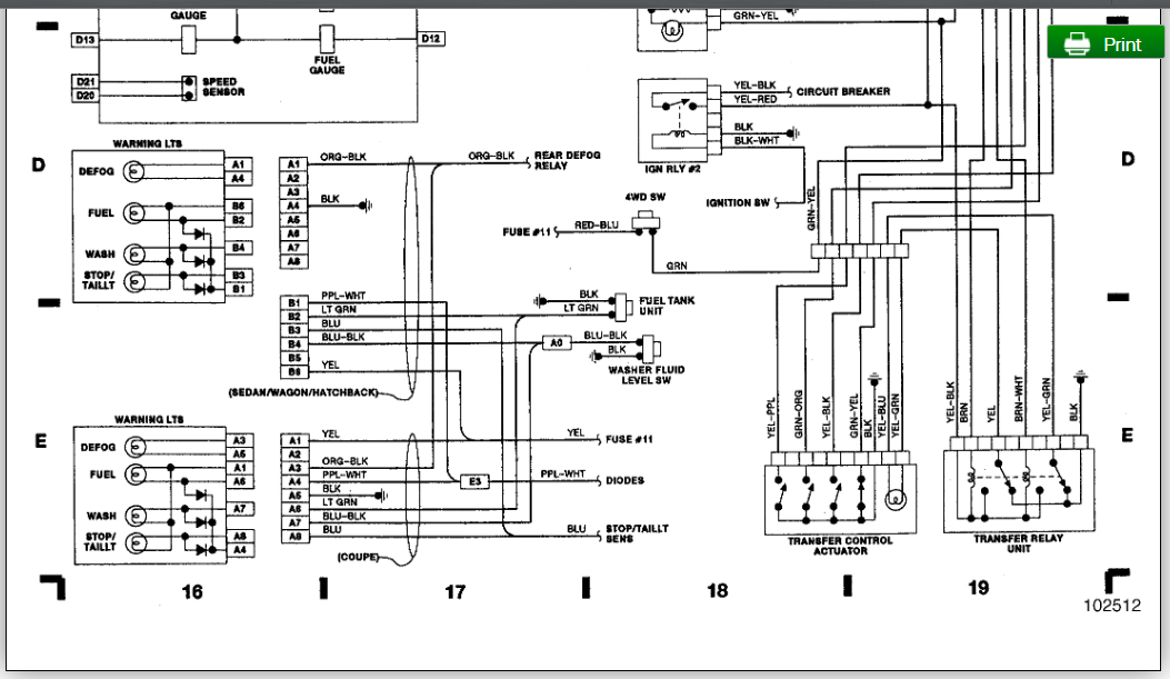
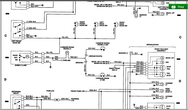
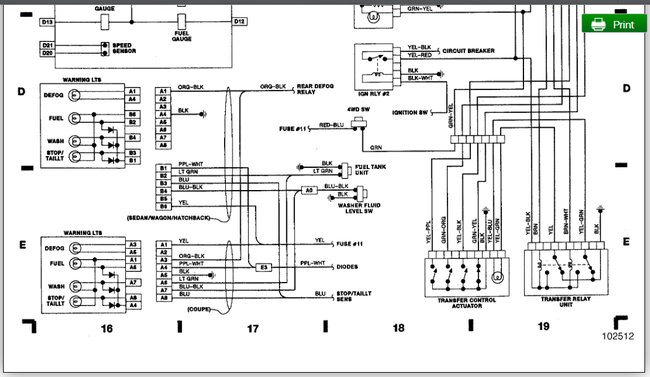
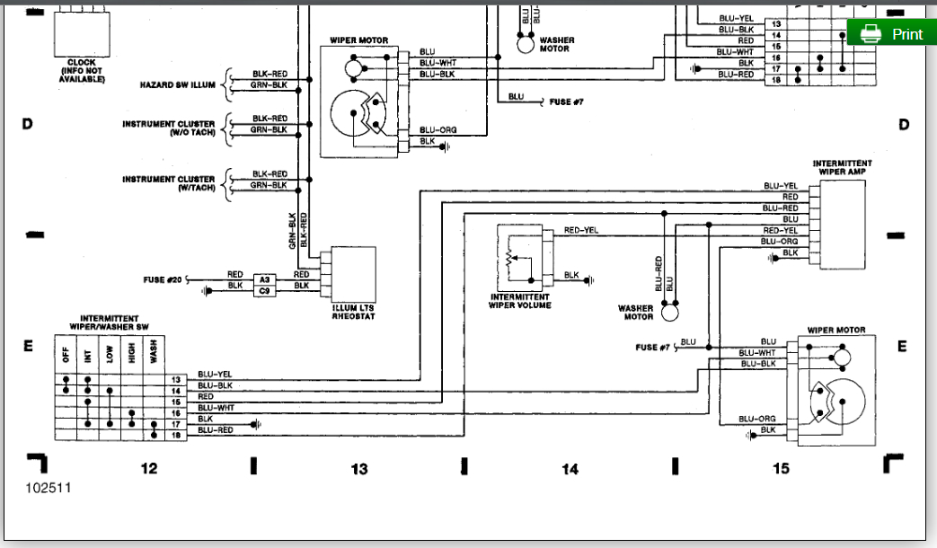
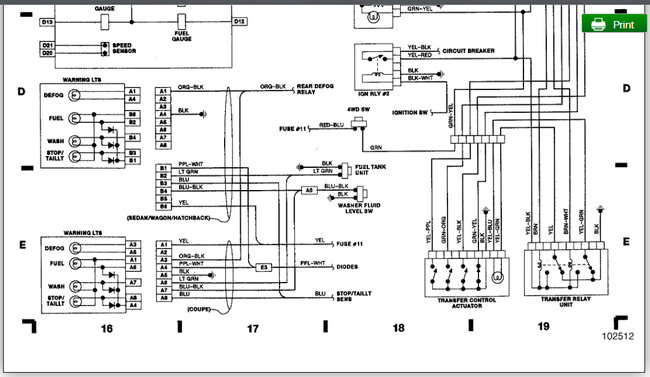
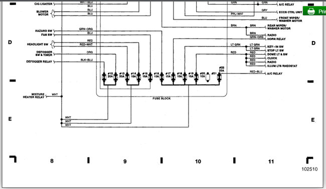
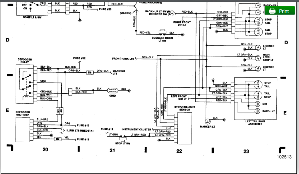
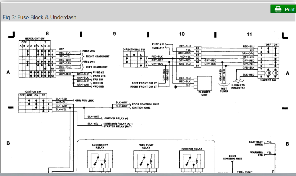
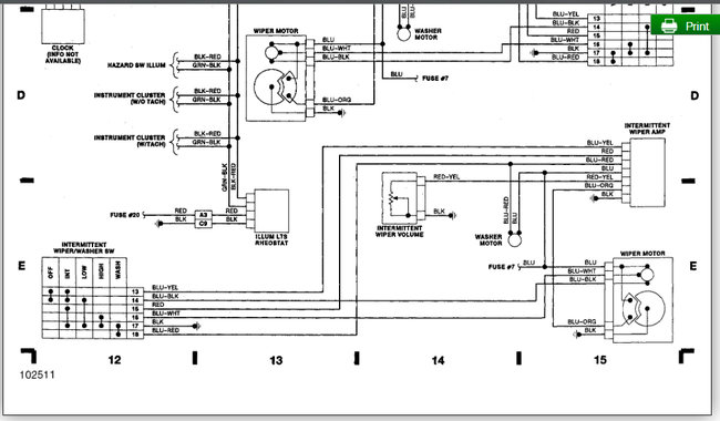
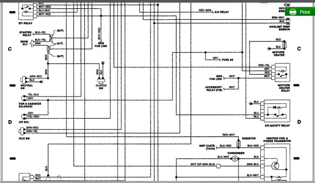
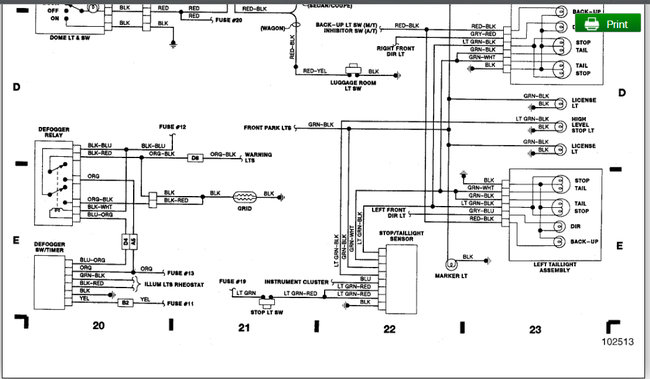
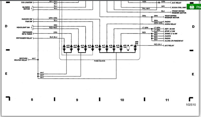
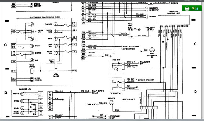
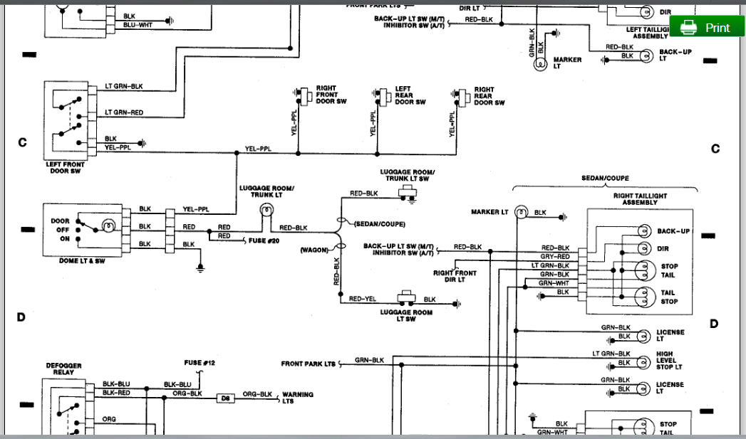
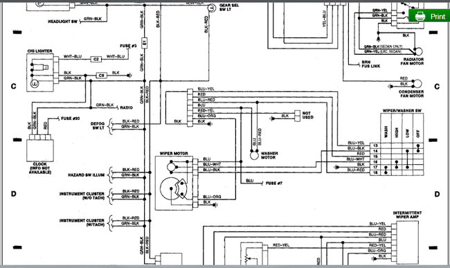
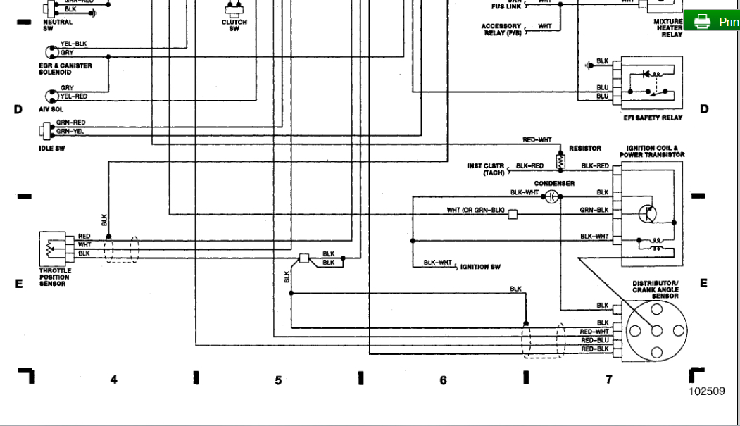
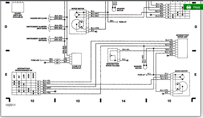
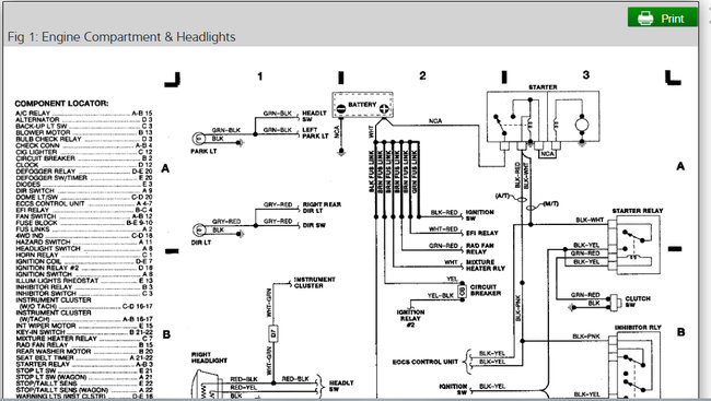
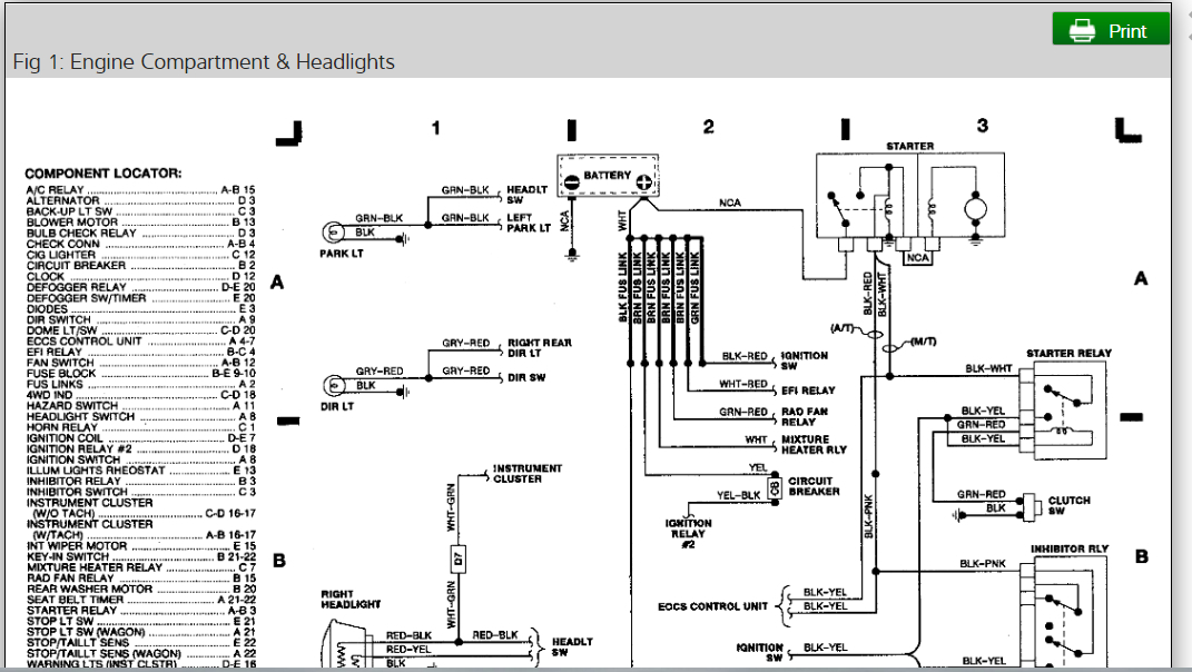
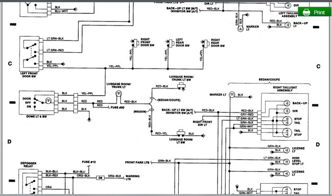
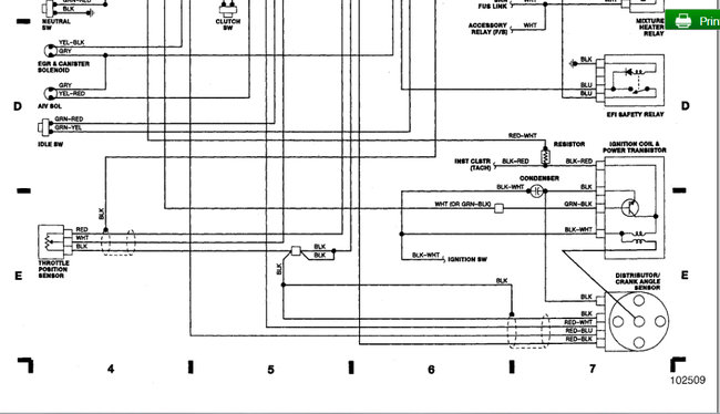
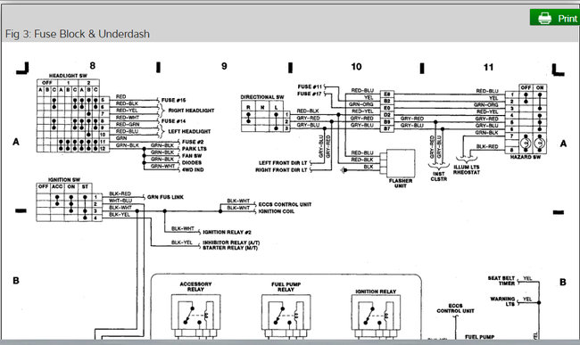
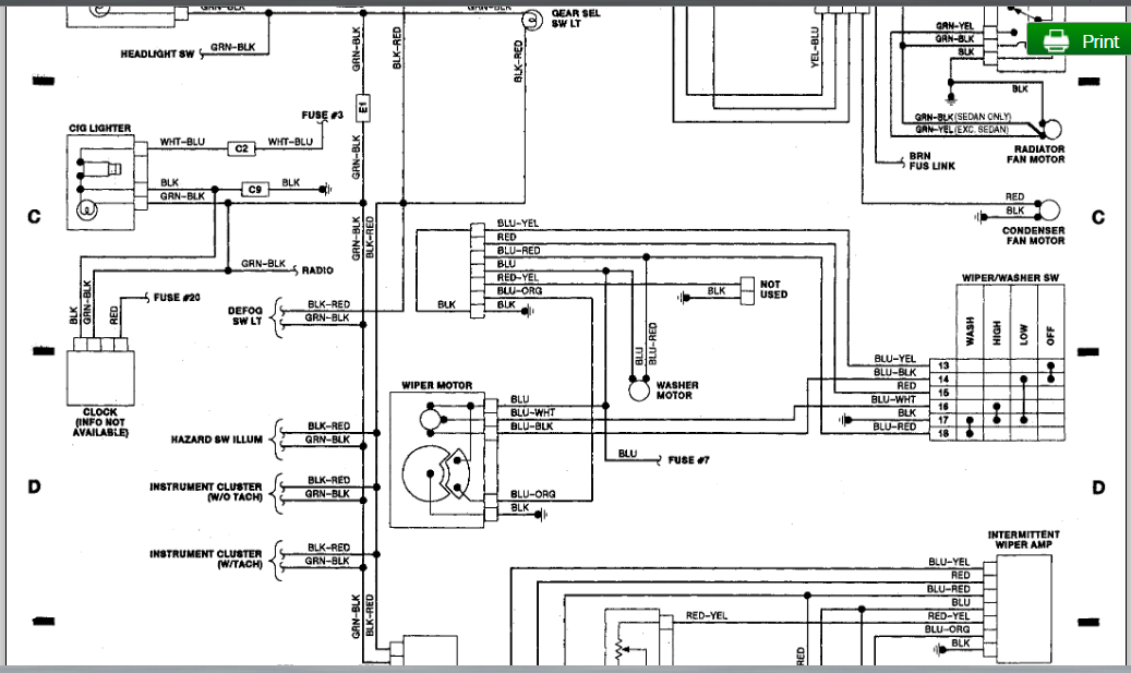
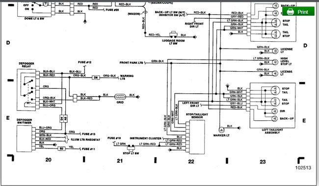
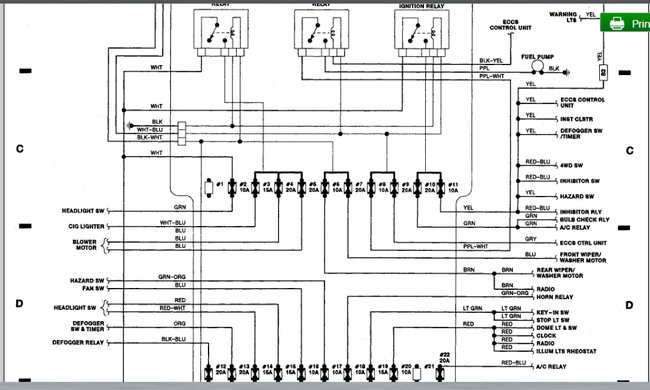
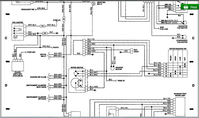
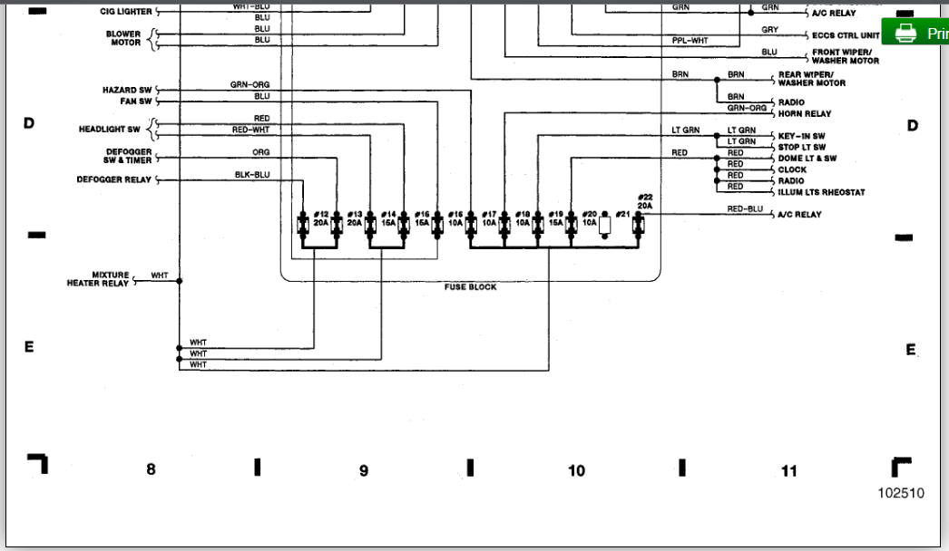
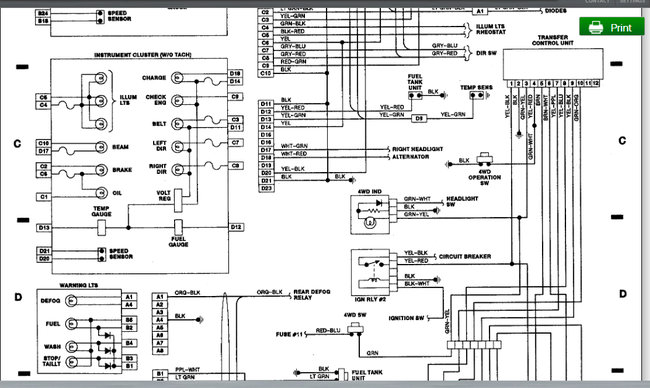
I know that wiring problems can be very frustrating and that finding information on an older vehicle only adds to the frustration sometimes. I am truly sorry about that. It probably is the ECU that is at fault. Look at it like this, you didn't drive the vehicle into a river or somewhere where it was completely submerged. Not only that but every electrical circuit on that car is fuse protected for just such situations as this. I am including every single wiring diagram that I have on your vehicle in the diagrams below. I hope that this helps you out in some way. It is all the electrical information available to me me on your vehicle.

Thanks,
Alex
2CarPros

Mar 31, 2019 at 10:26 PM
Avatar
RUBYANDTHEPEACH
  • MEMBER
  • 22 POSTS
Alex,
Man, that's a lot of stuff. I will say this though. In the time I've had this car, the check motor light has never come on. Last year when it didn't pass smog. Even when the ECU cooked. Could be the bulb is out. I looked at the fuse box after this and none were blown. Maybe an inline fuse somewhere. I have noticed though that coming out of first and second gears it's pretty rough with little or no power, and if you can get to around 35-40 in third, it smooths out quite a bit, and even into 4th. But after 6-7 seconds in 4th it cuts out and loses power. If you let off the pedal for 2-3 seconds and ease back into it it smooths out then it repeats again. By the way, thanks for the diagrams. Now if I only new how to read'em. Aint nothing like my Chevelle.
I need some advice on something. Last week at AutoZone, one of the customers came out to look at my car to see if he could tell what it was. With a flashlight, you could see the gas swirling around down the throttle body. This is after we found out the injector couldn't be tested. He squeezed the fuel line almost in half and it ran smoother. Until I get this fixed, how mush harm will it do if I restrict the line some to quit dumping so much gas?
Chris
Apr 2, 2019 at 12:17 AM
Avatar
SCGRANTURISMO
  • CERTIFIED EXPERT
  • 4,897 POSTS
Hello again,

I wouldn't recommend this. The worst thing that you can do to engine for it's longevity is to run it lean. Having an engine run richer is by far the lessor of the two evils, When an engine runs lean it is in danger of blowing up. I have personally done this before and the result for me was a blew a hole threw the top of number piston, fractured and bent the connecting rod, and had to do a complete engine rebuild. Look at the o-rings on the injector. A lot of times the o-rings will get damaged and leak fuel. Short of this the fuel injector should be replaced. Fuel injectors are nothing more than on/off solenoids and if you have a sticky one it should be replaced.

Thanks,
Alex
2CarPros
Apr 2, 2019 at 11:36 AM
Avatar
RUBYANDTHEPEACH
  • MEMBER
  • 22 POSTS
Alex,

I didn't think it was wise. I know the check motor bulb works, when the ignition is turned on(before it cranks), the light is on. For the injector, I never replaced one. It's just below the air cleaner lid, so I was told. Just weird that it seemed fine before the ECU burned.
I thought about getting that ECU from eBay, but man, buying a used part that could also be bad is risky.
I want to ask you about the MAF sensor. How hard is it to take off and clean on those 88 cars? Or would it be worth it? I can't buy just the MAF sensor. Or the TPS. Again, everything worked before.
Thanks for putting up with all the questions.
Chris
Apr 3, 2019 at 5:04 PM
Avatar
SCGRANTURISMO
  • CERTIFIED EXPERT
  • 4,897 POSTS
Hello again,

I have included a couple of links for you to go to down below.

https://www.2carpros.com/articles/mass-air-flow-service
https://www.2carpros.com/articles/throttle-actuator-service

Please go through these guides and get back to us with what you find out.

Thanks,
Alex
2CarPros
Apr 4, 2019 at 12:56 AM
Avatar
RUBYANDTHEPEACH
  • MEMBER
  • 22 POSTS
Alex,
I got that ECU off eBay and installed it. Most of the trouble I've had is gone. Gas mileage is about triple(was around 8 mpg). After shifting through all four gears, seems to run smooth no more shaking or jerking, very little if any smoke from tailpipe. Can't smell that rich gas odor.
But, the idle is better but still a little rough(has a different smell, slight shaking, and sounds to me like a little knock to it), and it stalls frequently(not always)when coming to a stop. There is a slight loss of power when holding speed steady(usually third or fourth gear) but if you press on the gas it picks back up. Going to change air/fuel filter this weekend(even though they're only one year old, about 4,000 miles).
Thanks,
Chris
Apr 17, 2019 at 6:19 PM
Avatar
SCGRANTURISMO
  • CERTIFIED EXPERT
  • 4,897 POSTS
Hello,

Let us know if we can help. It's why we are here.

Thanks,
Alex
2CarPros
Apr 17, 2019 at 7:26 PM
Avatar
RUBYANDTHEPEACH
  • MEMBER
  • 22 POSTS
Alex,

Forgot to get back to you. I changed the filters, even the small crank filter in the snorkel (never was one when I bought the car) a few months ago. Sounds weird, but it seems to run slightly worse. It still idles rough and stalls when coming to a stop a lot. It is very gradually getting worse.
Not sure what to look for.
Sep 9, 2019 at 2:58 PM
Avatar
SCGRANTURISMO
  • CERTIFIED EXPERT
  • 4,897 POSTS
Hello again,

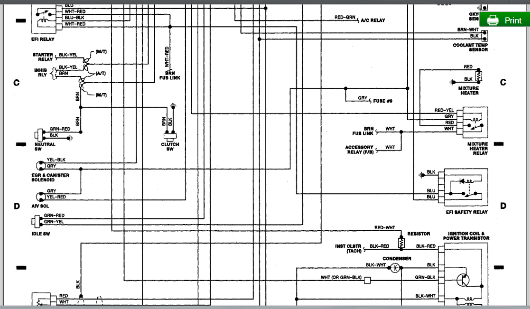
This could a problem with your vehicle's Idle Speed Control valve. In the diagrams down below I have included a factory diagnostic flowchart for the inspection of the Idle Speed Control valve on your vehicle. You will need to use a Digital MultiMeter to do these tests, so here is a link on how to use one, if needed.

https://www.2carpros.com/articles/how-to-use-a-voltmeter

Please go through this troubleshooting flowchart and get back to us with what you are able to find out.

Thanks,
Alex
2CarPros
Sep 10, 2019 at 9:05 PM
Avatar
RUBYANDTHEPEACH
  • MEMBER
  • 22 POSTS
Sorry to get back so late. I have to get a more reliable meter. The cheap one i have isn't any good.
A couple things though. As the car gets warmer, the idle improves some, but it's still rough. It also has a rich smell cold or warm. Not a gassy smell, it's more high emissions.
As your driving, sometimes it loses power, like a slight surge, then clears up. This is random.
About 2 months ago, I was wiggling the main harness(next to the TPS which branches out into all the sensors) to see if there was a loose connection somewhere. The idle would fluctuate up, then go down to normal right away.
Did that a couple times. I traced what I thought (not 100% sure), was a 2 wire harness leading to the back of the throttle body (facing motor-left side behind the T.B.). It screws into the T.B. and has a white plastic housing. When I wiggle the harness now, it doesn't do it anymore. Is this a coolant temperature sensor?
Thanks once again,
Chris
Sep 30, 2019 at 3:57 PM
Avatar
SCGRANTURISMO
  • CERTIFIED EXPERT
  • 4,897 POSTS
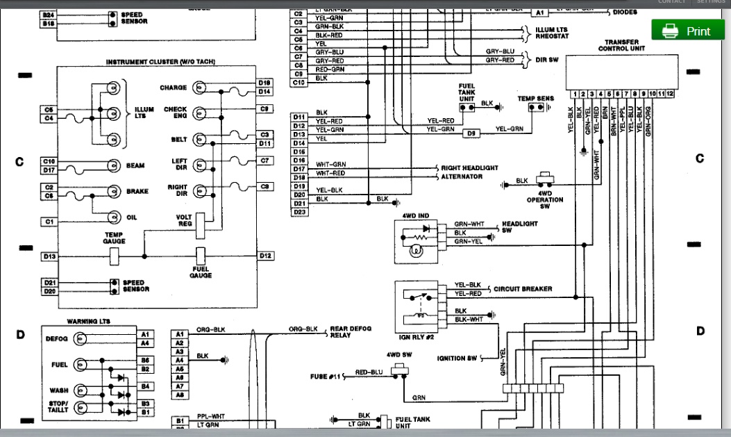
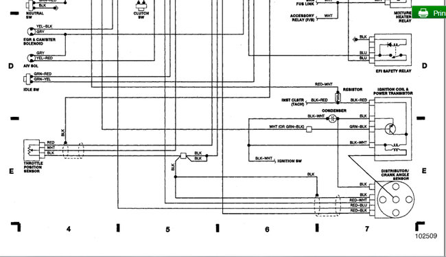
Hello again,

In the diagrams down below I have included a diagram of the sensors of your vehicle in the diagrams down below. ou should be able to determine what the component is from this.

Thanks,
Alex
2CarPros
Oct 1, 2019 at 3:43 AM