coolant temperature sensor location?

2007 FORD ESCAPE
70,000 MILES • 2.3L • 4 CYL • FWD • AUTOMATIC
Avatar
VLADPACK
  • MEMBER
  • 1 POST
Where is located the engine coolant temperature sensor on the vehicle listed above? Fan only works when I turn on the A/C .
Jul 19, 2017 at 2:29 PM
Advertisement
Avatar
HMAC300
  • CERTIFIED EXPERT
  • 48,601 POSTS
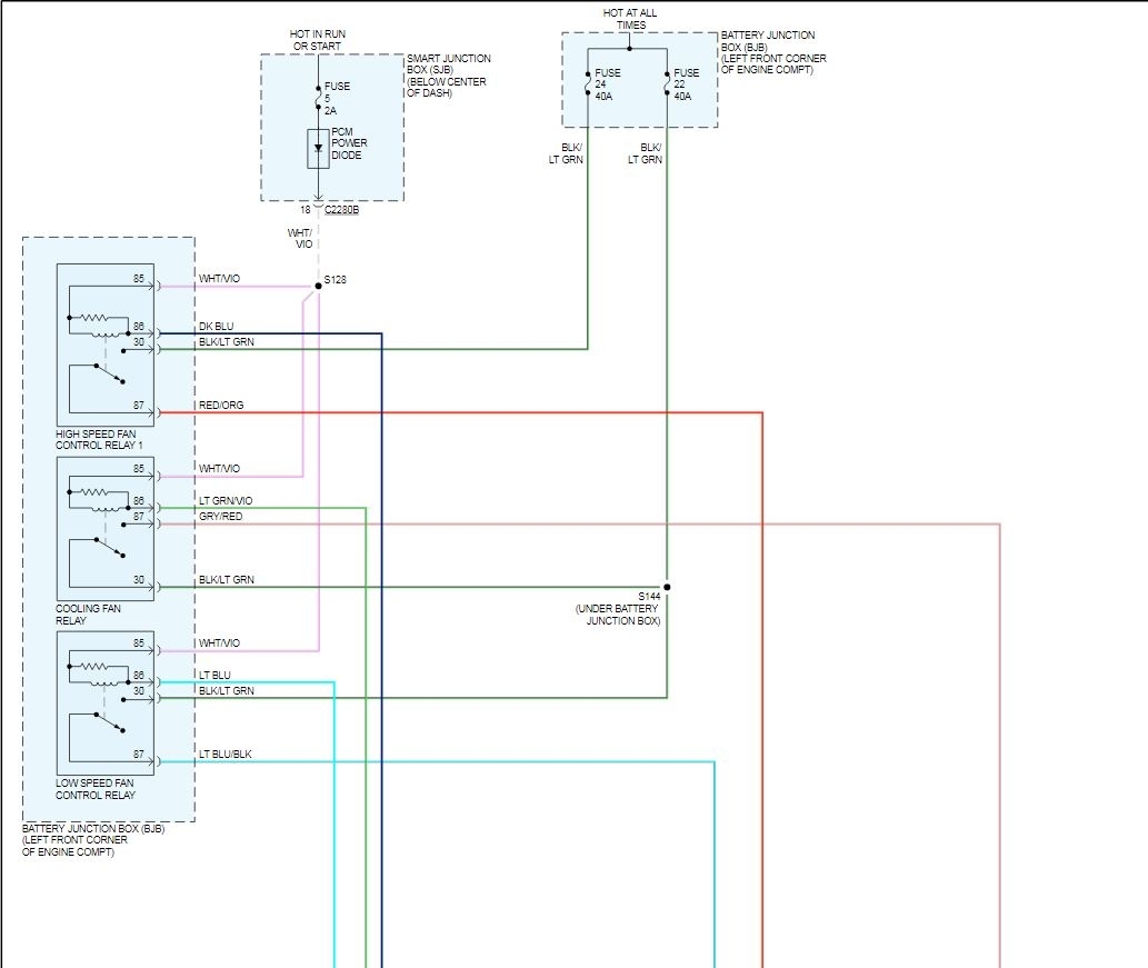
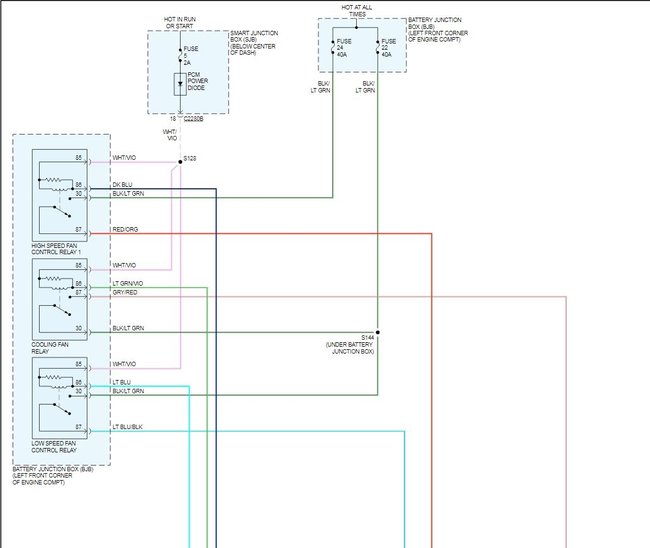
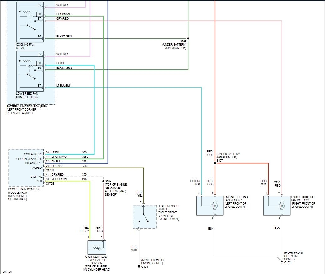
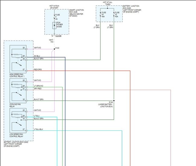
You do not have an ECT. you have a cylinder head temperature sensor. Check fuses in picture and relays as any of those can knock out the fans. See link as well.
https://www.2carpros.com/articles/how-to-check-an-electrical-relay-and-wiring-control-circuit
Jul 19, 2017 at 3:19 PM
Avatar
JEREMY DEROCHE
  • MEMBER
  • 1 POST
I am trying to locate the coolant temperature sensor. I am getting mixed information online and in the $20.00 manual I bought. In the manual it says that the 2006 four cylinder does not have an actual ECT. It is an CHT (cylinder head temperature sensor). I need to know where the sensor is located on the vehicle to verify if the guy at the auto parts store gave me the proper sensor or not. I cannot seem to find any good video or diagram online for the exact year and model of my vehicle. Can someone please help clear up this confusion for me?
Jul 5, 2021 at 11:44 AM (Merged)
Advertisement
Avatar
CJ MEDEVAC
  • CERTIFIED EXPERT
  • 11,004 POSTS
Looks like the Non-Hybrid 2.3L has the "CHT sensor"

The eighth digit in your VIN is "Z" (a hybrid would be "H").

This should be really easy to locate, I posted a diagram from "Prodemand" (listed at top middle of diagram).

The Medic
Jul 5, 2021 at 11:44 AM (Merged)
Avatar
FREDD10
  • MEMBER
  • 1 POST
Need to locate the Coolant Temperature Sensor. Any chance someone can give me an idea of where to look? I need a diagram. Thanks!
Jul 5, 2021 at 11:44 AM (Merged)
Avatar
ASEMASTER6371
  • CERTIFIED EXPERT
  • 52,796 POSTS
Good evening,

I attached a picture of the location of the sensor for you. This is the best I could find.

What is the issue that leads you to replace this?

Roy
Jul 5, 2021 at 11:44 AM (Merged)
Avatar
DMCFADDEN56
  • MEMBER
  • 1 POST
I can locate the sensor right next to thermostat, but auto parts place says there is two for my 3.0L engine. Says the temperature sensor switch is for the gauge inside and the other one for computer. if so, where is the sensor switch for the gauge located at on the block? Any help would appreciated.
Jul 5, 2021 at 11:45 AM (Merged)
Avatar
CARADIODOC
  • CERTIFIED EXPERT
  • 34,306 POSTS
There always used to be two coolant temperature sensors, one with two wires for the Engine Computer, and another with just one wire for the dash gauge. By 2003, most models had just the two-wire sensor, then the Engine Computer sent the data to the most complicated computer on the vehicle, which is the instrument cluster.

Be aware other engine sizes may still use two coolant sensors, and Ford has started calling one of them the "cylinder head temperature sensor".
Jul 5, 2021 at 11:45 AM (Merged)
Avatar
RICKY927
  • MEMBER
  • 11 POSTS
Can't locate any diagrams of the coolant temp sender that controls my inside gauge, it stays at halfway when I flip the key to on position after vehicle has been sitting a few days, and engine is cold.
Jul 5, 2021 at 11:45 AM (Merged)
Avatar
HMAC300
  • CERTIFIED EXPERT
  • 48,601 POSTS
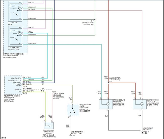
on back of rh cylinder head see pic
Jul 5, 2021 at 11:45 AM (Merged)
Avatar
RICKY927
  • MEMBER
  • 11 POSTS
Thanks for the reply, but is this the temp "sender" or temp "sensor", they sell both for my vehicle and I changed the temp sensor already, which I believe is shown in the diagram you sent, but I can't locate this sender, does my vehicle not have it, cause I can't find it, I was told that the "sensor" is for the computer, and the " sender" controls the gauge.
Jul 5, 2021 at 11:45 AM (Merged)
Avatar
STRAILER
  • CERTIFIED EXPERT
  • 53,854 POSTS
Does the gauge move at all? These gauges are cheaply mass produced and go bad often, the cluster may need to be replaced with a rebuild unit.
Jul 5, 2021 at 11:45 AM (Merged)
Avatar
HMAC300
  • CERTIFIED EXPERT
  • 48,601 POSTS
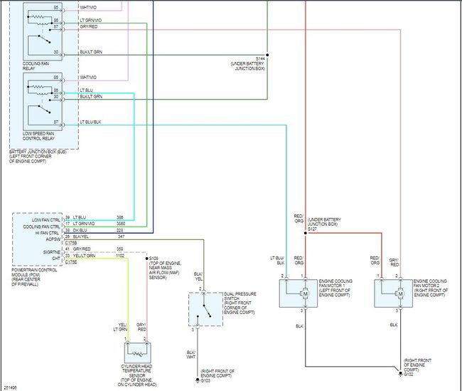
there is no sender the signal is received from the pcm which controls that gauge or it's run through what is called a can/bus system the only difference in parts is one is listed for a gauge and another isn't it mounts where the pic was
Jul 5, 2021 at 11:45 AM (Merged)
Avatar
RICKY927
  • MEMBER
  • 11 POSTS
Yes the gauge does move but stays at halfway point, when i start the vehicle or even just flip the key to the on position it goes to halfway and stays, even if the vehicle has been sitting for a few days and I know it's ice cold.
Jul 5, 2021 at 11:45 AM (Merged)
Avatar
STRAILER
  • CERTIFIED EXPERT
  • 53,854 POSTS
It sounds like the gauge is bad have you replaced the cluster?
Jul 5, 2021 at 11:45 AM (Merged)
Avatar
RICKY927
  • MEMBER
  • 11 POSTS
No, is it expensive, and its tough to get to.
Jul 5, 2021 at 11:45 AM (Merged)
Avatar
STRAILER
  • CERTIFIED EXPERT
  • 53,854 POSTS
Might be the only way to fix it though
Jul 5, 2021 at 11:45 AM (Merged)
Avatar
DIRTYRED724
  • MEMBER
  • 1 POST
My car with a V6 engine was overheating, I changed the water pump, thermostat and flush the radiator and checked the hose for leaks.after all that, it's still overheating for some reason. so I’m thinking it’s coolant sensor or heating sensor. Help please
Jul 5, 2021 at 11:45 AM (Merged)
Avatar
JACOBANDNICKOLAS
  • CERTIFIED EXPERT
  • 110,175 POSTS
Hi,

If the engine is overheating, can you tell me if it does it at highway speeds as well as in town driving, or is it specific to one or the other?

Next, I attached a pic if sensor location. It is clipped into place and not bolted.

Let me know about the situations that cause it to overheat.

Take care,
Joe

Jul 5, 2021 at 11:45 AM (Merged)
Avatar
CBRACKEN
  • MEMBER
  • 2 POSTS
Where is the coolant temp sensor located on a 2001 ford escape v6 auto 4x4?
Jul 5, 2021 at 11:45 AM (Merged)
Avatar
STRAILER
  • CERTIFIED EXPERT
  • 53,854 POSTS
Hello,

The sensor is up near the front of the intake near the upper radiator hose. Here is a guide that will help you see what you are in for when changing the sensor. You will need to start by draining the coolant slightly.

https://www.2carpros.com/articles/coolant-temperature-sensor-cts-replacement

Please let us know if you need anything else to get the problem fixed. We are here to help.

Cheers, Ken

Jul 5, 2021 at 11:45 AM (Merged)
Avatar
MARLAINA PETERS
  • MEMBER
  • 7 POSTS
Looking for coolant sensor location on 2011 Chrysler 200 3.6. picture if you have it would be great.
Jul 5, 2021 at 11:45 AM (Merged)
Avatar
STRAILER
  • CERTIFIED EXPERT
  • 53,854 POSTS
Please post your question here

https://www.2carpros.com/questions/new

Cheers, Ken
Jul 5, 2021 at 11:45 AM (Merged)