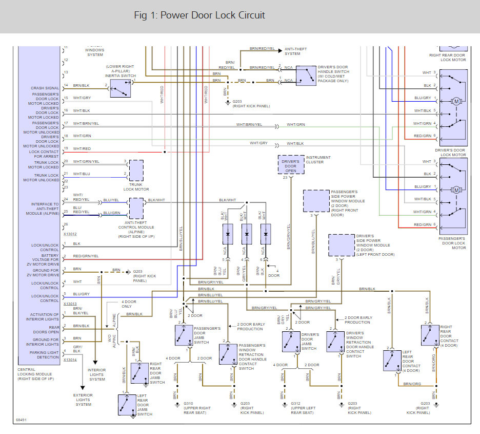
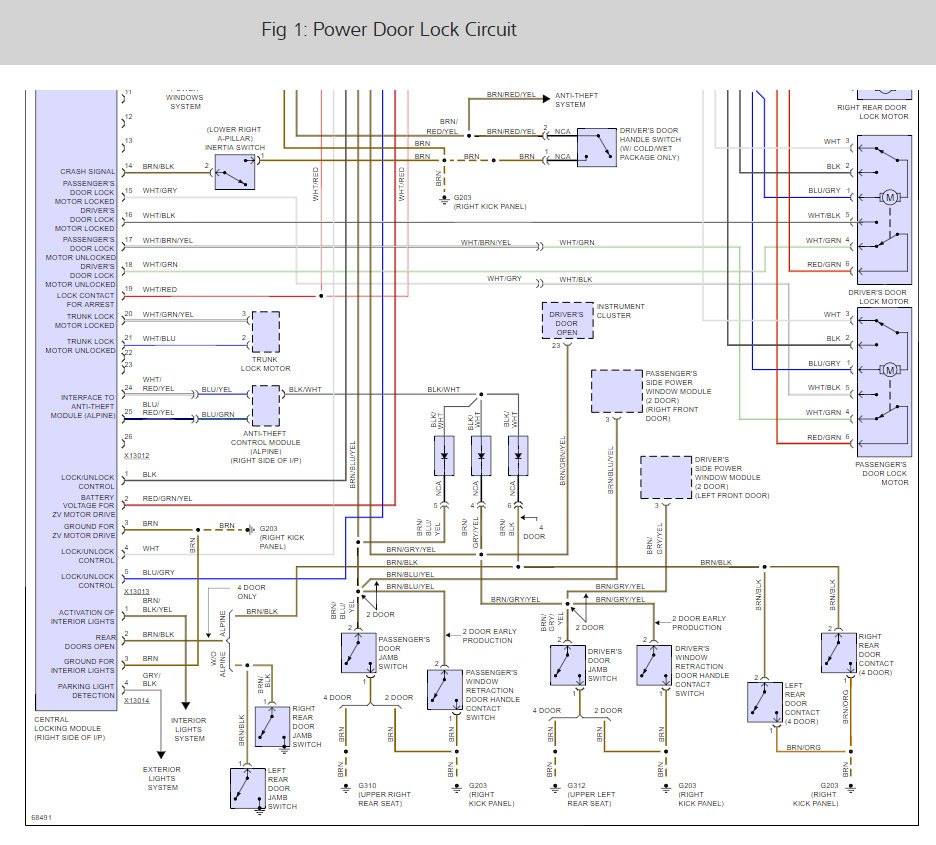
Hi guys, first time posting here. I am a proud owner of the car listed above it is an e36 318i with m42 engine. I have been battling to get my central locking and alarm system working, without success. I no longer have access to the lock/unlock buttons on the remote. I do however manually unlock the front doors with this key. If locked it will then blink and give a constant red led on the center console. When I do open the boot {if not locked} hazards will flash including headlights, but no sound or buzzer. When unlocking and opening the drivers' door all the flashing stops. The rest of the doors still remains locked and do not pop up when unlocking the drivers' door.
I have been trying to isolate and troubleshoot but just cannot get to it. Please help.
I have been trying to isolate and troubleshoot but just cannot get to it. Please help.
Feb 5, 2018 at 4:22 AM


