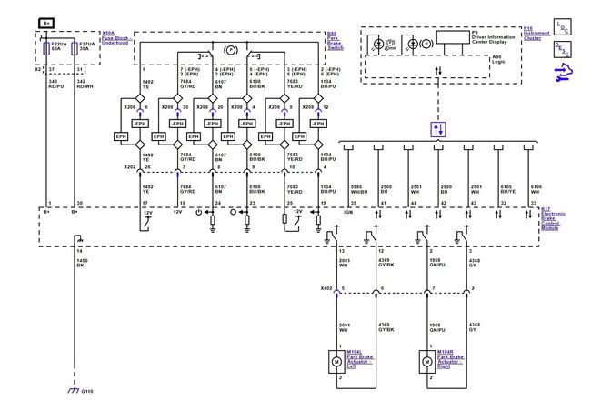
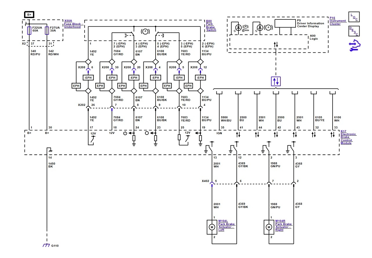
I had to have my brake booster and ABS module replaced. I picked my vehicle up from the mechanic and discovered the e-brake was not engaging. Indicator lights are not appearing in the dash to show its active or has been released. I have no emergency brakes!
What could be wrong? Could the repairs to the other two components have caused this issue? Can I fix this myself?
What could be wrong? Could the repairs to the other two components have caused this issue? Can I fix this myself?
Dec 8, 2024 at 4:46 AM

