Will not stay running?

2003 GMC ENVOY
200,000 MILES • V8 • 4WD • AUTOMATIC
Avatar
FAST58MOODY
  • MEMBER
  • 1 POST
have checked a lot of stuff on it, put new starter on it, checked ground wires. It will start but shuts off.
May 8, 2023 at 2:15 PM
Advertisement
Avatar
JACOBANDNICKOLAS
  • CERTIFIED EXPERT
  • 110,175 POSTS
Hi,

When this happens, does it stall as soon as you release the key from the start position, or does it run a couple of seconds in the run position and then stall?

Also, are there any diagnostic trouble codes stored?

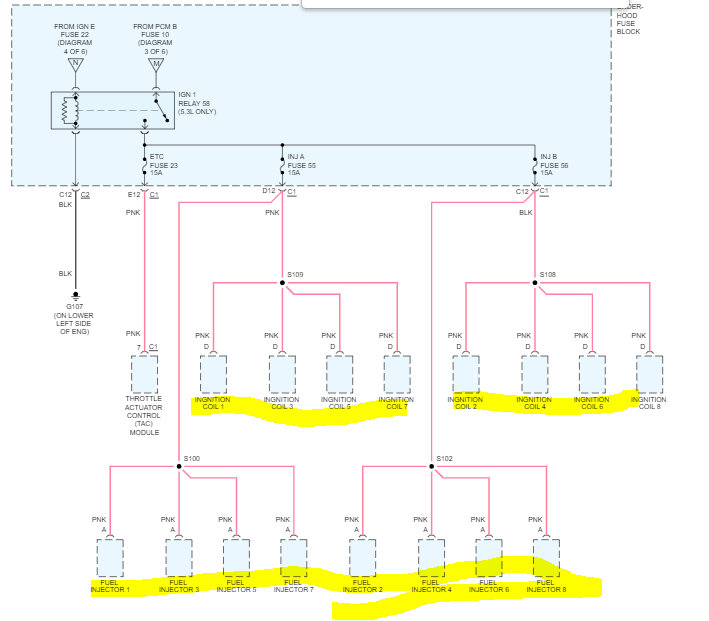
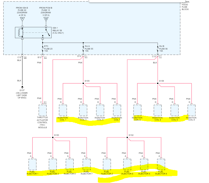
If the issue seems related to the ignition switch, we have fuses to check and power out from the switch itself, so let me know. Also, at each fuel injector and each ignition coil, there will be a pink wire. That is the power supply when the key is in the run or start position. Turn the key to the run position and confirm power. If there is none, check for power when a helper turns the key to the start position. You should have it then. See pic 1

Let me know what you find.

Take care,

Joe

See pic below.
May 8, 2023 at 7:40 PM