Dual Purpose fan never turns on?

2015 FORD FOCUS
131,000 MILES • 2.0L • 4 CYL • 2WD • AUTOMATIC
Avatar
MYTHORIR
  • MEMBER
  • 3 POSTS
There is 1 fan for both the condenser and radiator. It never turns on. I have verified the relay is good. When the a/c is turned on and pressure is built up I tested the power, ground, and voltage at both the 3-wire connector for the fan control module, and after the module going directly to the fan. Both locations have continuity. There is no voltage after the control module going to the fan. The PCM signal wire going to the control module is showing voltage, but it's pretty low. What should that voltage be?

My concern is that the PCM is never actually sending the signal to the fan control module. How can I isolate the PCM and ensure that it is in fact sending that signal?

I don't have a super elaborate scan tool, but I do have a decent one. I can see the engine temperature going up through the scan tool, so coolant temperature sensor is sending the signal. The A/C compressor shuts off when the pressures get too high, so the A/C pressure switch is sending signal.
Aug 14, 2023 at 10:36 PM
Advertisement
Avatar
STRAILER
  • CERTIFIED EXPERT
  • 53,854 POSTS
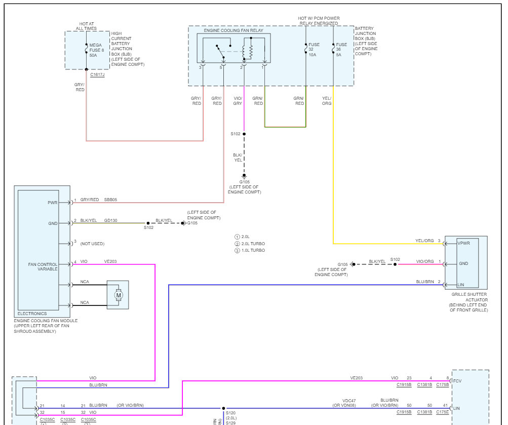
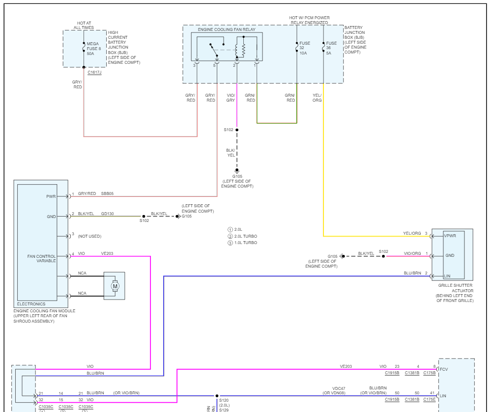
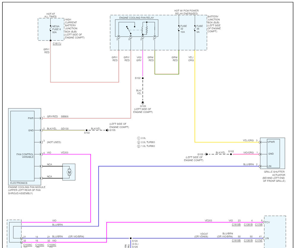
It sounds like the fan control module is out which is common. Here are the radiator fan control wiring diagrams so you can see how the system works. There are three fuses that run the system. Please make sure they are good and have power.

https://www.2carpros.com/articles/how-to-check-a-car-fuse

The wiring diagrams show the fuses. Here is a new cooling fan module and motor on Amazon for $170.00:

https://amzn.to/45rKy50

Check out the images (below). Please let us know how it goes.
Aug 15, 2023 at 11:16 AM
Avatar
MYTHORIR
  • MEMBER
  • 3 POSTS
I was thinking the control module, but it's been replaced twice this year and hasn't fixed the issue. That's why I was looking at the PCM.
Aug 15, 2023 at 11:54 AM
Advertisement
Avatar
STRAILER
  • CERTIFIED EXPERT
  • 53,854 POSTS
I would check the ground #G105 at the left side of the engine compartment.

This guide can help:

https://www.2carpros.com/articles/how-to-check-wiring

If the ground has resistance, it will cause the fan control module to go out. Also, we should run the codes to see if the coolant sensor is okay.

https://www.2carpros.com/articles/checking-a-service-engine-soon-or-check-engine-light-on-or-flashing

Here is how to change out the PCM in case you need it, you can get a preprogrammed unit by searching Google or Ebay. Here is the coolant sensor as well. Please let me know how it goes. Check out the images (below).

Aug 16, 2023 at 11:03 AM
Avatar
MYTHORIR
  • MEMBER
  • 3 POSTS
There are no codes in the system, and my scan tool is reading the engine coolant temperature from the temperature sensor.

Okay. The voltage at the violet wire for pin 8 on the smaller connector of the PCM (harness 2) is the same as the voltage at the violet wire going into the fan control module. It's reading 130-138mV. Since those values are the same, it does seem like the fan control module.

I also checked every ground I could find, cleaned them up, and sanded away the paint under them to make sure they were as grounded as they could be.

I'm honestly not sure how much voltage the PCM is supposed to send through the signal wire, but less than 1V doesn't seem like much. The question now is if the PCM is sending enough voltage. If it is, then I guess I just confirmed that it is indeed the fan control module, and that the 2 parts replaced this year were both bad. If it isn't sending enough voltage, does that mean the PCM is bad?
Aug 17, 2023 at 2:33 PM
Avatar
STRAILER
  • CERTIFIED EXPERT
  • 53,854 POSTS
The PCM varies the ground to the fan control module to control fan speed. I would get an OEM part.
Aug 18, 2023 at 9:49 AM