Why is my dual climate control display not working?

1998 PONTIAC GRAND PRIX
154,000 MILES • 3.8L • 6 CYL • 2WD • AUTOMATIC
Avatar
BODYMAN2
  • MEMBER
  • 2 POSTS
Dual climate control display not working.
Aug 29, 2022 at 5:13 AM
Advertisement
Avatar
STRAILER
  • CERTIFIED EXPERT
  • 53,854 POSTS
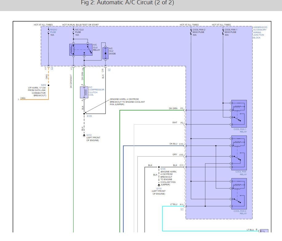
It could be the control panel that is out, but we should check the power fuse (DIC/HVAC and HVAC HIGH) first.

Here is a guide to help you with the HVAC wiring diagrams below so you can see how the system works:

https://www.2carpros.com/articles/how-to-check-a-car-fuse

Check out the diagrams (below). Let us know what happens and please upload pictures or videos of the problem.
Aug 29, 2022 at 12:05 PM