I had this code scanned
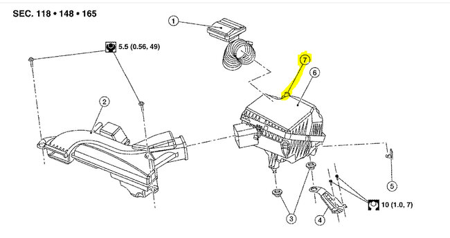
P0101
My car is driving normal, but my Check engine light is on.
I am requesting troubleshooting steps and if possible, a diagram to locate the affected parts to replace/repair.
Thank you
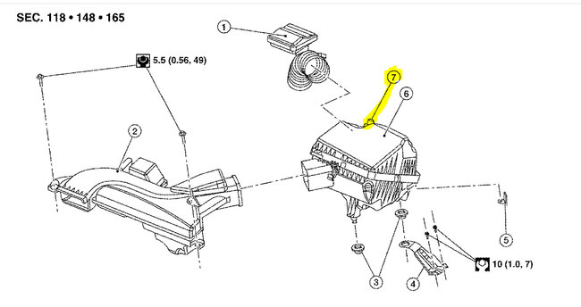
P0101
My car is driving normal, but my Check engine light is on.
I am requesting troubleshooting steps and if possible, a diagram to locate the affected parts to replace/repair.
Thank you
Apr 14, 2024 at 5:40 PM













