Codes P161b, P2106, and P2110?

2007 SUZUKI RENO
85,544 MILES • 2.0L • 4 CYL • 2WD • MANUAL
Avatar
DARRR2
  • MEMBER
  • 10 POSTS
I recently took my car to the shop to get an estimate of what was wrong with it. Has P161b, P2106, P2110. The mechanic told me what was needed to fix it. So, i replaced the bad parts but it still has the same error codes and still in limp mode and still runs the same as before. Replaced the throttle body assembly and MAP sensor, accelerator pedal position sensor, also i erased the codes and did a relearn. I am out of ideas and the internet doesn't tell what is wrong. I would appreciate any fixes to get this car back running.

Aug 27, 2022 at 10:28 AM
Advertisement
Avatar
STEVE W.
  • CERTIFIED EXPERT
  • 15,113 POSTS
Those are interesting codes. They point at the throttle control system but none of them show an actual fault with the throttle body or the MAP. The first one P161b is set if the ECM detects that the engine isn't producing the power it should for a given throttle setting or airflow reading. The next two are both codes set when the system goes into limp mode and reducing power. The common item between them is the throttle body and the ECM and the wiring between them. To diagnose the issue is going to take more testing using a scan tool to watch the throttle motion compared to the requested opening as the throttle pedal is moved. Then you need to watch the power output and idle speeds to see if there is another cause for the ECM thinking the throttle is wrong, that could be as simple as a vacuum leak adding air or even a bad purge valve adding fuel. Can you access live data with the tool you have?
Aug 27, 2022 at 3:42 PM
Avatar
DARRR2
  • MEMBER
  • 10 POSTS
Steve W.

Yes, I can see live data with my scan tool. I have a picture of the live data that I printed that I can send you. The live data was not driving the car it was stationary in the garage because I don't want to damage the car trying to drive it with the engine light on and it will only go like 20-25 MPH. I will try to send you the information and if I need to do another live data test will you let me know? Also, I will send you a picture of the est. from the mechanic. Thank you again. So far you are the only person that has answered my question and that has been really nice about helping me out.

Aug 28, 2022 at 1:38 AM
Advertisement
Avatar
STEVE W.
  • CERTIFIED EXPERT
  • 15,113 POSTS
Okay, if you can see live data you are going to want to watch the fuel trims once the engine goes into closed loop and if possible the throttle percentages compared to the amount requested by the ECU, so say you step on the pedal and the ECU shows a request for 5% but the actual number is 2% or none, then it's time to look for a problem in the harness. The way the system uses two different signals that are opposites, so as one signal rises the other lowers, then it compares those values with what it is stored in the program tables and moves the throttle body motor the same way, it also feeds back a double signal to tell the ECU how far it is open. If something fails in that circuit the car goes into limp mode because it's not sure what sensors to believe. What can throw this off is if there is a vacuum leak or if the purge valve was open and dumping fuel into the engine. In those cases, the ECU looks at the pedal position and says 5% throttle, the throttle body opens 5% but the ECU sees an RPM and power output from the engine that matches a 10% throttle change. These are continuous monitors, so it turns the light on and sets the code.
What you need to do is look at long- and short-term fuel trims as well as the throttle positions and see if the data matches correctly. So, say you look at the fuel trims and at idle the trims are trying to remove fuel but as soon as you touch the throttle the numbers go positive, that will indicate extra fuel from something. Now as you don't show any misfire codes, I suspect the extra fuel is from the EVAP system. If the numbers were reversed and it was adding fuel but as you open the throttle it starts removing it, then it's a vacuum leak. Both can change the expected power output compared to the throttle inputs.
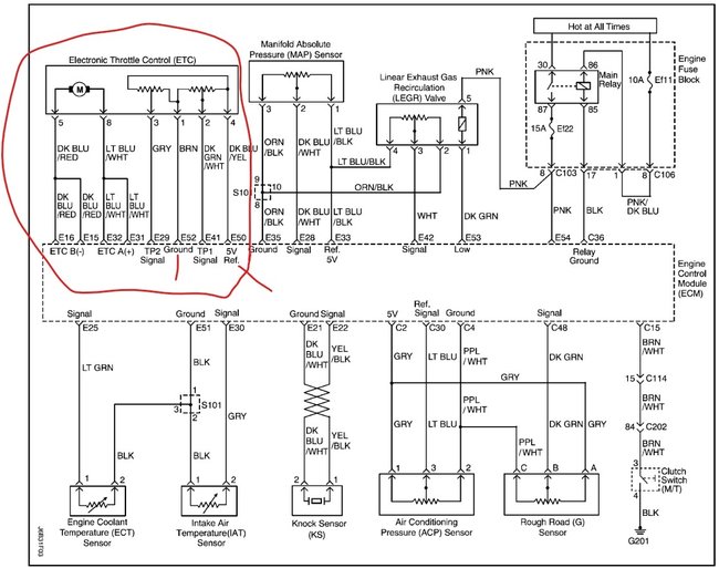
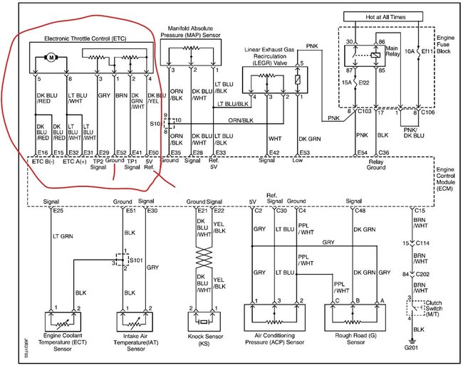
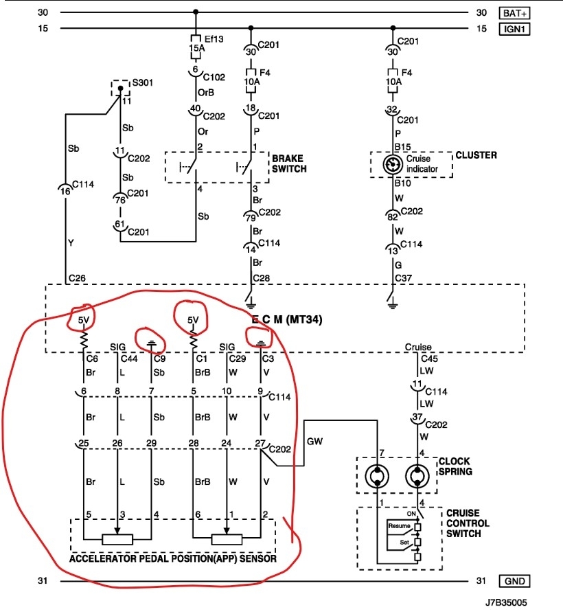
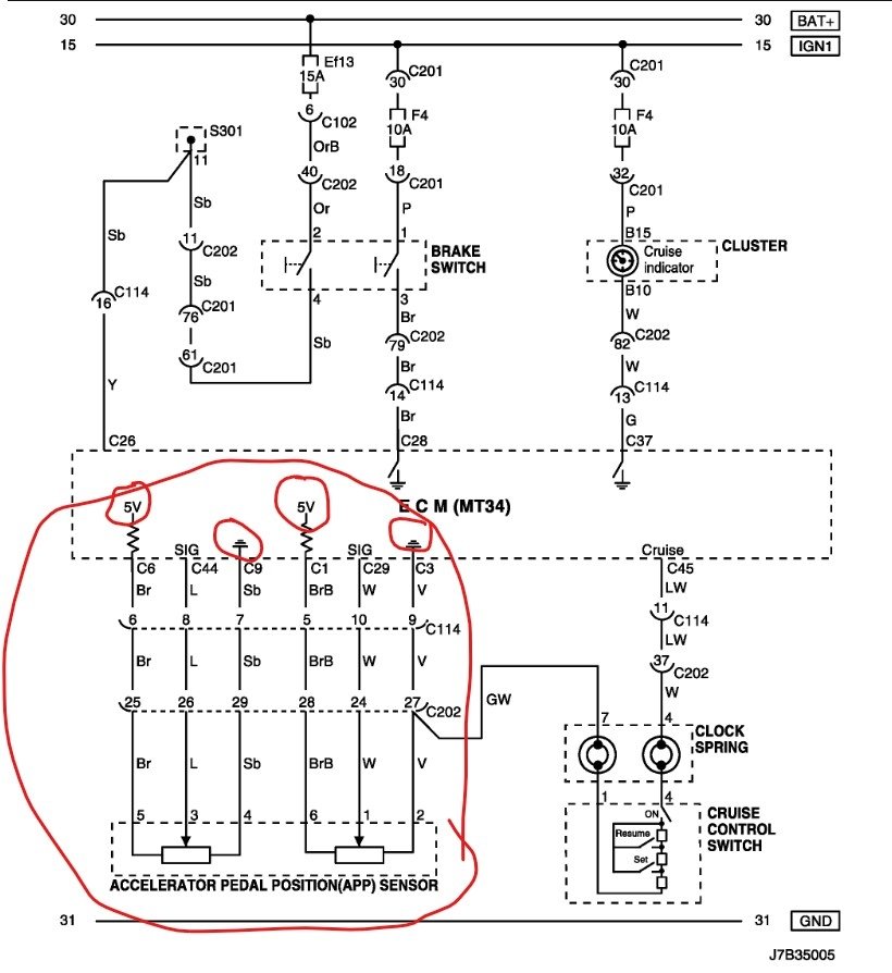
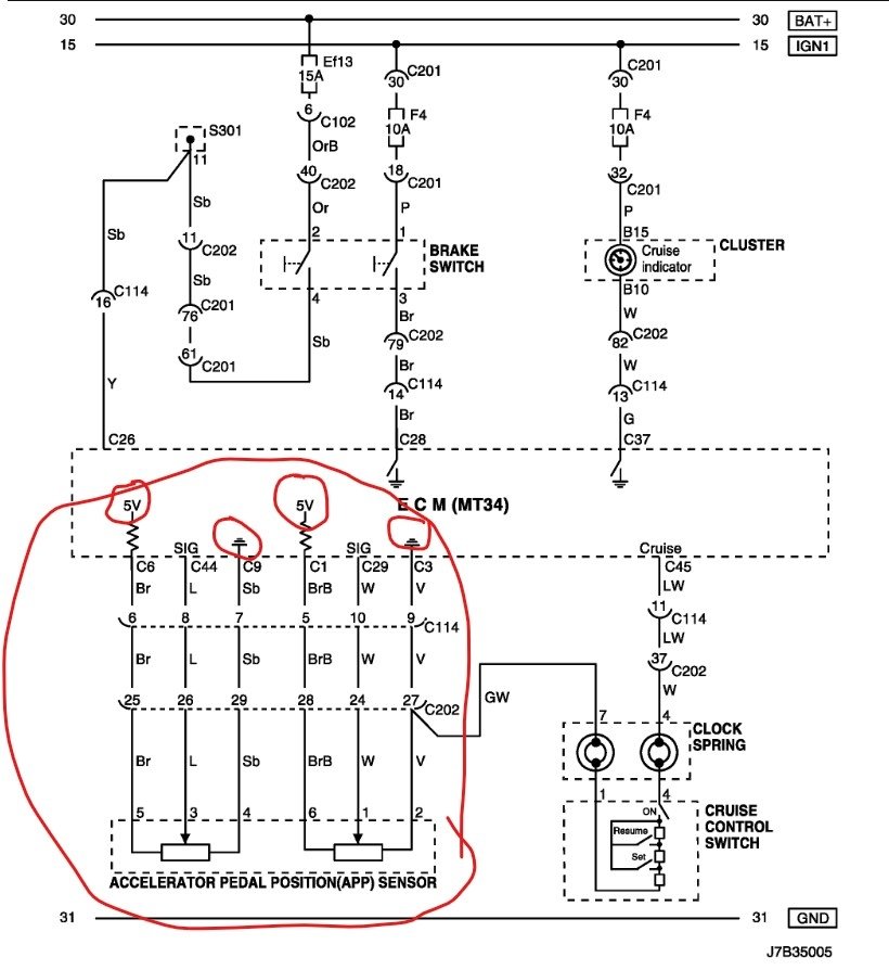
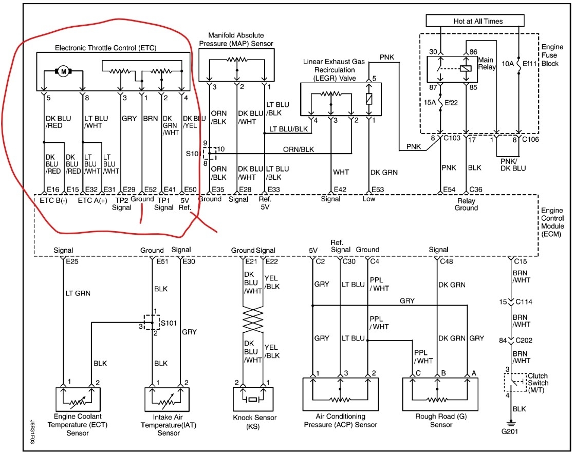
Now for testing other than live data, look over the wiring harness at the pedal and the throttle body, it's possible that a broken or corroded wire in the harness could also cause these codes. I would suspect corrosion more than a break as there are circuit tests that would also set codes in the event of a broken wire. In both cases you need to look for two primary items, to the pedal assembly there are two different 5-volt feeds, then two grounds. If either of those fail you get a code, same thing at the throttle body. The wiring diagrams are attached, and you just need to use a voltmeter to check for the 5-volt reference and the ground.
Aug 28, 2022 at 9:16 AM
Avatar
DARRR2
  • MEMBER
  • 10 POSTS
Steve,

I will do those tests and let you know what I find. Thank you

Aug 29, 2022 at 2:25 PM
Avatar
STEVE W.
  • CERTIFIED EXPERT
  • 15,113 POSTS
We'll be here. Good luck during the tests, hopefully you will find the issue.
Aug 29, 2022 at 11:01 PM
Avatar
DARRR2
  • MEMBER
  • 10 POSTS
Steve W, I started at looking at all the wires in the engine compartment but didn't find any bad ones. I decided to look at the wires inside under the driver's side dash and found a black wire in a splice pack that was exposed so i repaired it. Now i have to tape all the engine wires back up and check to see if that was the problem. I did start it & ran it for a bit and it wasn't idling rough it was running really smooth like how it used to run. I will let you know if it was successful or not. Thank you, I appreciate all your help in my time of need.
Nov 19, 2022 at 5:48 AM