DRL from Low Beam to LED?

2014 CHEVROLET SILVERADO
145,000 MILES • 5.3L • V8 • 2WD • AUTOMATIC
Avatar
BORED DUCK
  • MEMBER
  • 2 POSTS
Decided to replace OEM headlights due to cracking and poor visibility to some Projector Headlights with LED DRLs. Since the 2014 uses the low beam for DRL I would like to know if and how to use the LEDs instead of the Low beam on the new headlights.
Aug 23, 2024 at 7:48 PM
Advertisement
Avatar
STRAILER
  • CERTIFIED EXPERT
  • 53,854 POSTS
I am not sure what you are saying here? You want to swap the low beams out for LEDs, right? Here is how to change the bulbs out on both the right and left sides. Check out the images (below).
Aug 24, 2024 at 10:27 AM
Avatar
BORED DUCK
  • MEMBER
  • 2 POSTS
I know how to replace the bulbs. That is not the issue. I just completely changed the entire headlight assembly so changing the bulbs is no issue for me.

I'll try to explain my issue differently. The OEM headlights only have a low beam, high beam, and 2 turn signal lights per assembly. On the OEM headlights the Low beam was used for the DRL because they didn't have any LEDs. The Low Beam was double tasked with being DRLs and their normal duty of headlights at night. I have replaced the complete OEM headlight assembly with a newer headlight assembly that as low beam, high beam, 2 turn signals, and some LED strips. With the new light assembly, the LEDs can be dedicated for DRLs. So, the issue I have is how can I wire the new headlights to make the LEDs turn on when the DRLs are to be powered up instead of the Low beam? I have come to find out the low beam get its power and signal to turn on from the PCM. So I assume there is a way to rewire the signal from the PCM to power up the LEDs instead of the low beam when DRLs are supposed to be on.
Aug 24, 2024 at 11:35 AM
Advertisement
Avatar
STRAILER
  • CERTIFIED EXPERT
  • 53,854 POSTS
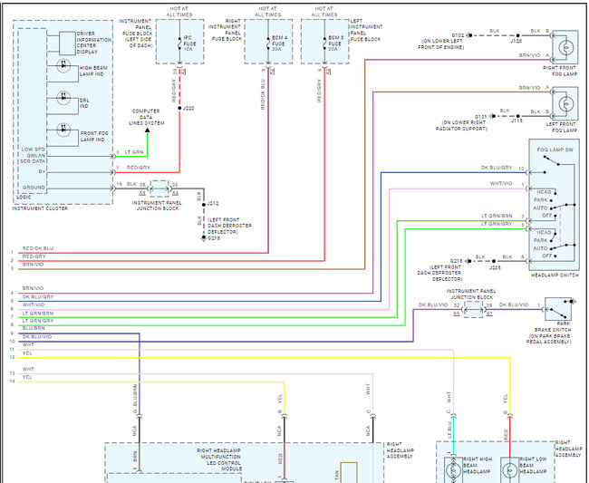
got you, I don't think you can do what you want to do without rigging up a separate power for the LEDs. Here are the wiring diagrams where you can see the low beams/DRLs are the same circuit out of the BCM. Check out the headlight wiring diagrams below to see what I am talking about.
Aug 24, 2024 at 6:34 PM