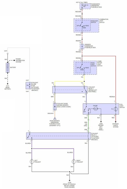
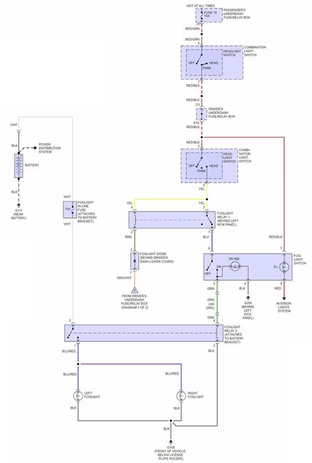
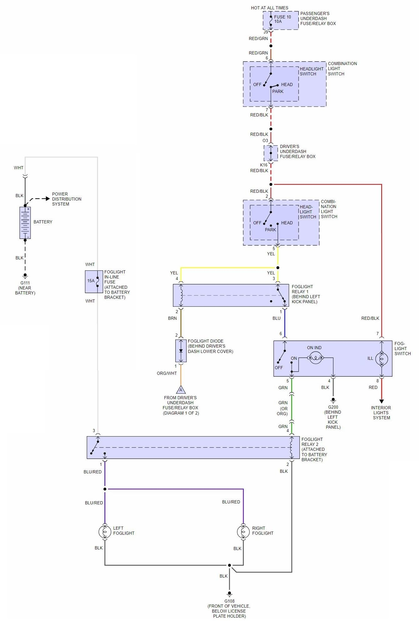
The DRL will not turn on except for when my high beams are on. They will not turn on with just DRL switched on. I checked the fuses and they seem fine, my dad assured me they were not blown.
Jul 6, 2018 at 5:01 PM

