Transmission not shifting properly, codes U0121, p2308, Uo1010, and U0001

2007 DODGE CHARGER
19,673 MILES • 3.5L • 2WD • AUTOMATIC
Avatar
ANDRIN ATEM
  • MEMBER
  • 393 POSTS
Hi, i need help with diagrams for transmission module. i got a no shift condition. U0121, p2308, Uo1010, and U0001.

Also, if i could get a diagram for ground, power, ec.

Thanks in advance.
Mar 29, 2022 at 4:00 PM
Advertisement
Avatar
STEVE W.
  • CERTIFIED EXPERT
  • 15,113 POSTS
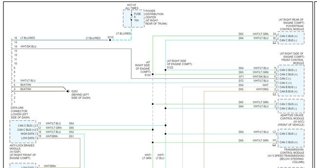
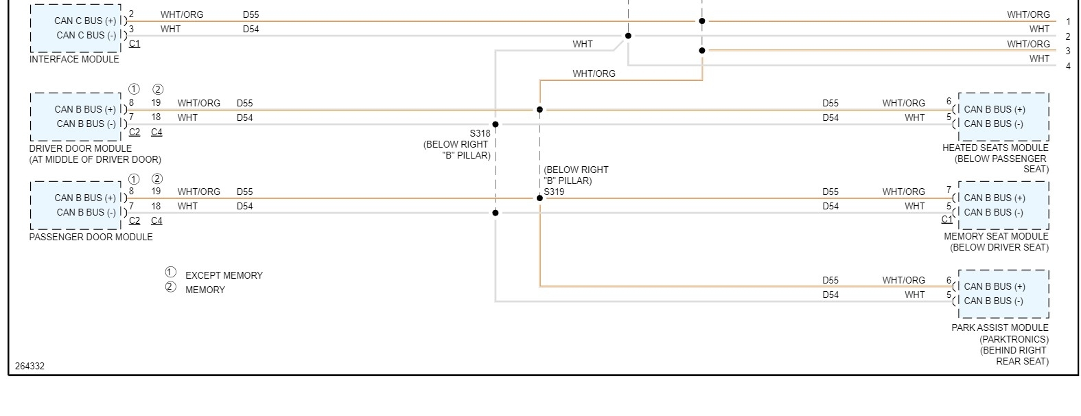
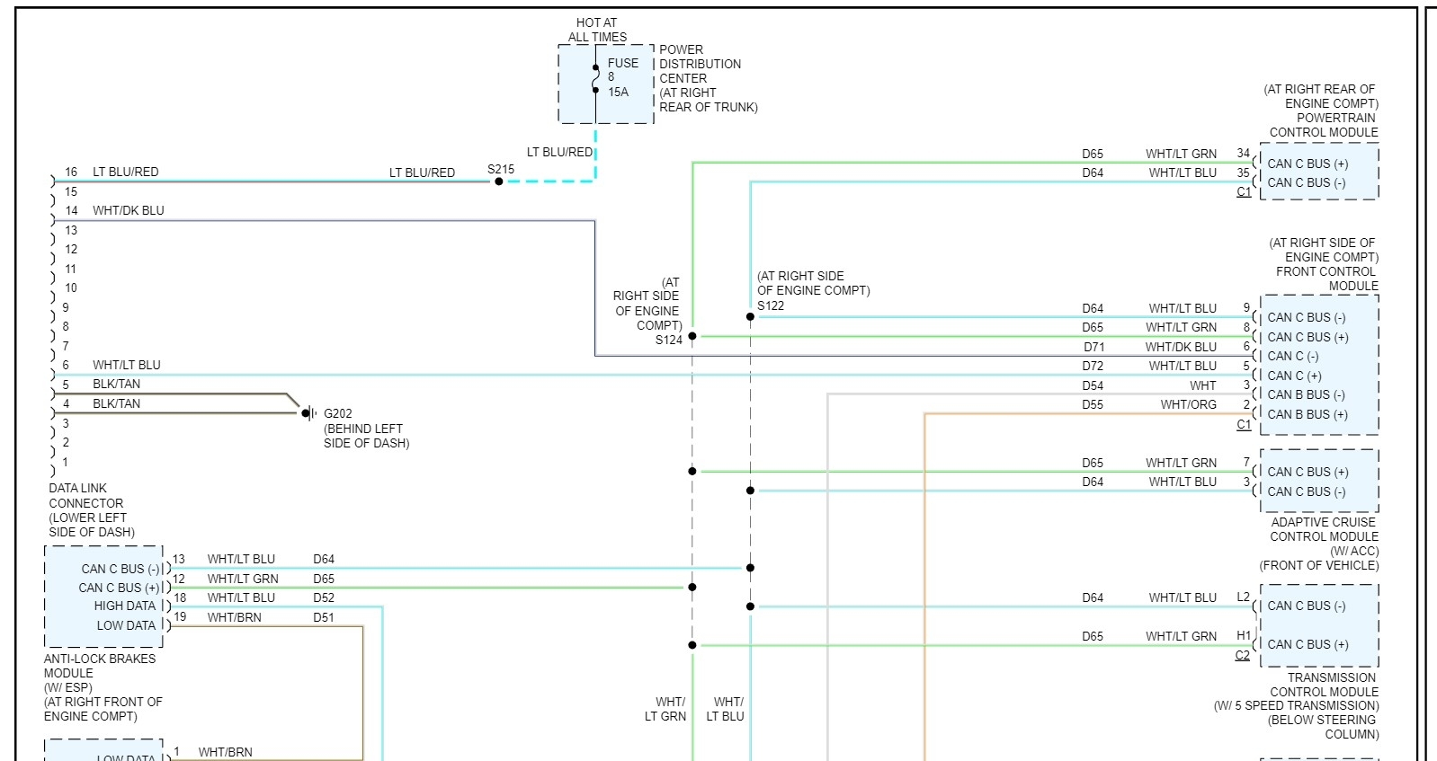
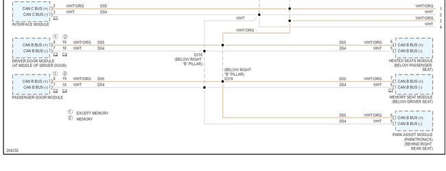
Other than the P2308 code the rest are communication codes showing that the PCM cannot "talk" to the ABS, Transmission Control and TIPM on the CAN C data bus. That would lead to the transmission not being able to shift. However, the issue is likely that communication is being blocked by a module. If the TCM wasn't working, it would throw a different code that does not take down the network. In this case you are going to need to see the network talking and then pull modules until it works properly. Do you have a scope and know what the CAN signals should look like? If yes, then you should be able to track the issue down.
Does this car have any aftermarket items, stereo, remote start and such? I have seen those fail and take out the network in the vehicle. Attached are the data lines for that vehicle.
Mar 30, 2022 at 2:53 AM