Hi and thanks for using 2CarPros.com.
Since it got hot, it sounds like something was shorted on the trailer wiring. However, that may have damaged something on your vehicle.
First, I need you to check fuse (M17). It is located in the power distribution box located under the hood. See picture 5 to identify it. Picture 6 is what it looks like inside. Picture 7 shows what that fuse protects (left rear light). Here are directions for checking fuses:
https://www.2carpros.com/articles/how-a-car-fuse-works
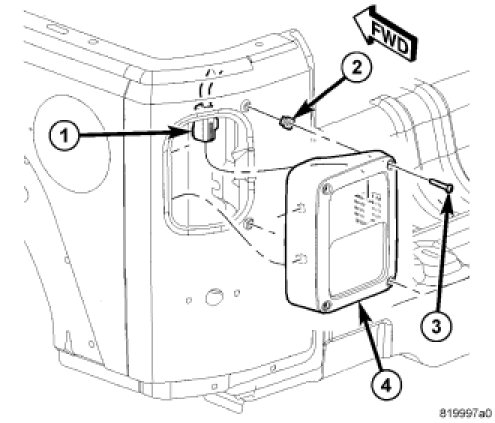
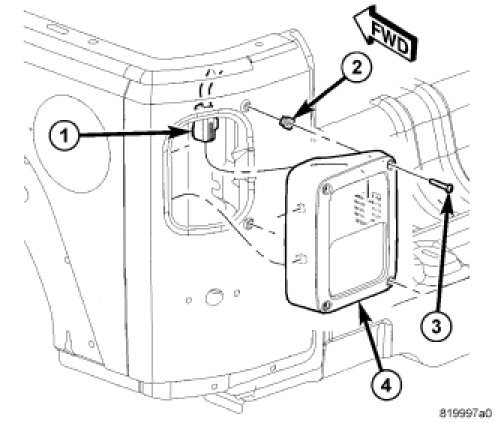
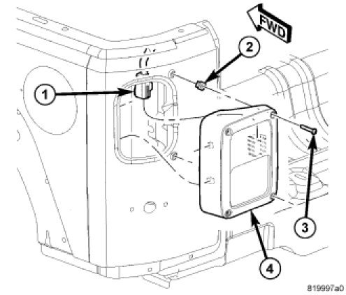
If you determine the fuse is good, I need to to check is to see if there is power to the bulb. Picture 1 below shows the wiring to the light. Picture 2 shows the light assembly. Note there are 6 pins. Pin number 2 is for the parking light. It should supply 12 volt to it. Picture 3 shows what each pin is designated for. Using a test light, check to see if there is power to pin 2 when the lights are on. Here is a link that shows how to use a test light:
https://www.2carpros.com/articles/how-to-use-a-test-light-circuit-tester
Here are the directions for removing the rear tail light assembly. Picture 4 correlates with these directions.
1. Disconnect and isolate the battery negative cable.
2. Remove the two screws (3) from the inboard side of the lamp lens that secure the rear lamp unit (4) to the two spring nuts (2) in the rear body sheet metal.
3. Pull the outboard side of the rear lamp unit inboard far enough to disengage the two tabs on the back of the lamp housing from the edge of the lamp opening in the rear body sheet metal.
4. Pull the lamp away from the vehicle far enough to access and disconnect the body wire harness connectors (1) from the bulb socket pigtail wire connector on the back of the lamp housing.
5. Remove the lamp from the vehicle.
________________________________________
I have a feeling the fuse is the issue. However, let me know what you find of if you have other questions. Make sure to use the same amperage fuse if it does need replaced.
Let me know what you find.
Joe
Images (Click to enlarge)
Sep 27, 2018 at 6:52 PM