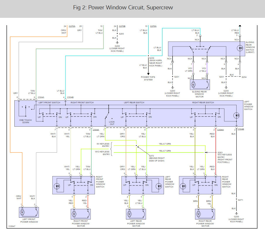
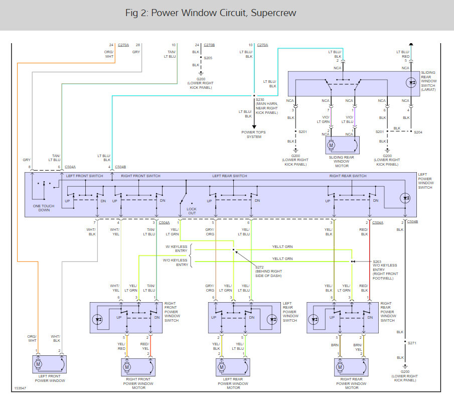
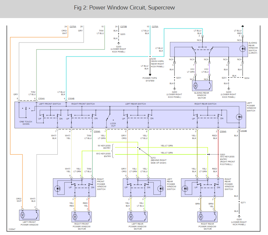
Hi, I have a super-crew truck which is four doors and a while back the rear driver side window would not roll up, it would roll down perfectly but not back up. A lot of people have told me it is the regulator but that is down my list because for one the regulator makes absolutely no noise trying to roll it up. Also, I noticed that if the accessory is on with a door open and the inside lights are on the lights do not flicker if I try to roll it up, they do if I try to roll it down or any other window. So I am thinking a switch or a connection, and if it's a switch which one would it be? The driver door or the passenger door with the window problem?
Thanks guys hope to hear from you soon!
Thanks guys hope to hear from you soon!
Aug 27, 2018 at 1:23 PM




