Drivers window stopped working

2008 GMC ACADIA
266,000 MILES • 3.6L • V6 • 4WD • AUTOMATIC
Avatar
SMASTER
  • MEMBER
  • 10 POSTS
i have replaced the regulator and it didn't help. i checked the switch (i had recently replaced) and found that the probe lit up with all the switches but the drivers. installed a new switch and have the same problem. door is still apart with the window taped shut.
Mar 27, 2020 at 2:48 PM
Advertisement
Avatar
DANNY L
  • CERTIFIED EXPERT
  • 5,648 POSTS
Hello, I'm Danny.

Did you test the window motor?? Here is a tutorial showing what is involved:

https://www.2carpros.com/articles/how-to-check-and-replace-a-electric-power-window-motor

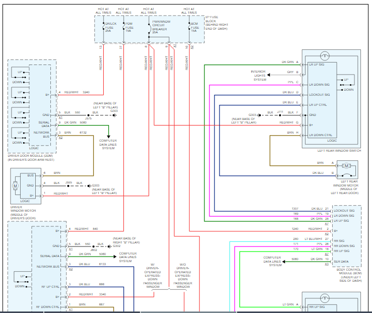
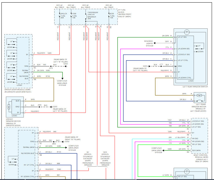
I've attached 2 pictures below of the driver power window diagram.I cut the picture in half so you can view it larger.This model has express roll up feature.Let me know if it's the normal version or you have additional questions.Hope this helps and thanks for using 2CarPros.
Mar 27, 2020 at 4:47 PM
Avatar
SMASTER
  • MEMBER
  • 10 POSTS
I have power all the way to the switch. When I test the switches on the master controller for power as I operate them,all but the drivers has power. Even on the new one I just purchased. The 2 colors that go to my motor are blue and brown.
Mar 27, 2020 at 6:11 PM
Advertisement
Avatar
DANNY L
  • CERTIFIED EXPERT
  • 5,648 POSTS
Hello again.

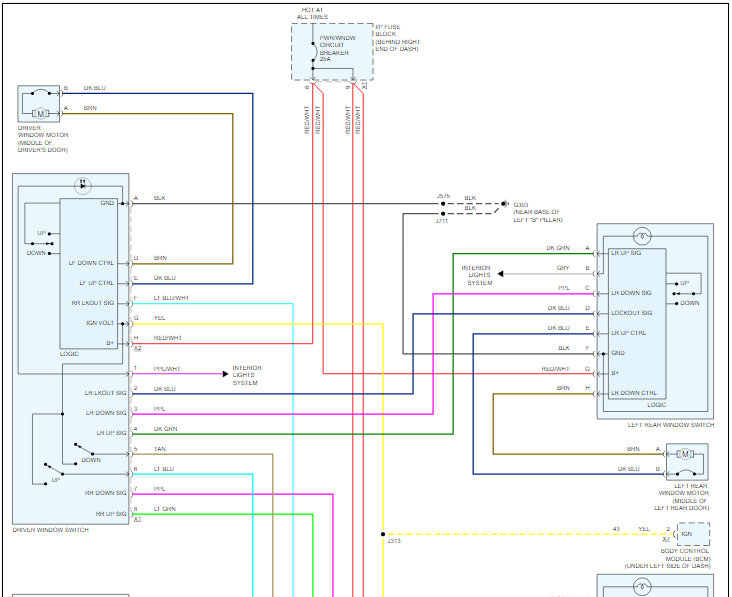
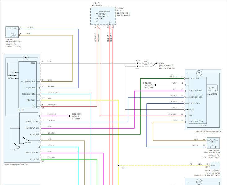
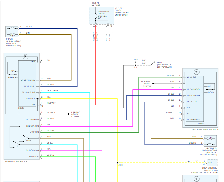
Okay, I've attached 2 different window wiring diagram pictures.You truck has the non- express window function.

Danny-
Mar 27, 2020 at 6:43 PM
Avatar
DANNY L
  • CERTIFIED EXPERT
  • 5,648 POSTS
Hello again
If you look on the diagram are you getting power on the dark blue lockout signal wire?
Hope this helps and let me know.Thanks again for using 2CarPros.

Danny-
Mar 28, 2020 at 6:33 PM
Avatar
SMASTER
  • MEMBER
  • 10 POSTS
I am not.
Mar 28, 2020 at 7:49 PM
Avatar
DANNY L
  • CERTIFIED EXPERT
  • 5,648 POSTS
Hello again.

Are you getting power in from the red/white wire into the driver switch at location H ?

Danny-
Mar 28, 2020 at 8:26 PM
Avatar
SMASTER
  • MEMBER
  • 10 POSTS
Yes.
Mar 29, 2020 at 5:59 AM
Avatar
DANNY L
  • CERTIFIED EXPERT
  • 5,648 POSTS
Hello again.

Do you have power at location G the yellow wire? Thanks again for using 2CarPros.

Danny-
Mar 29, 2020 at 2:19 PM
Avatar
SMASTER
  • MEMBER
  • 10 POSTS
I do.
Mar 29, 2020 at 3:20 PM
Avatar
DANNY L
  • CERTIFIED EXPERT
  • 5,648 POSTS
Have you checked the ground for a good connection at location A?

Danny-
Mar 29, 2020 at 5:14 PM
Avatar
SMASTER
  • MEMBER
  • 10 POSTS
I would think it does because the other 3 windows work.
Mar 30, 2020 at 4:55 AM
Avatar
KASEKENNY
  • CERTIFIED EXPERT
  • 18,907 POSTS
If I can jump in here. This system is applying voltage to one side of the motor or the other to dictate direction. If you don't have a complete circuit from the switch to the motor on both wires then you will have an open circuit and no voltage. In other words, looking at the diagram, when you press the switch to the down position, it sends voltage on the brown wire to the motor and then returns on the blue wire to the switch and then out to ground to complete the circuit. Then backwards on the up position, out on the blue wire, the motor goes in the other direction and returns on the brown wire and out to ground.

I would disconnect the window switch and measure resistance between the brown and blue wire from the connector to the driver motor, leaving the motor hooked up. I suspect it is open which is why you are not getting any voltage. If it is, then unhook the motor and ohm out each individual wire. If each wire by itself is around a half ohm of resistance then I suspect the motor has an open in it.

If you really want to confirm this, then jump 12 volts to the motor to confirm what you are seeing with the other test if you find the wires are okay. Clearly you will need to jump 12 volts to one side and ground to the other and do this with the connector unhooked. Do both sides just to see if it will move in either direction. Basically you are running the motor separate of the rest of the system.

Hopefully this helps.
Apr 2, 2020 at 9:52 AM
Avatar
SMASTER
  • MEMBER
  • 10 POSTS
Do you happen to know where the ground screw for it is located?
Apr 5, 2020 at 8:39 AM
Avatar
KASEKENNY
  • CERTIFIED EXPERT
  • 18,907 POSTS
Sure. G303. See attached for the location but it is driverside B-pillar.
Apr 5, 2020 at 5:53 PM
Avatar
SMASTER
  • MEMBER
  • 10 POSTS
Awesome. Thank you.
Apr 5, 2020 at 6:56 PM
Avatar
KASEKENNY
  • CERTIFIED EXPERT
  • 18,907 POSTS
You are welcome. Let us know how you make out. Thanks
Apr 6, 2020 at 2:29 PM
Avatar
SMASTER
  • MEMBER
  • 10 POSTS
Found no breaks or loose connections at the ground there.
Apr 7, 2020 at 4:26 AM
Avatar
KASEKENNY
  • CERTIFIED EXPERT
  • 18,907 POSTS
Have you checked for an open and measured resistance as I mentioned before by unhooking the switch?

Just in case you missed that post here it is:

If I can jump in here. This system is applying voltage to one side of the motor or the other to dictate direction. If you don't have a complete circuit from the switch to the motor on both wires then you will have an open circuit and no voltage. In other words, looking at the diagram, when you press the switch to the down position, it sends voltage on the brown wire to the motor and then returns on the blue wire to the switch and then out to ground to complete the circuit. Then backwards on the up position, out on the blue wire, the motor goes in the other direction and returns on the brown wire and out to ground.

I would disconnect the window switch and measure resistance between the brown and blue wire from the connector to the driver motor, leaving the motor hooked up. I suspect it is open which is why you are not getting any voltage. If it is, then unhook the motor and ohm out each individual wire. If each wire by itself is around a half ohm of resistance then I suspect the motor has an open in it.

If you really want to confirm this, then jump 12 volts to the motor to confirm what you are seeing with the other test if you find the wires are okay. Clearly you will need to jump 12 volts to one side and ground to the other and do this with the connector unhooked. Do both sides just to see if it will move in either direction. Basically you are running the motor separate of the rest of the system.
Apr 7, 2020 at 7:14 PM
Avatar
SMASTER
  • MEMBER
  • 10 POSTS
I don’t have a multi-meter.
Apr 9, 2020 at 9:31 AM
Avatar
KASEKENNY
  • CERTIFIED EXPERT
  • 18,907 POSTS
Okay. Well then there is no way to test it with a tool but if you want to just cut the wires and run a new one then you can test it by seeing it is fixed after doing that.

Let me know if you want to try this and have questions about it and we can go from there. Otherwise let me know if it works. Thanks
Apr 9, 2020 at 4:46 PM