Driver's side taillight and front turn signal not working?

1998 JEEP CHEROKEE
175,000 MILES • 4.0L • 6 CYL • 4WD • AUTOMATIC
Avatar
JLITTLEJ
  • MEMBER
  • 4 POSTS
I have tried new bulbs, cleaning connections, changing out fuses. The ground wires spark when connected to original positions. I do not know if that is supposed to happen. 2 grounds are under the same bolt 3rd is alone. the previous owner did wire in a trailer hitch harness. that has been removed and still shows same issues.

The front drivers side turn signal does work to signal, but does not remain lit.

I am at a loss for what to look at next.
Sep 28, 2023 at 3:17 PM
Advertisement
Avatar
JACOBANDNICKOLAS
  • CERTIFIED EXPERT
  • 110,175 POSTS
Hi,

Does anything on the left rear work? For example, do the parking lights or brake lights work? Also, the front bulb is a dual-element bulb. Have you replaced it as well?

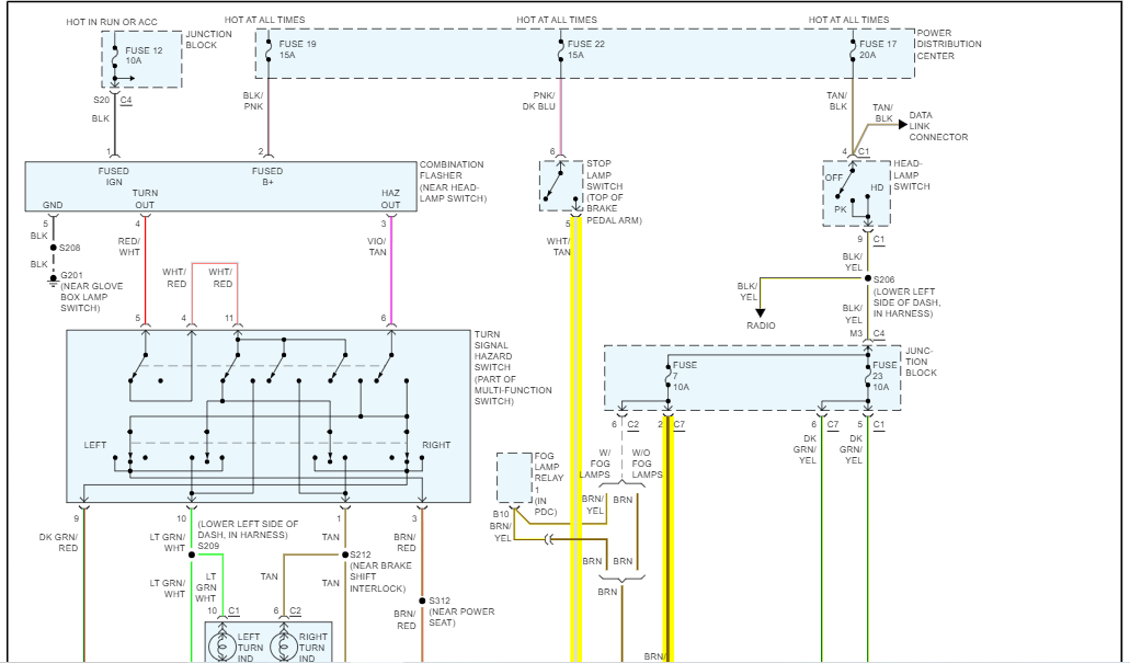
I attached the wiring schematic below for the exterior lighting circuits so that you would have a reference. As far as the ground sparking, if you have power going to the circuit, it is looking for ground. So, it can spark if you have something turned on.

Do me a favor, At the light connectors, locate the black wires. Check to see if there is continuity to ground.

Here is a link you may find helpful:

https://www.2carpros.com/articles/how-to-check-wiring

Let me know what you find.

Take care,

joe

See pics below.
Sep 28, 2023 at 9:38 PM
Avatar
JLITTLEJ
  • MEMBER
  • 4 POSTS
JACOBANDNICKOLAS,

So, I have found that when the brake pedal is pressed, the brake light does activate as intended. When driving down the road is when neither the turn signal nor the driver's side brake light stays lit. Turn and parking lights work as they should on driver's side rear. I have not been able to test the grounds yet.
Oct 9, 2023 at 1:46 PM
Advertisement
Avatar
JACOBANDNICKOLAS
  • CERTIFIED EXPERT
  • 110,175 POSTS
Does that happen as soon as you place it in gear, or do you need to be moving? Either way, it is really odd.

Let me know.

Joe
Oct 9, 2023 at 2:48 PM
Avatar
JLITTLEJ
  • MEMBER
  • 4 POSTS
Yes, when I am driving and while parked. Again, only while the pedal is pressed does it activate. If it helps at all, my plate light does not function, and my 3rd brake light does not turn on even when brake is pressed. Additionally, my turn signal light did function as intended a couple months ago. It is from Florida and has yet to see a northern winter. My Cherokee was once used to crawl around on beaches. There are cords and additional wires for probably some subwoofers under the backseat that I did not install. I don't know how to describe it, so I attached photos.
Oct 9, 2023 at 2:56 PM
Avatar
JACOBANDNICKOLAS
  • CERTIFIED EXPERT
  • 110,175 POSTS
Hi,

Wow, that's a mess. LOL Is anything still connected? If so, make sure there is no power to anything that is exposed.

As far as the light issue is concerned, I went through the schematic again. The power supply to all brake lights is provided from the same source. Since they work when the car is off or not in gear, that tells me there is a connection throughout the power supply.

Since I don't think that is changing, I need you to confirm it for me. At the left rear brake lamp socket, locate the gray wire with a tan tracer. With the engine on and the vehicle in drive, have a helper check for power to the aforementioned wire when the brake is depressed. I have a feeling there will be power.

If there is, my suspect is a faulty ground. All of the rear lights use a common ground location, other than the license plate lamp. If there is too much of a load on a weak ground, it can fail. So, let me know if there is power first. If there is, we are going to try running a new ground to see if the lights work properly at that point.

Let me know.

Joe
Oct 9, 2023 at 4:44 PM
Avatar
JLITTLEJ
  • MEMBER
  • 4 POSTS
There was power. I will replace the ground tomorrow (hopefully) and let you know the results.
Oct 10, 2023 at 5:15 PM
Avatar
JACOBANDNICKOLAS
  • CERTIFIED EXPERT
  • 110,175 POSTS
Hi,

If there is power, then we either have a connection issue within the light sockets or the ground as mentioned. Try running a new ground (in addition to) to see if they work.

Let me know what you find.

Take care,

Joe
Oct 10, 2023 at 7:26 PM