Driver's side low beam headlight not working?

2015 FORD FUSION
108,000 MILES • 6 CYL • 2WD • AUTOMATIC
Avatar
  • MEMBER
  • 1 POST
High beam works, turn signal works and hazards work. I took it to the dealer and for whatever reason it worked that day. They checked it over and said that everything looked good. Shortly after I got home, it went out again and has not come back on to my knowledge. I found the fuse box under the hood and tried to determine if there was a separate fuse for each headlight. The manual does not describe the fuses well enough to determine which fuse controls the headlights.

I am thinking that there is either a short in the wiring or the bulb is burned out. The problem is that I can't get to the bulb without disassembling the car.

I was really hoping it was a fuse.
Aug 14, 2023 at 11:32 AM
Advertisement
Avatar
STRAILER
  • CERTIFIED EXPERT
  • 53,855 POSTS
This can be one of three things, either the BCM went out, the headlight control module has a short or the headlight assembly itself has gone bad. You should do a CAN scan to see which codes come up which can point us in the right direction. You can get a CAN scanner (Controller Area Network) which will work on most cars from Amazon.

Here is a video to show you how:


https://youtu.be/u-4syLc-ifQ


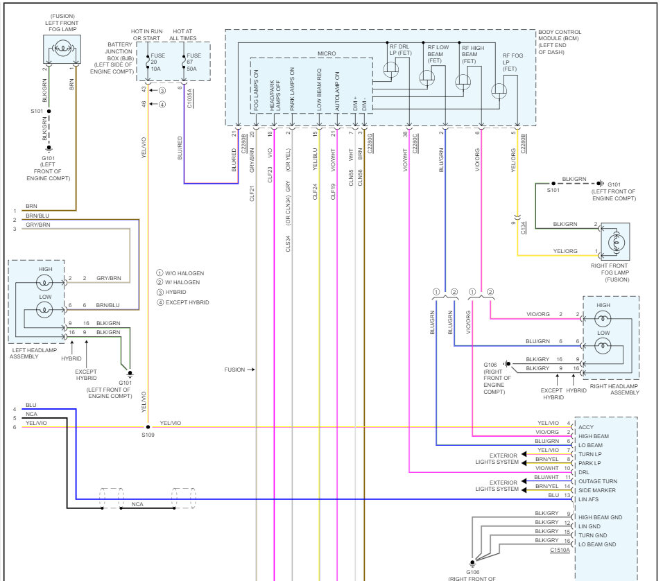
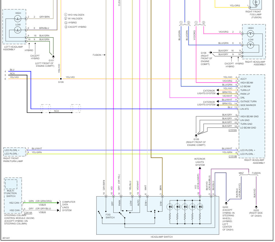
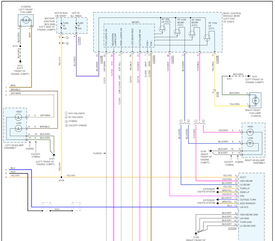
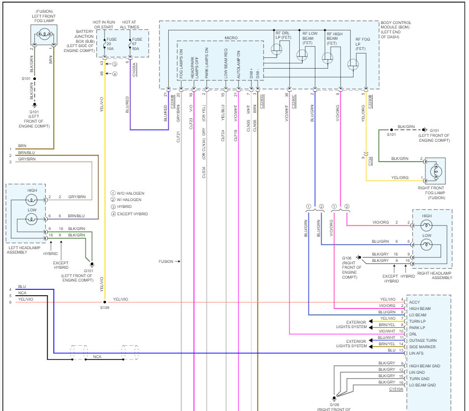
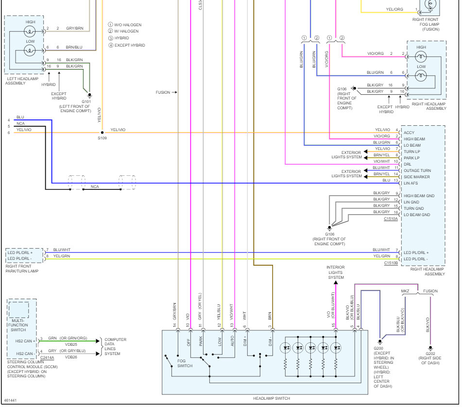
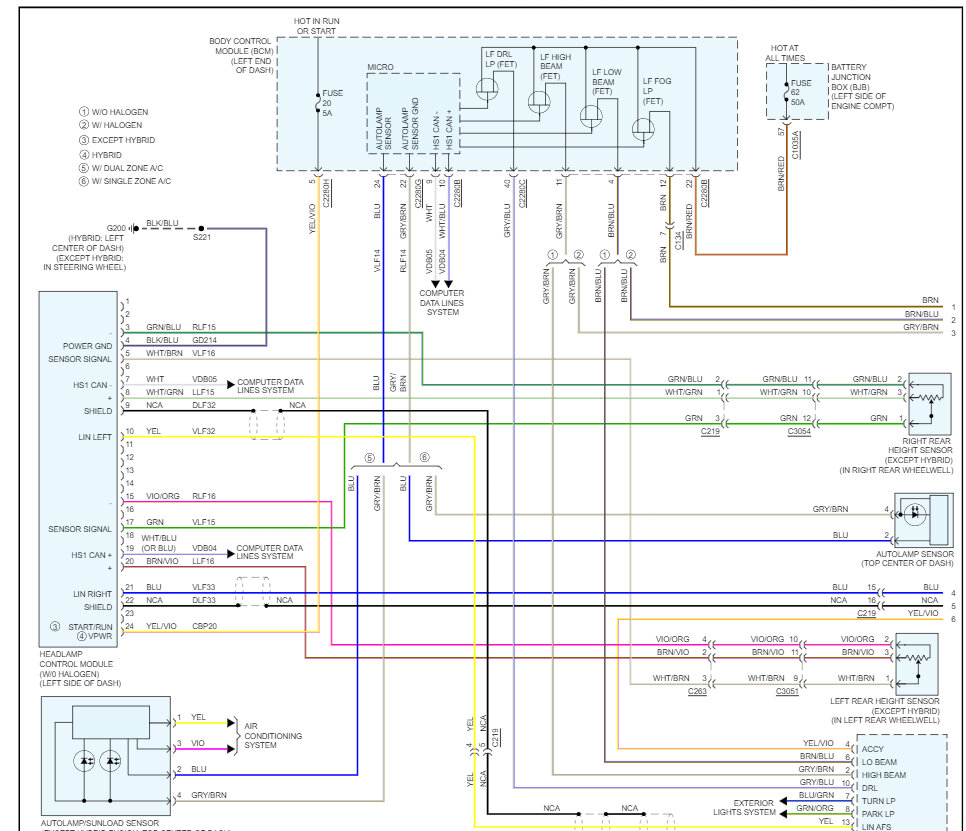
Here is a guide to help check for power and I have included the headlight wiring diagrams so you can see how the system works, and how to replace the BCM and headlight assembly. You can get a preprogrammed BCM by searching Google or Ebay. Check out the images (below). Let us know what happens and please upload pictures or videos of the problem so we can see what's going on.
Aug 15, 2023 at 9:23 AM