Drivers side lights not working

2014 CHEVROLET SILVERADO
96,000 MILES • 5.3L • V8 • 4WD • AUTOMATIC
Avatar
MERCER6
  • MEMBER
  • 1 POST
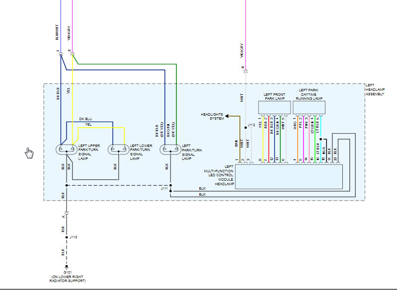
My left front lights aren’t working. (Daytime running lights, High/Low beams) and I’m getting a left front turn indicator fault causing my blinker to blink fast. I looked at the fuse locations and it shows that all the headlights are on the same fuse. Bulbs seem to be in good condition. All of this happened at the same time. A few months back my left front low beam stopped working and then started working again after a day or two.
Jun 22, 2020 at 10:47 PM
Advertisement
Avatar
KASEKENNY
  • CERTIFIED EXPERT
  • 18,907 POSTS
I suspect this is a possible ground issue with this head light assembly. Take a look at the ground G101. It is on the right side of the radiator support. It has other things on it like the horn so it may check out okay, but we need to start with this. Then if you can provide the code that you are getting so we can try and track that down we can go from there. Thanks
Jun 23, 2020 at 1:51 PM