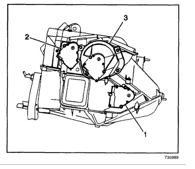
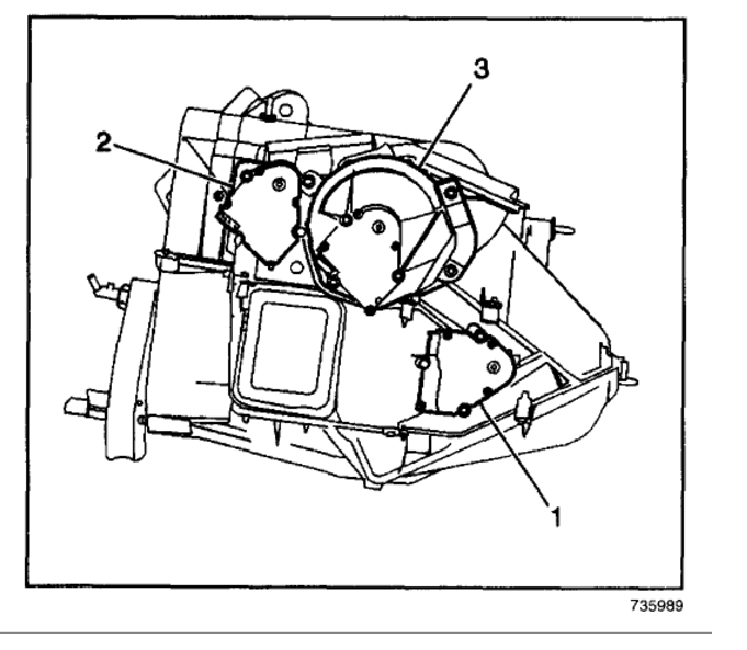
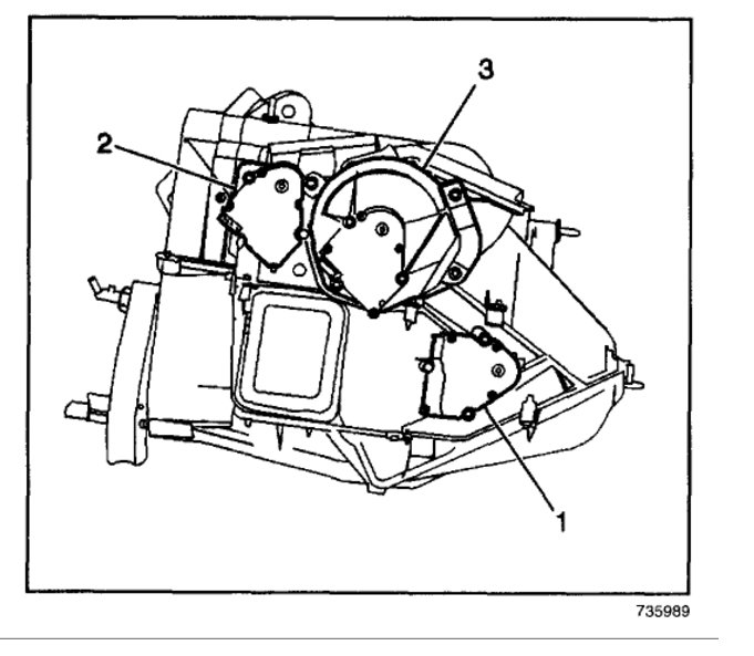
Drivers side blend door actuator

2002 GMC ENVOY
250,000 MILES
Avatar
TANYA NICHOLSON
  • MEMBER
  • 1 POST
My A/C on the drivers side blows hot. which blend door actuator should I be replacing?
Aug 4, 2017 at 8:11 AM
Advertisement
Avatar
STRAILER
  • CERTIFIED EXPERT
  • 53,854 POSTS
Hello,

Here is an excellent guide to show you what you are in for when doing the job and some diagrams that will show you what it will be like on your car (below) it is the first one.

https://www.2carpros.com/articles/replace-blend-door-motor

Please let us know what happens.

Cheers, Ken
Aug 5, 2017 at 10:02 PM