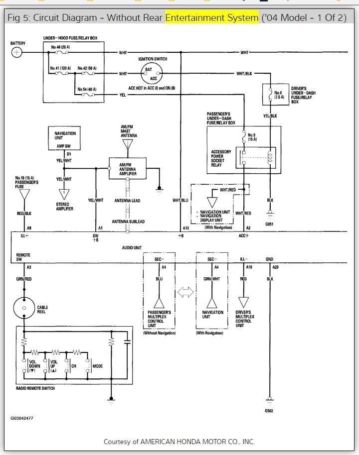
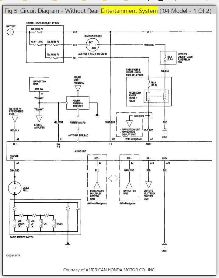
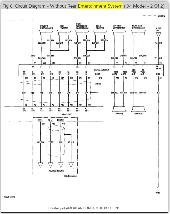
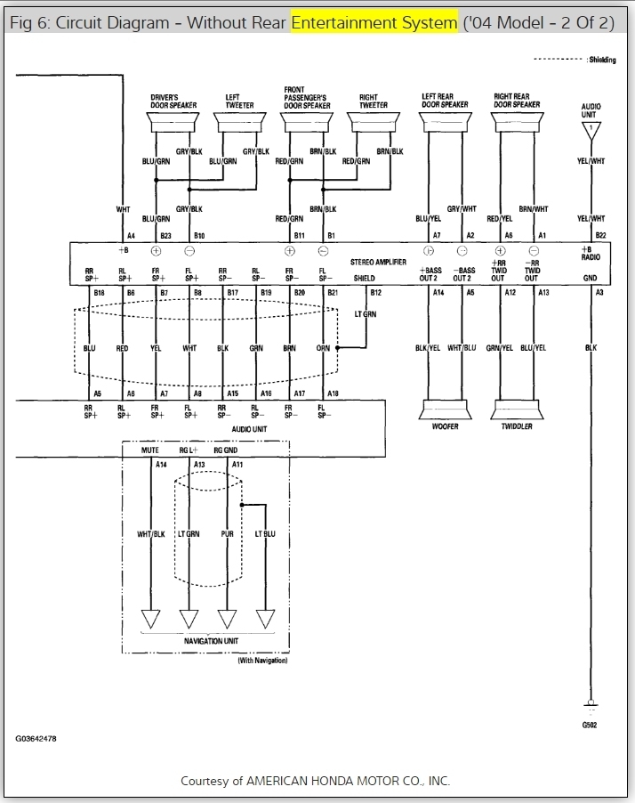
I have located every fuse box except the one I need. The drivers side auxiliary fuse box. It has three fuses in it. Cannot find it for the life of me. I see it on the diagrams so I know it exists, but there is no diagram showing the location in the car. I can replace engines, transmissions, etc., but I cannot replace a 7.5 fuse. :-)
Mar 15, 2018 at 8:58 PM













