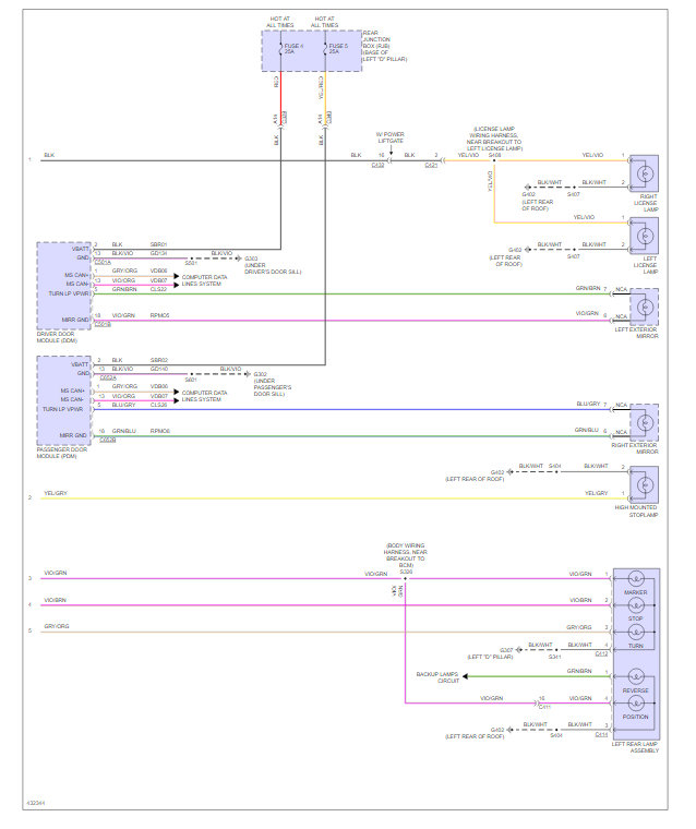
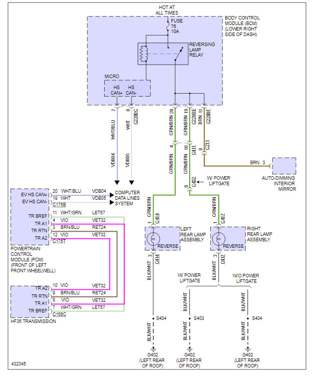
Drivers side amber light burned out

2014 FORD C-MAX
36,000 MILES
Avatar
SANDY RON BROMLEY
  • MEMBER
  • 1 POST
Replaced light bulb and it blew out soon as the brakes was applied. Fuse the problem?
Feb 4, 2019 at 7:34 PM
Advertisement
Avatar
SCGRANTURISMO
  • CERTIFIED EXPERT
  • 4,897 POSTS
Hello,

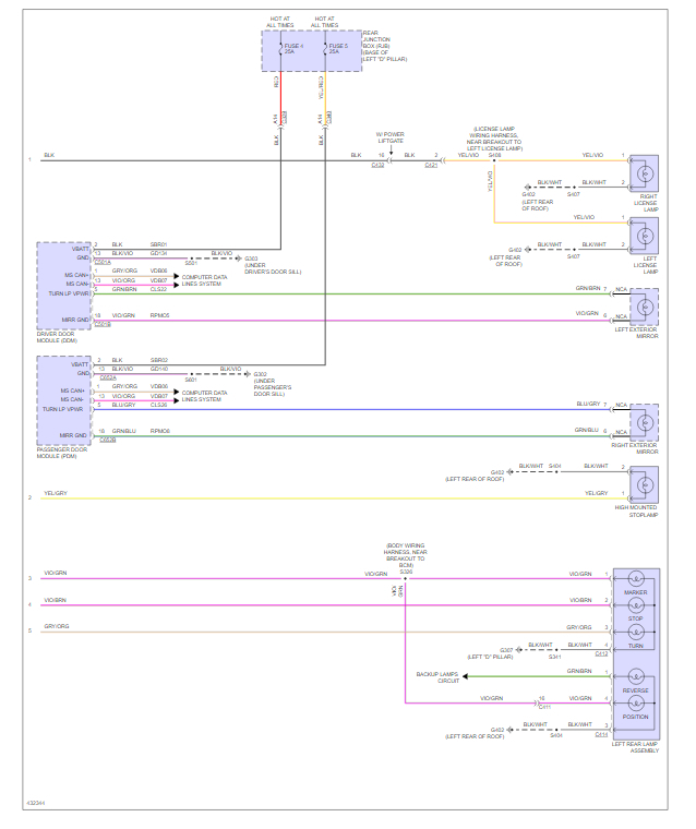
It sounds to me like you have a short to power with the marker light wire and the stop light wire. I am including all the wiring diagrams for the external lights on your vehicle. Hope this helps and let us know what you find out.

Thanks,
Alex
2CarPros
Feb 5, 2019 at 7:57 PM