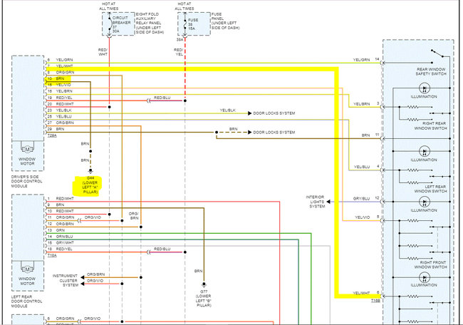
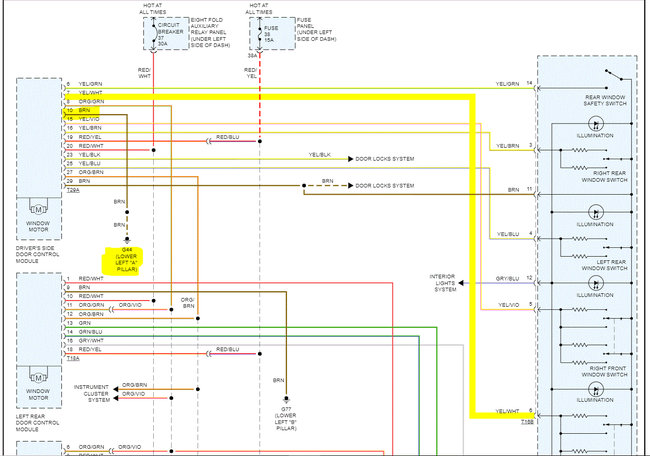
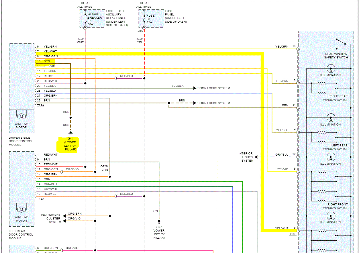
I sold the car to this guy, he tore it half apart, really messed things up. Anyway, I need to power the driver's door window up without the door switch, which didn't do the trick, anyway. The window motors on these have about a dozen wires going into the rear of them. (Not the usual two wire kind.) Any idea which wires I could connect power and ground to just to raise the window, for now. It's raining like crazy here in the Pac NW.
Car is a GLX wagon B5. The existing door switch is trashed, although I can pick one up. I've had a dozen Passat's in the past year from 1.8T to the W8. I have also replaced the window regulators, so I know them pretty well except for this issue. I am trying to avoid removing window regulator assembly and holding the window up with a stick, if possible. Also, we just want the window up, it doesn't work after that.
Car is a GLX wagon B5. The existing door switch is trashed, although I can pick one up. I've had a dozen Passat's in the past year from 1.8T to the W8. I have also replaced the window regulators, so I know them pretty well except for this issue. I am trying to avoid removing window regulator assembly and holding the window up with a stick, if possible. Also, we just want the window up, it doesn't work after that.
Jan 6, 2022 at 1:34 PM

