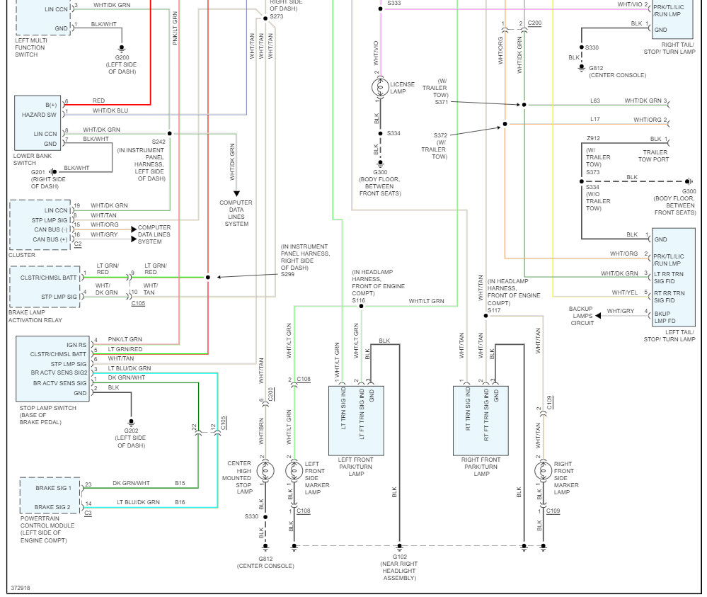
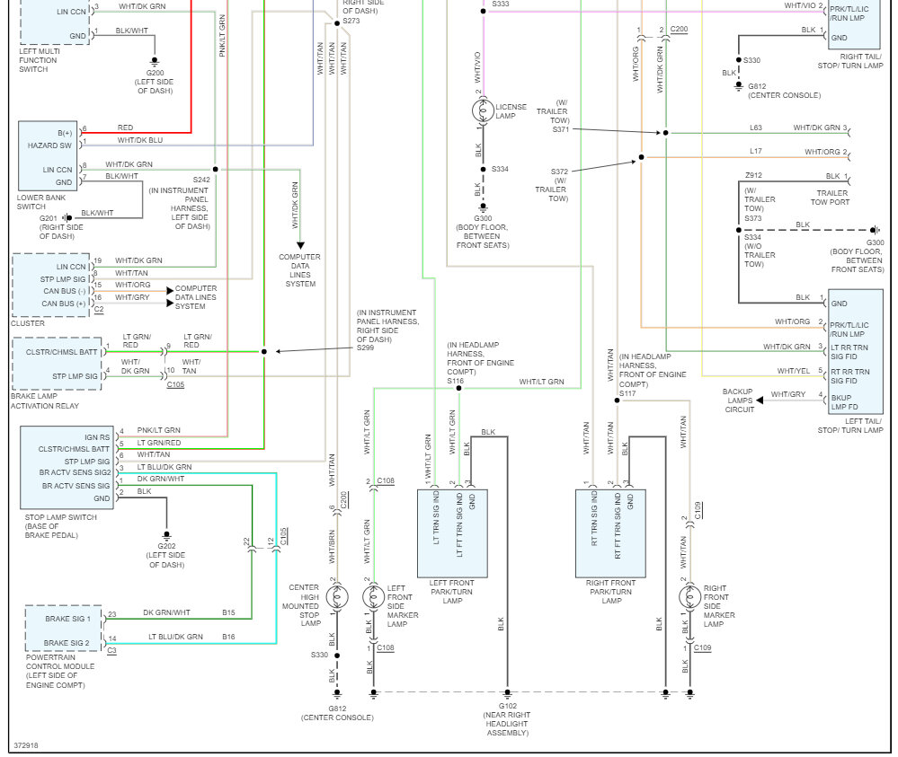
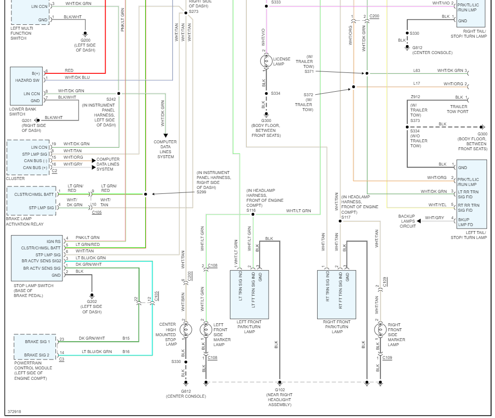
If headlights are on, rear left light is off. If park lights are on, both front and left rear park lights are off. Brake, left rear light off when parking or headlights on. Left rear blinker only works when the headlight and parking lights are off. Both rear brake lights work when headlights or parking lights are off. All rear-right lights work fine.
Nov 5, 2023 at 10:40 AM







